EasyManua.ls Logo

Siemens SINAMICS PERFECT HARMONY GH150 - Page 31

Siemens SINAMICS PERFECT HARMONY GH150
146 pages
To Next Page IconTo Next Page
To Next Page IconTo Next Page
To Previous Page IconTo Previous Page
To Previous Page IconTo Previous Page
Loading...
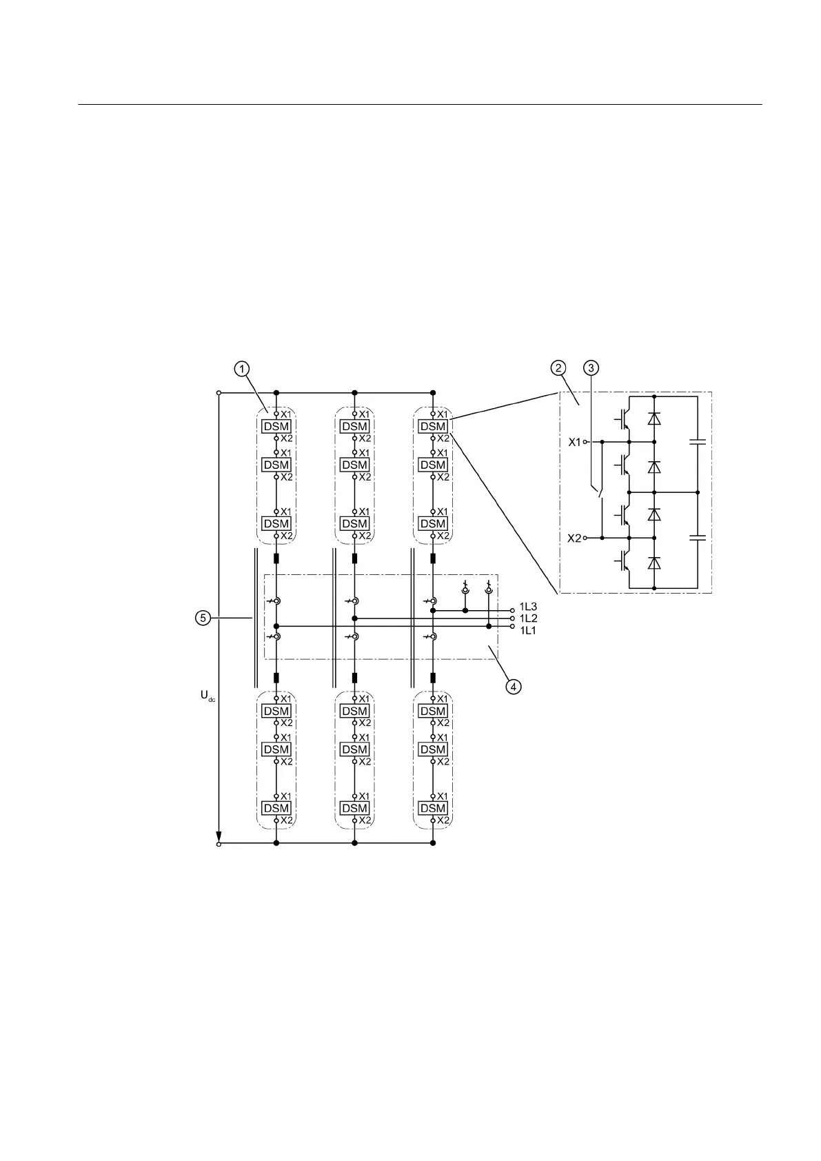
The Motor Module is built in M2C technology with IGBT semiconductors. Motor Modules in
M2C technology provide the motor with almost sinusoidal voltages. The Motor Module in M2C
technology comprises a submodule and a branch reactor cabinet.
The power cells are housed with the IGBT semiconductors in the submodule cabinet.
The branch reactors and the associated measuring equipment can be found in the branch
reactor cabinet.
The inverter unit has three phases. Each phase comprises two so-called M2C branches. The
six branches of the M2C inverter each consist of identical power cells connected in series. The
phase of the voltage-source DC link drive is realized employing M2C technology using power
cells connected in series for two branches.
Branch (identical power cells connected in series)
Power cell
Bypass switch (optional)
Actual value sensing
Branch reactor
Figure 3-3 Block diagram: Motor Module employing M2C technology
Description
3.6 Motor Module employing M2C technology
SINAMICS PERFECT HARMONY GH150 6SL3825
Operating Instructions 05/2020 31

Table of Contents

Other manuals for Siemens SINAMICS PERFECT HARMONY GH150

Related product manuals