EasyManua.ls Logo

Siemens SIRIUS 3RW30 - 3 RW405 - 3 RW407 EMERGENCY STOP and 3 TK2823 Safety Relay

Siemens SIRIUS 3RW30
204 pages
To Next Page IconTo Next Page
To Next Page IconTo Next Page
To Previous Page IconTo Previous Page
To Previous Page IconTo Previous Page
Loading...
Typical circuit diagrams
16.9 EMERGENCY STOP
SIRIUS 3RW30 / 3RW40
Manual, 10/2018, NEB535199502000/RS-AB/005
187
16.9.3
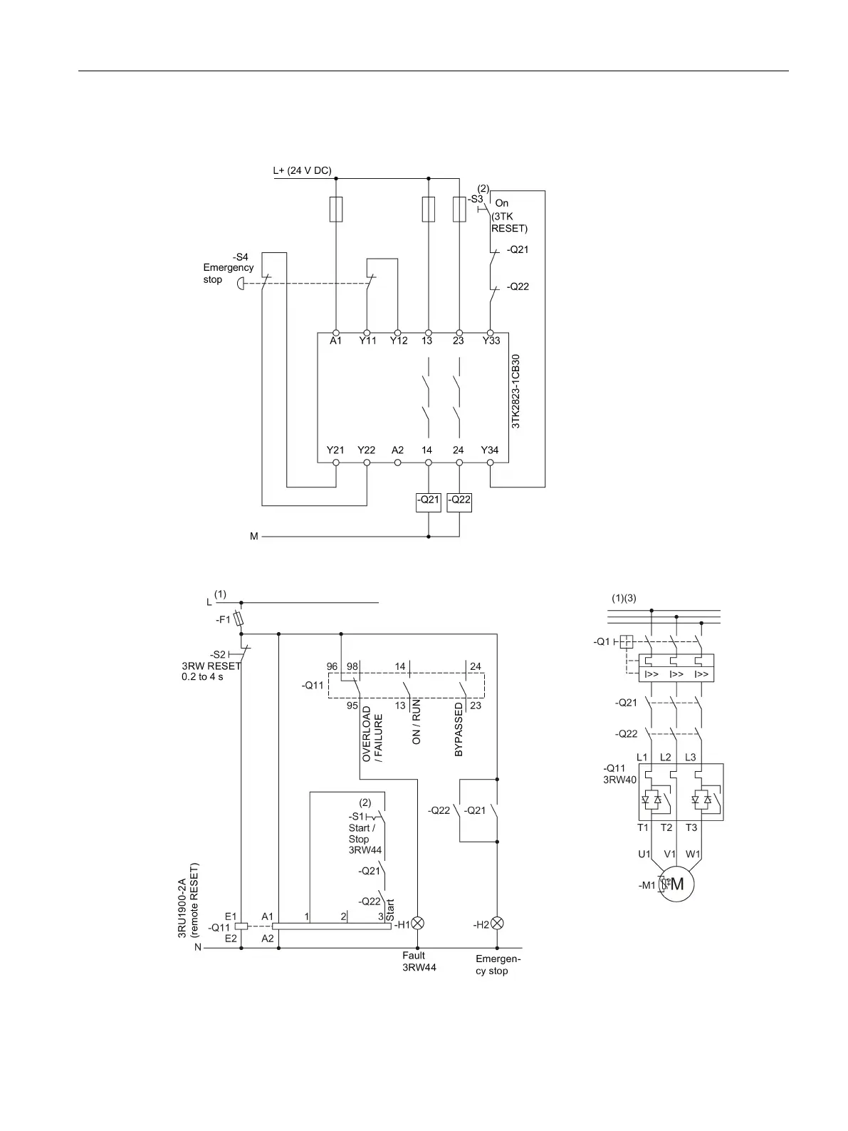
3RW405 - 3RW407 EMERGENCY STOP and 3TK2823 safety relay
Figure 16-27 Wiring of the EMERGENCY STOP control circuit and the 3TK28 safety relay
Figure 16-28 Wiring of the 3RW405 - 3RW407 control circuit and 3RW402 - 3RW407 main circuit

Table of Contents

Other manuals for Siemens SIRIUS 3RW30

Related product manuals