EasyManua.ls Logo

Smipack BP700 - Page 48

Default Icon
56 pages
Print Icon
To Next Page IconTo Next Page
To Next Page IconTo Next Page
To Previous Page IconTo Previous Page
To Previous Page IconTo Previous Page
Loading...
106/282
7. Maintenance and repairs
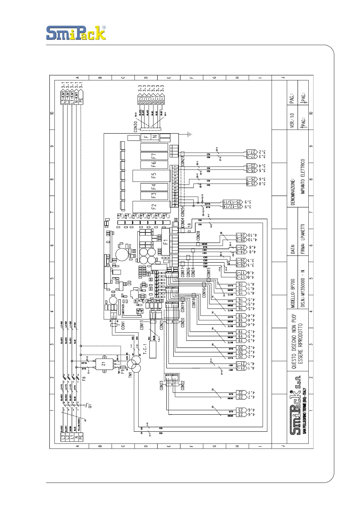
Wiring diagram Tav. 2

Table of Contents

Related product manuals