EasyManua.ls Logo

Smithco 45-204-C - Page 72

Default Icon
160 pages
Print Icon
To Next Page IconTo Next Page
To Next Page IconTo Next Page
To Previous Page IconTo Previous Page
To Previous Page IconTo Previous Page
Loading...
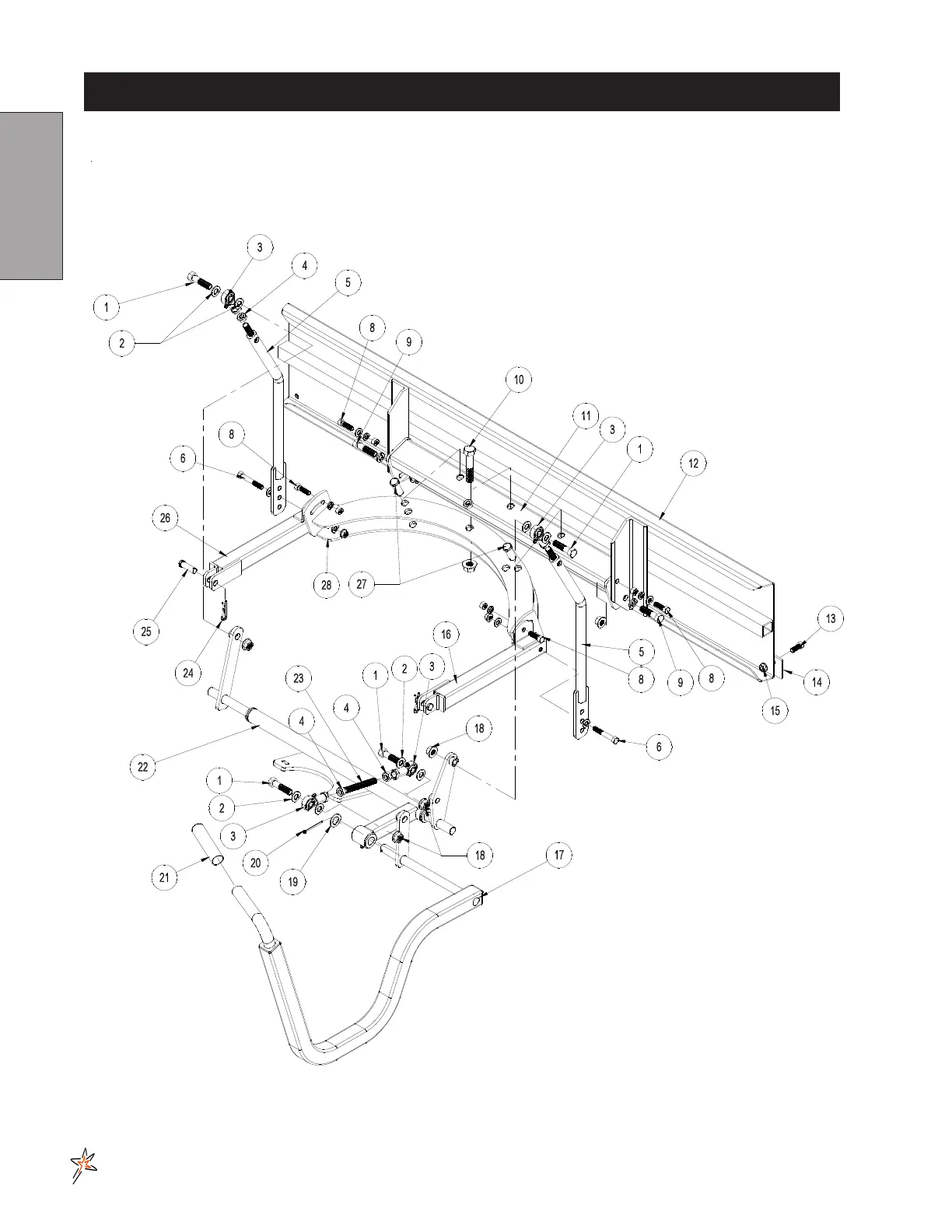
A-14
Front Attachment
45-180 60" ANGLE PLOW

Other manuals for Smithco 45-204-C

Related product manuals