EasyManua.ls Logo

Snorkel UL40 - Page 63

Snorkel UL40
115 pages
Print Icon
To Next Page IconTo Next Page
To Next Page IconTo Next Page
To Previous Page IconTo Previous Page
To Previous Page IconTo Previous Page
Loading...
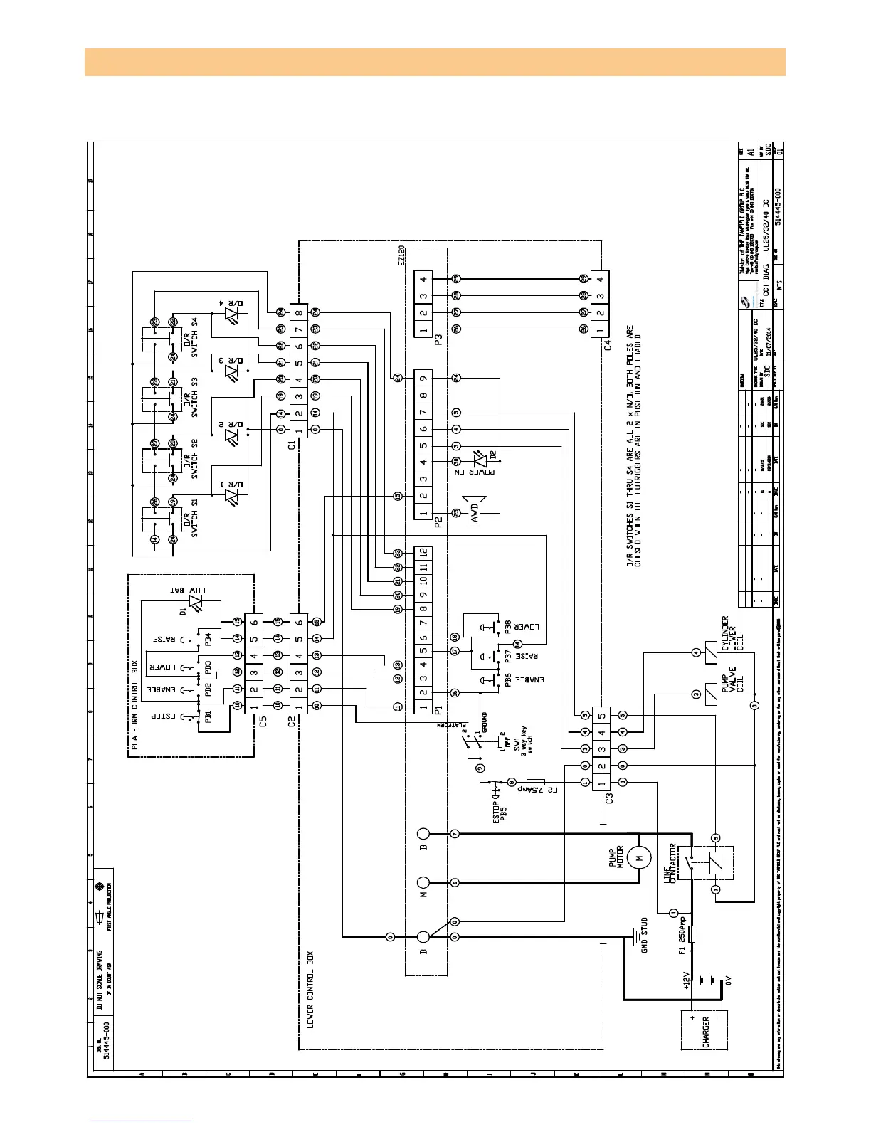
Page 5 - 3UL25/UL32/UL40
SCHEMATICS
ELECTRICAL SCHEMATIC D.C. - 514445-000

Table of Contents

Other manuals for Snorkel UL40

Related product manuals