EasyManua.ls Logo

Sony CCD-TR315E - Removal of VC-215, SE-80;81, DD-117 and PJ-90;91 Boards; Removal of View Finder Block

Sony CCD-TR315E
181 pages
Print Icon
To Next Page IconTo Next Page
To Next Page IconTo Next Page
To Previous Page IconTo Previous Page
To Previous Page IconTo Previous Page
Loading...
2-5
5
VF base assembly
3
Tapping screw
4
Tapping screw
7
Three tapping
screws
6
Tilt-up the EVF block to
the direction of arrow.
2
VF flexible retainer sheet
1
Flat cable (FFC-235)
CN008, 4P
—B/W view finder—
CCD-TR315E/TR415E/TR425E/TR515E/TR713E and TRV series
5
VF base assembly
3
Tapping screw
4
Tapping screw
7
Three tapping
screws
6
Tilt-up the EVF block to
the direction of arrow.
2
VF flexible retainer sheet
1
FP-57 flexible board
CN007, 20P
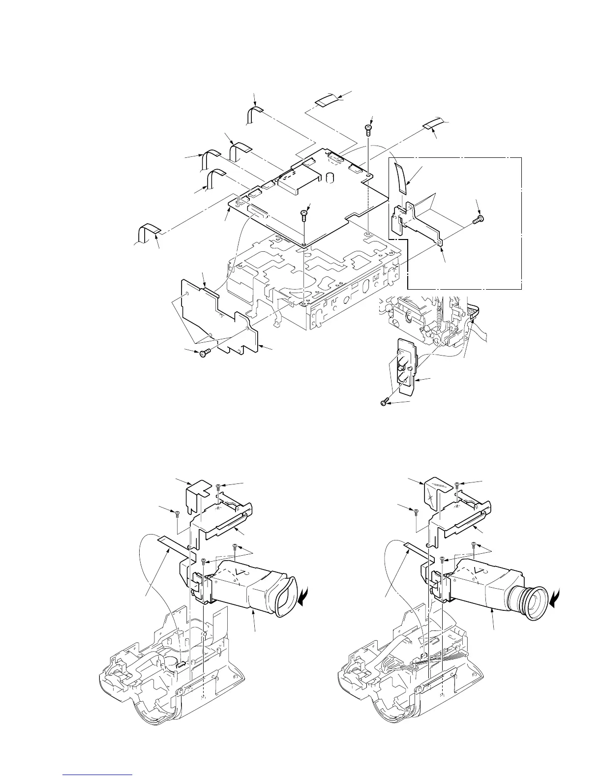
9
FP-220 flexible board
CN901, 8P from loading motor
FP-56 flexible board
CN916, 18P
!∞
FP-621 flexible board
CN902, 12P
7
FP-620 flexible board
(VC side) CN904, 10P
(SE side) CN650, 10P
FP-221 flexible board
CN908, 15P
!™
FP-248 flexible board
CN905, 12P
Flexible board
CN905, 10P
from drum motor
0
Flexible board
CN001, 16P
from video head
Screw (M2x3)
Two screws (M2 x 3)
6
Four screws (M2x3)
8
SE-80/81 board
!•
VC-215 board
1
FP-621 flexible boar
d
CN101, 12P
4
Three screws (M2 x 3)
2
Two screws (M2 x 4)
5
DD-117 board
3
PJ-90/91 board
CN931, 70P
DD-117
board
SE-80/81
VC-215
board
2-10. REMOVAL OF VC-215, SE-80/81, DD-117 AND PJ-90/91 BOARDS
2-11. REMOVAL OF VIEW FINDER BLOCK
—Color view finder—
CCD-TR516E
CCD-TR713E & TRV series

Table of Contents

Related product manuals