EasyManua.ls Logo

Sony CDX-M700R - Schematic Diagram -Main Section (2;4)

Sony CDX-M700R
82 pages
Print Icon
To Next Page IconTo Next Page
To Next Page IconTo Next Page
To Previous Page IconTo Previous Page
To Previous Page IconTo Previous Page
Loading...
53 53
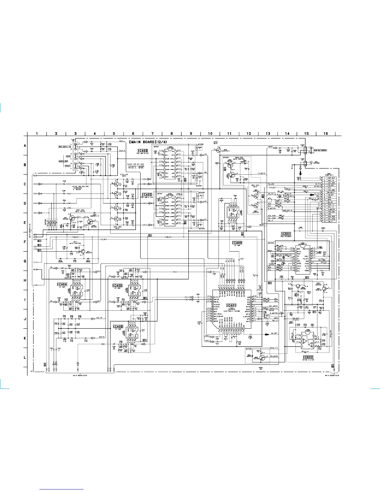
4-11. SCHEMATIC DIAGRAM — MAIN SECTION (2/4) — • Refer to page 60 for IC Block Diagrams.
(Page 55)
(Page 52)
(Page 54)
Note:
Voltage is dc with
respect to ground under
no-signal (detuned)
condition.
no mark : FM
( ) : AM/MW
CDX-M700R/M750

Related product manuals