EasyManua.ls Logo

Sony DXC-9100P - Connexion Dun Appareil VIDéo à Entrée VIDéo Composite

Sony DXC-9100P
188 pages
Print Icon
To Next Page IconTo Next Page
To Next Page IconTo Next Page
To Previous Page IconTo Previous Page
To Previous Page IconTo Previous Page
Loading...
104
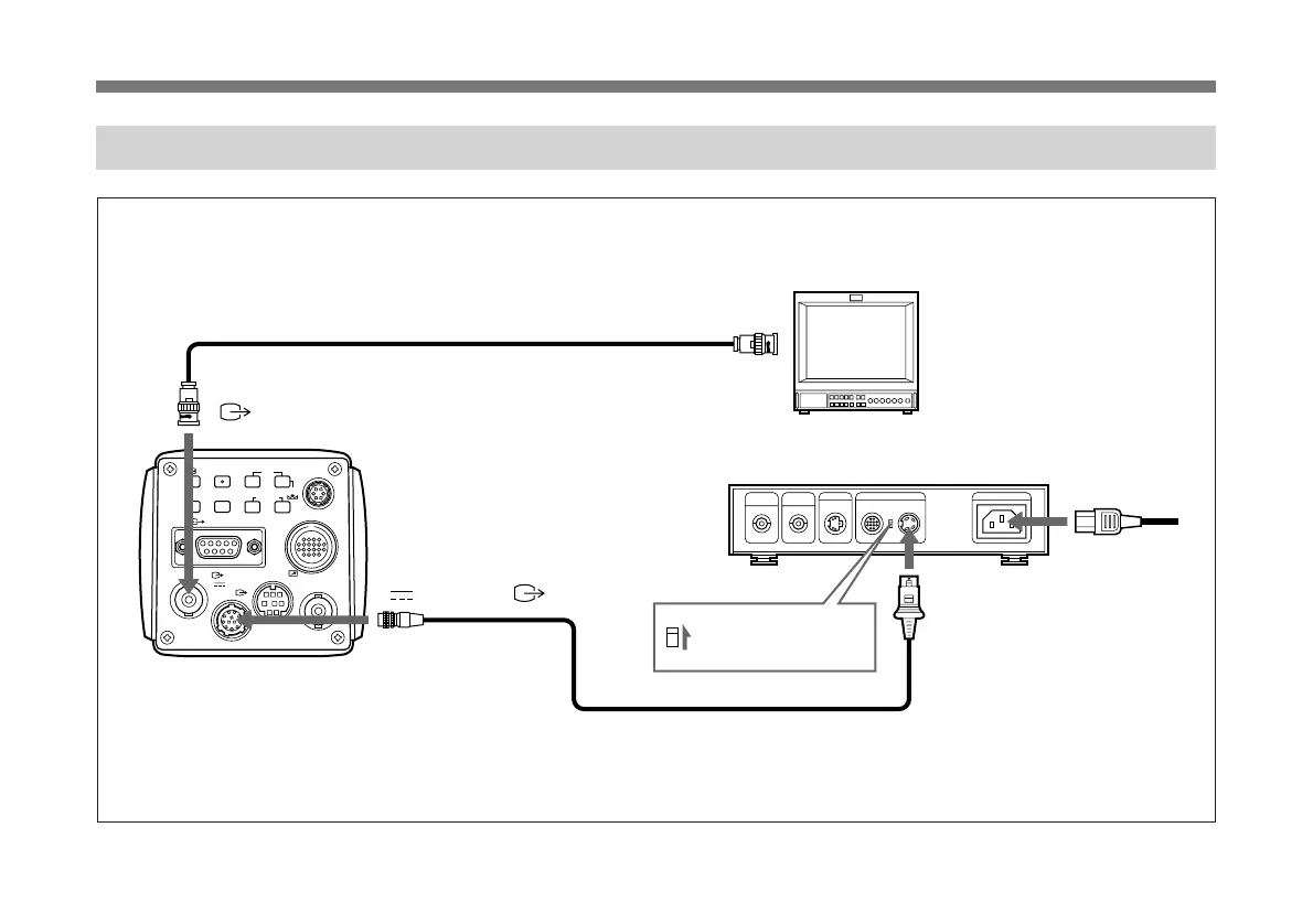
Connexion d’un appareil vidéo à entrée vidéo composite
1
2
VIDEO OUT
EXT CTRL
DC IN/
REMOTE
CCU
LENS
MENU FUNCTION DATA
UP
WHITE
BARS
RGB/SYNC
VBS
SCAN
DOWN
FREEZE
SOURCE
Connexion à l’aide d’un câble CCDC
Câble coaxial 75
Entrée vidéo composite
VIDEO OUT
DC IN/VBS
Câble CCDC-5/10/25/50A/100A
AC IN
Connexions fondamentales
Moniteur vidéo, magnétoscope, etc.
Adaptateur de caméra CMA-D2CE/D2MDCE
CAMERA
(4 broches)
Réglez le sélecteur
MODE en position “1”.
Cordon
d’alimentation
DXC-9100P
Réglage à l’aide d’un câble CCDC (pour l’alimentation électrique uniquement)

Table of Contents

Related product manuals