EasyManua.ls Logo

Sony DXC-9100P - Anschließen an Videogeräte mit FBAS-Videoeingängen

Sony DXC-9100P
188 pages
Print Icon
To Next Page IconTo Next Page
To Next Page IconTo Next Page
To Previous Page IconTo Previous Page
To Previous Page IconTo Previous Page
Loading...
168
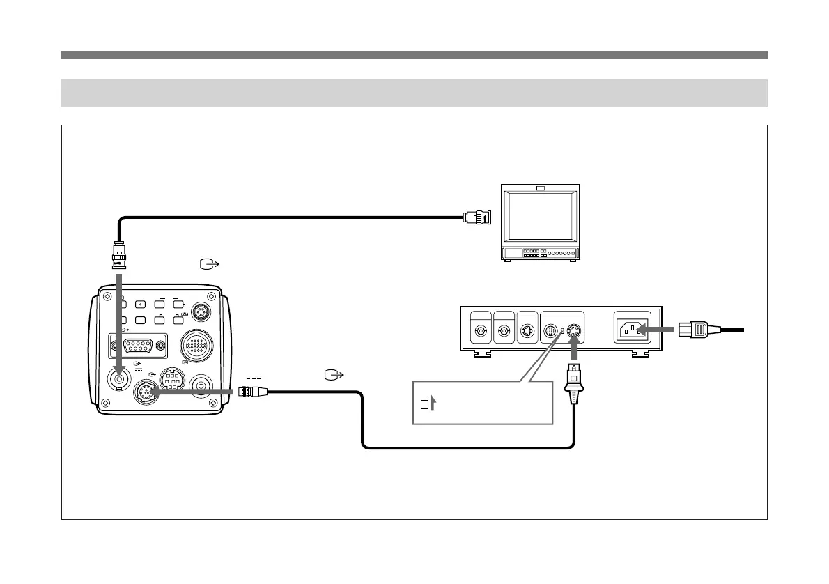
Anschließen über ein CCDC-Kabel (nur zur Stromversorgung)
1
2
VIDEO OUT
EXT CTRL
DC IN/
REMOTE
CCU
LENS
MENU FUNCTION DATA
UP
WHITE
BARS
RGB/SYNC
VBS
SCAN
DOWN
FREEZE
SOURCE
Anschließen über ein CCDC-Kabel
Videomonitor, Videorecorder usw.
FBAS-Videoeingang
VIDEO OUT
DC IN/VBS
Kabel CCDC-5/10/25/50A/100A
CAMERA (4polig)
Netzeingang
AC IN
Netzkabel
Grundlegende Systemanschlüsse
Anschließen an Videogeräte mit FBAS-Videoeingängen
75--Koaxialkabel
DXC-9100P
Kameraadapter CMA-D2CE/D2MDCE
Stellen Sie den
Wählschalter MODE
in die Position “1”.

Table of Contents

Related product manuals