EasyManua.ls Logo

Sony DXC-9100P - Page 43

Sony DXC-9100P
188 pages
Print Icon
To Next Page IconTo Next Page
To Next Page IconTo Next Page
To Previous Page IconTo Previous Page
To Previous Page IconTo Previous Page
Loading...
43
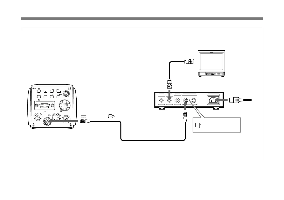
Setup using a CCMC cable (for supplying power to the unit and video signals to the camera adaptor)
Connecting using a CCMC cable
75 coaxial cable
Video monitor, VCR, etc.
Composite video input
VIDEO OUT
EXT CTRL
DC IN/
REMOTE
CCU
LENS
MENU FUNCTION DATA
UP
WHITE
BARS
RGB/SYNC
VBS
SCAN
DOWN
FREEZE
SOURCE
1
2
VIDEO OUT
DC IN/VBS
CCMC-12P02/05/10/25 cable
CMA-D2CE/D2MDCE camera adaptor
CAMERA connector
(12-pin)
Set the MODE
selector to the “1”
position.
AC IN
Power cord
DXC-9100P

Table of Contents

Related product manuals