EasyManua.ls Logo

Sony GN3TR - Block Diagrams

Sony GN3TR
247 pages
Print Icon
To Next Page IconTo Next Page
To Next Page IconTo Next Page
To Previous Page IconTo Previous Page
To Previous Page IconTo Previous Page
Loading...
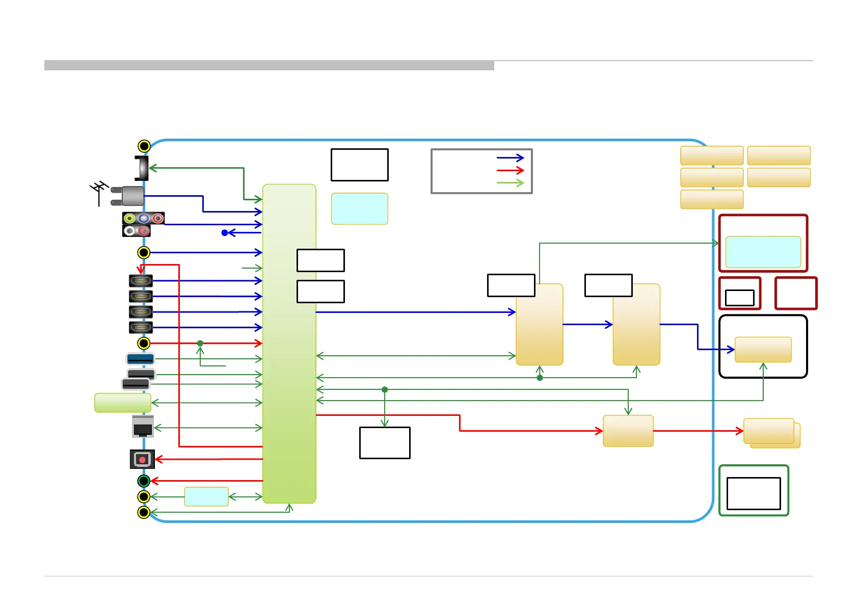
XBR-49/55/65/75X900E
BLOCK DIAGRAMS
54
LD board
(LED Driver)
Panel
Backlight
SPI
D-Amp.
(TAS5760)
SP
SP
FRC
(MFC11)
4K
PQ
(PiQ)
I2C
2-ch
BMKS board
Temp
Sensor
(I2C)
Main
SoC
(Muffin2)
WiFi/BT
(J20H088.00)
Vx1 8-lane
DDR3
4Gibit x 5
eMMC
16GB
DDCs
Ethernet
Optical
Out
Component/
Composite
HDMI
USB HS
SPI Flash
32Mibit
I2C
UART
CEC
2x3G
2x6G
Video signal
Audio signal
Control Bus
IRB Micro
UART
USB3.0
USB2.0
HP/Line Out
S/PDIF
I2S
S/PDIF
Test point
Video out
UART
Composite
Power
Micro
(STM8S103F2U6)
TSA
Temp Sensor
for XDR
(Analog)
Tcon
75:TinyMac2.8
(STM32F401RBT6)
Other: TinyMac0.5
(STM32F071RBT6)
IR Rx
Center Key RGBW LEDs
Light Sens. L/R Keys
IR
I2C
I2C
SPI Flash
16Mibit
Vx1 16-lane
4K/120p
Vx1 8-lane
Some control lines are left out.
JK (ADP)
Cur.
Sens.
Gx
(PSU)
or
* CAS/CI
* IR Blaster
* RS232C
* DVI Audio In/
IR Pass Through
* depend on destinations.
* IR In
* RF
Some control lines are left out.

Table of Contents

Related product manuals