EasyManua.ls Logo

Sony HBD-E280 - Page 59

Sony HBD-E280
100 pages
Print Icon
To Next Page IconTo Next Page
To Next Page IconTo Next Page
To Previous Page IconTo Previous Page
To Previous Page IconTo Previous Page
Loading...
HBD-E280/T28
59
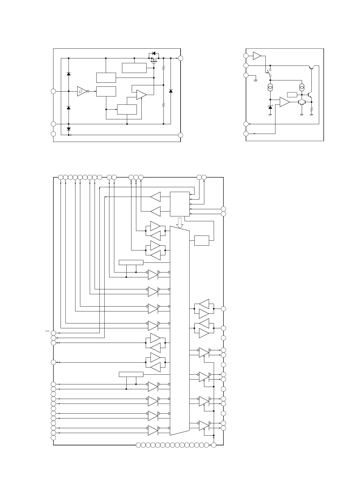
IC5302 S-1170B33UC-OTSTFG IC5305, 6501 SI-3010KM-TLS
VOUT
VIN
5
ON/OFF
4
1
VSS
2
NC
3
+
OVERCURRENT
PROTECTION
THERMAL
SHUTDOWN
REFERENCE
VOLTAGE
ON/OFF
CONTROL
1VC
TSD
2VIN
3GND
4VOUT
5ADJ
+
REF
IC5701 TMDS261BPAGR
49
48
LP
55VCC
61VCC
58GND
63D2+_2
D1+_2
62D2_2
64NC
60
59D1_2
D0+_2 57
56D0_2
TMDS RX W/AEQ
TMDS RX W/AEQ
TMDS RX W/AEQ
TMDS RX W/AEQ
TMDS RX W/AEQ
TMDS RX W/AEQ
TMDS TX
CLK+_2 54
53
52
CLK_2
SCL2
TMDS RX
TMDS RX
CLOCK DETECT
CLOCK
DETECT
CLOCK DETECT
TX
RX
51SDA2
50HPD2
D2+_1
47
D2_1
45
D1+_1
44
D1_1
42
D0+_1
41
D0_1
39
CLK+_1
38
CLK_1
37
SCL1
36
SDA1
35
HPD1
46
VCC
40
VCC
43
GND
TX
RX
TX
RX
34
I2C_SEL
33
32
S2/SDA
S1/SCL
TX
RX
RX
31 HPD_SINK
30 SDA_SINK
2:1
MUX
LOCAL I2C
AND
CONTROL
LOGIC
TX
RX
29 SCL_SINK
27 CLK_SINK
28 GND
22 GND
25 VCC
TX
26 CLK+_SINK
TMDS TX
21 D1_SINK
19 VCC
20 D1+_SINK
TMDS TX
18 D2_SINK
17 D2+_SINK
TMDS TX
24 D0_SINK
23 D0+_SINK
16
VSADJ
15
GND
14
NC
13
NC
11
NC
10
NC
12
VCC
9
GND
8
NC
7
NC
3
GND
2
NC
1
NC
5
NC
4
NC
6
VCC

Table of Contents

Related product manuals