EasyManua.ls Logo

Sony HBD-E280 - Page 62

Sony HBD-E280
100 pages
Print Icon
To Next Page IconTo Next Page
To Next Page IconTo Next Page
To Previous Page IconTo Previous Page
To Previous Page IconTo Previous Page
Loading...
HBD-E280/T28
62
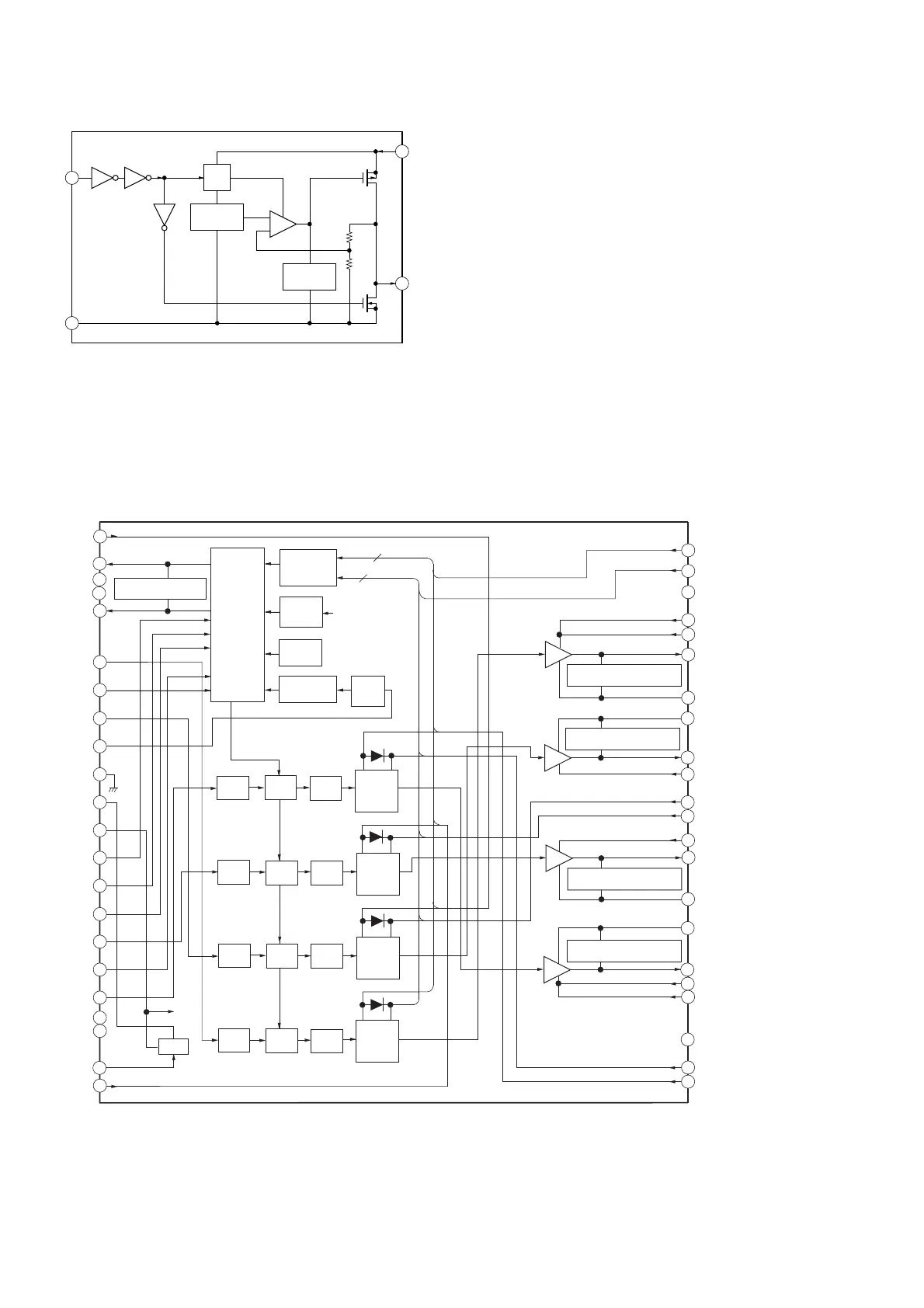
IC3050 MM3404A18URE
IC3100, 3200, 3300 CXD9981TN
VOUT
3
CE 1
GND
2
VDD
4
+
VOLTAGE
REFERENCE
CURRENT
LIMIT
BIAS
12
11
10
13
14
15
16
9
8
17
18
22
21
5
6
7
26
25
4
AGND
GVDD_C
GND
GND_B
OUT_D
GND_D
GND_C
GND_A
OUT_A
44
41
40
39
38
37
36
35
34
33
32
31
30
29
28
27
PWM
RCV.
OVERLOAD
PROTECTION
TEMP.
SENSE
GATE
DRIVE
ISENSE
POWER
ON
RESET
INTERNAL PULLUP
RESISTORS TO VREG
OUT_C
BST_C
PVDD_C
PVDD_D
PVDD_D
NC
BST_D
GVDD_D
BST_B
OUT_B
PVDD_B
GVDD_
A
PVDD_A
PVDD_A
VREG
VDD
PWM_D
/RESET_CD
PWM_C
M1
M2
M3
VREG
OC_ADJ
PWM_B
/RESET_AB
/SD
/OTW
PWM_A
2
NC
3
1
NC
GVDD_B
20
NC
19
NC
PROTECTION
AND
I/O LOGIC
BTL/P BTL-CONFIGURATION
PULLDOWN RESISTORS
BTL/P BTL-CONFIGURATION
PULLDOWN RESISTORS
BTL/P BTL-CONFIGURATION
PULLDOWN RESISTORS
BTL/P BTL-CONFIGURATION
PULLDOWN RESISTORS
UNDER
VOLTAGE
PROTECTION
VREG
43 BST_A
42 NC
24
23
VREG
4
4
CTRT.
TIMING
PWM
RCV.
GATE
DRIVE
CTRT.
TIMING
PWM
RCV.
GATE
DRIVE
CTRT.
TIMING
PWM
RCV.
GATE
DRIVE
CTRT.
TIMING

Table of Contents

Related product manuals