EasyManua.ls Logo

Sony HBD-E4100 - Page 61

Sony HBD-E4100
94 pages
Print Icon
To Next Page IconTo Next Page
To Next Page IconTo Next Page
To Previous Page IconTo Previous Page
To Previous Page IconTo Previous Page
Loading...
HBD-E2100/E3100/E3200/E4100/E6100
61
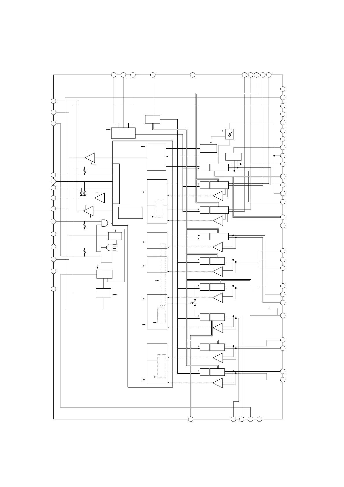
IC601 TPIC2060ADFDRG4 (MB1002 BOARD (4/6))
7
C10V
6
PGND_2
5
SLED2_N
4
SLED2_P
3
P12V_SLD
2
SLED1_N
1
SLED1_P
56 NC
55 LIN FB
54 LIN 9VG
53 TEST
52 NC
51 AGND
50 NC
49 MCOM
48 PGND_SPM2
47 W
45 V
44 PGND_SPM1
43 U
42 P12V_SPM1
41 PGND_1
40 FCS_N
39 FCS_P
38 TRK_N
37 TRK_P
36 TLT_P
35 TLT_N
33 STP1_P
32 STP1_N
31 STP2_P
30 STP2_N
11GPOUT
12XFG
13RDY
14SSZ
15SCLK
16SIMO
17SOMI
18SIOV
19XRSTIN
20NC
21NC
22CV3P3
23AGND
24NC
27
LOAD_P
26
LOAD_N
25
P5V12L
28
CA5V
29
NC
LDO
control
Digital core
DAC PWM
int 3.3V
Regulator
P5V
SPM_ENA
Power
monitor
SIOV
SIOV
200k200k
200k
33k
19V
F/B
F/B
XSLEEP
On chip
thermometer
SIOV
5V Analog
LIN9V_DIS
P12V
Charge
pump
SPM
Current limit
BEMF
detector
SPM Logic
DAC PWM
pre
-driver
pre
-driver
pre
-driver
pwr FET
pwr FET
SPM_RCOM
SLD_ENA
SLD_E_ENA
10
CP3
9
CP2
8
CP1
SPI I/F
P5V
SLED END
det
DAC PWM
TLT_ENA
FCS_ENA
ACTTEMPTH>0
ACTTEMP
LOAD_ENA
TRAY_E_ENA
DAC PWM
STP_ENA
STEP_E_ENA
TRK_ENA
TRAY xxx
det
DAC PWM
I-F/B
I-F/B
pre
-driver
pre
-driver
F/B
analog
pre
-driver
DAC PWM
F/B
pre
-driver
pwr FET
F/B
pre
-driver
F/B
TPIC2060A
pre
-driver
46 P12V_SPM2
pwr FET
XSLEEP
SIOV
GPOUTENA
SIOV
STEP END
det
int 10V
Regulator
34 P5V
pwr FET
pwr FET
pwr FET
pwr FET
pwr FET
Ver. 1.5

Table of Contents

Related product manuals