EasyManua.ls Logo

Sony HCD-D790 - SECTION 6 DIAGRAMS; 6-2. BLOCK DIAGRAMS - CD SECTION

Sony HCD-D790
88 pages
Print Icon
To Next Page IconTo Next Page
To Next Page IconTo Next Page
To Previous Page IconTo Previous Page
To Previous Page IconTo Previous Page
Loading...
HCD-D390/D790/G5500/XB33/XB44/XB50/XB60
SECTION 6
DIAGRAMS
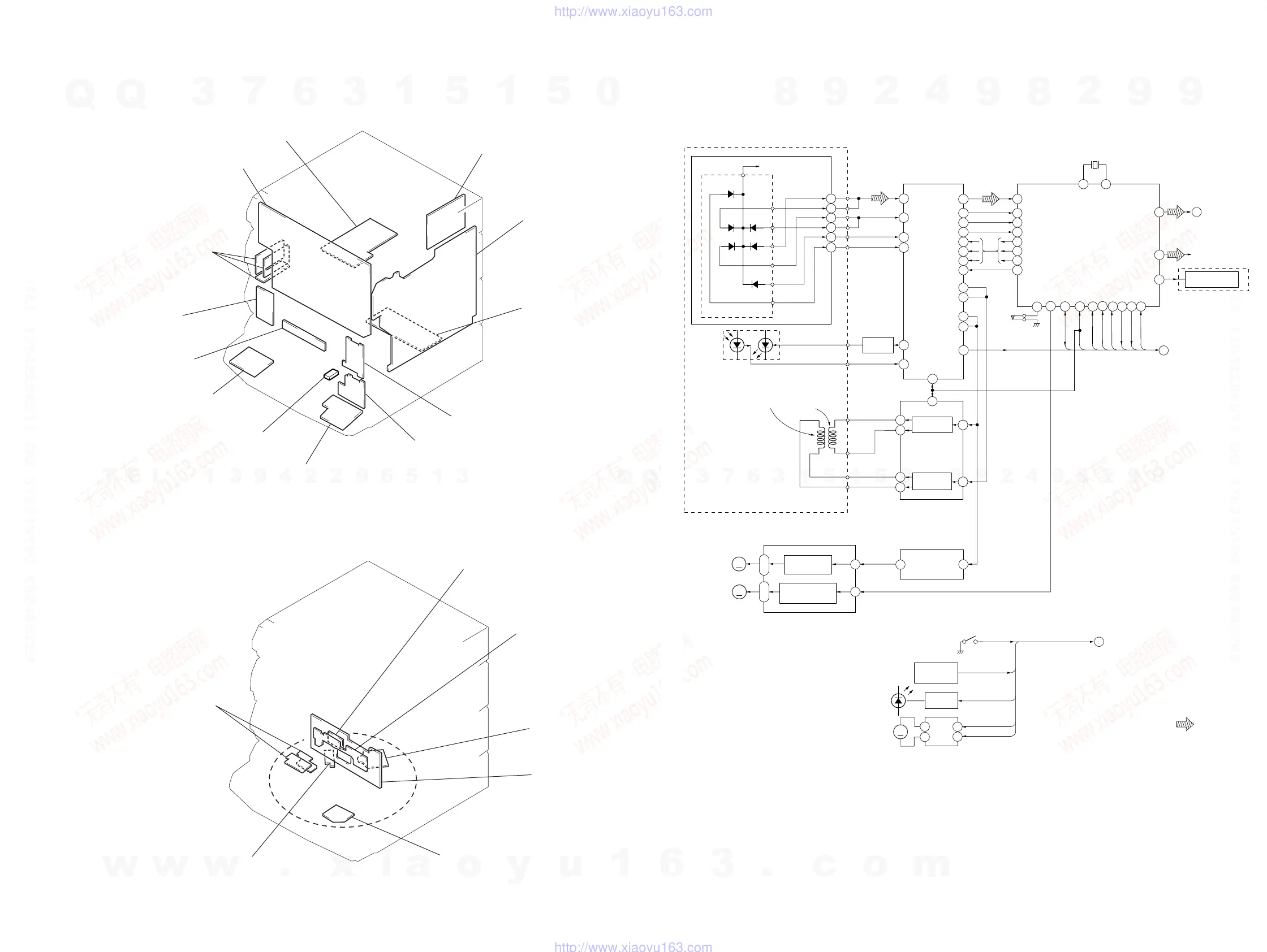
6-1. CIRCUIT BOARD LOCATION
— 25 — — 26 —
6-2. BLOCK DIAGRAMS – CD SECTION –
TRANS board
PANEL board
HEADPHONE-MIC
board
TC-A SW
board
CD-A SW board
DOOR SW board
LED board
CD-B2 SW board
CD-B1 SW board
TC-B SW board
POWER AMP
board
MAIN board
TCB board
MOTOR board
LEAF SWITCH
board
BD board
AUDIO boar
d
BD LED board
CD MOTOR board
TABLE SENSOR board
M
M
M
1
3
7
9
61
60
62
76
77
IC201
MOTOR
DRIVE
Q201
SWITCH
IC202
DISC TABLE
SENSOR
M201
TABLE MOTOR
S201
UP SWITCH
12
.
11
14
.
13
7891012
11
100
21
27
75
17
16
15
14
13
23
29
44
89 90
86
93
71
6
7
20
19
13
12
21
22
33
23
24
25
26
27
36
37
38
39
41
42
1
2
4
5
6
10
9
18
17
16
15
26
27
3
6
16
14
OPTICAL PICK-UP BLOCK
DETECTOR K
B+
E
A
B
D
C
F
A
D
C
B
LASER
DIODE
TRACKING
COIL
FOCUS
COIL
2-AXIS
DEVICE
SLED / SPINDLE
MOTOR DRIVE
IC102 (2 / 2)
M102
SLED MOTOR
M101
SPINDLE MOTOR
SLED MOTOR
DRIVE
SPINDLE MOTOR
DRIVE
SLO SL-P
SLED
SERVO
IC101 (2 / 2)
F+
F-
T+
T-
FOCUS
COIL DRIVE
TRACKING
COIL DRIVE
FOCUS / TRAKING
COIL DRIVE
IC102 (1 / 2 )
MUTE
Q101
LD DRIVE
PD1
PD2
F
E
LD
PD
XRST
SENS2
TA-O
TA-M
FE-M
FE-O
LOCK
CLK
XLT
DATA
FOK
SENS1
C,OUT
RFO
73
S101
LIMIT SWITCH
R-CH
LOUT1
LOUT2
IC391
CD DIGITAL OUT
D OUT
RF
CNIN
SEIN
FOK
DATAO
XLTO
CLKO
LOCK
IC103
DIGITAL SIGNAL
PROCESSOR
SPOD
MDP
SCOR
XRST
CLOCK
XLAT
DATA
SENS
SQSQ
SQCK
18
57
48
58
47
74
34
36
MAIN
SECTION
MAIN
SECTION
MAIN
SECTION
C
D
E
R CH:Same as L CH
SIGNAL PATH
:CD
IC101(1/2)
FOCUS/TRACKING
/SLED/SERVO
RF AMP
X101
16.9344MHz
(page 31)
(page 32)
(page 32)
XB33/XB44/XB50/XB60
w
w
w
.
x
i
a
o
y
u
1
6
3
.
c
o
m
Q
Q
3
7
6
3
1
5
1
5
0
9
9
2
8
9
4
2
9
8
T
E
L
1
3
9
4
2
2
9
6
5
1
3
9
9
2
8
9
4
2
9
8
0
5
1
5
1
3
6
7
3
Q
Q
TEL 13942296513 QQ 376315150 892498299
TEL 13942296513 QQ 376315150 892498299
http://www.xiaoyu163.com
http://www.xiaoyu163.com

Related product manuals