EasyManua.ls Logo

Sony HCD-D790 - 6-4. SCHEMATIC DIAGRAM - BD SECTION; BD Section Schematic

Sony HCD-D790
88 pages
Print Icon
To Next Page IconTo Next Page
To Next Page IconTo Next Page
To Previous Page IconTo Previous Page
To Previous Page IconTo Previous Page
Loading...
HCD-D390/D790/G5500/XB33/XB44/XB50/XB60
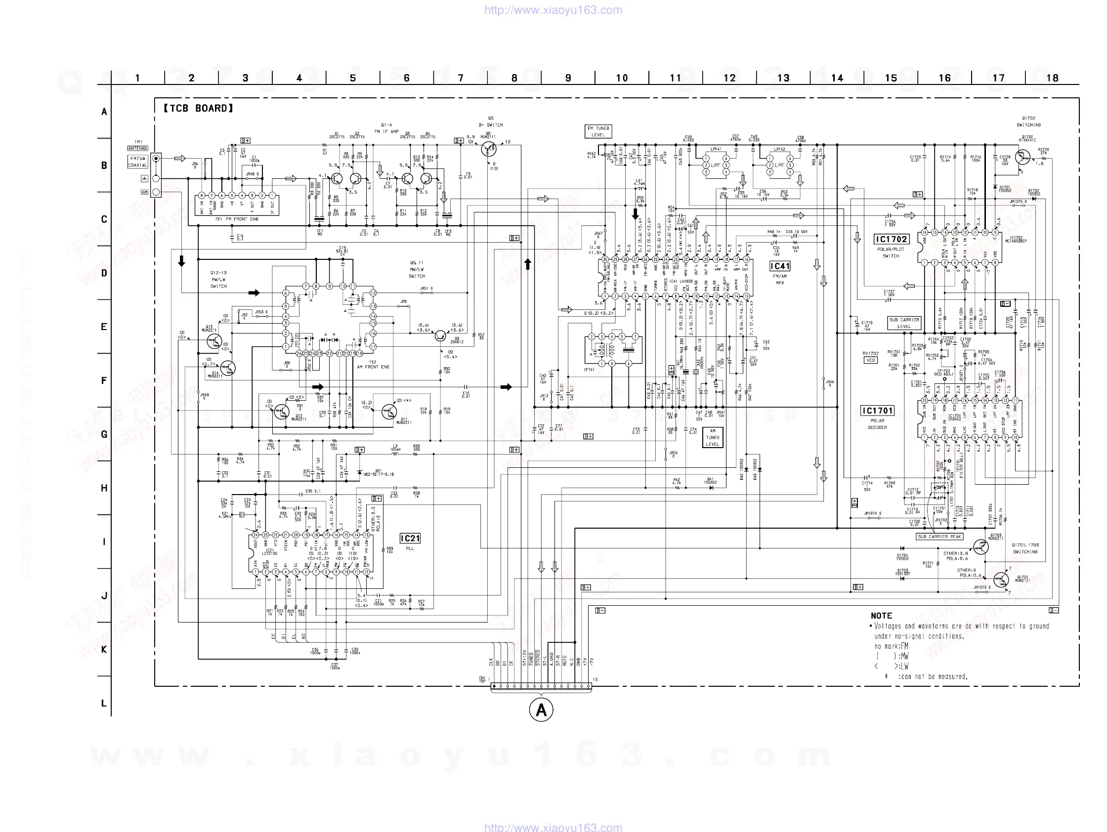
6-10. SCHEMATIC DIAGRAM – TUNER SECTION – (East European, CIS model) • See page 34 for Waveforms. • See page 83 for IC Block Diagrams.
— 47 — — 48 —
MAIN BOARD
CN201 (Page 73)
16
!™
w
w
w
.
x
i
a
o
y
u
1
6
3
.
c
o
m
Q
Q
3
7
6
3
1
5
1
5
0
9
9
2
8
9
4
2
9
8
T
E
L
1
3
9
4
2
2
9
6
5
1
3
9
9
2
8
9
4
2
9
8
0
5
1
5
1
3
6
7
3
Q
Q
TEL 13942296513 QQ 376315150 892498299
TEL 13942296513 QQ 376315150 892498299
http://www.xiaoyu163.com
http://www.xiaoyu163.com

Related product manuals