EasyManua.ls Logo

Sony HCD-D890AV - Page 22

Sony HCD-D890AV
99 pages
Print Icon
To Next Page IconTo Next Page
To Next Page IconTo Next Page
To Previous Page IconTo Previous Page
To Previous Page IconTo Previous Page
Loading...
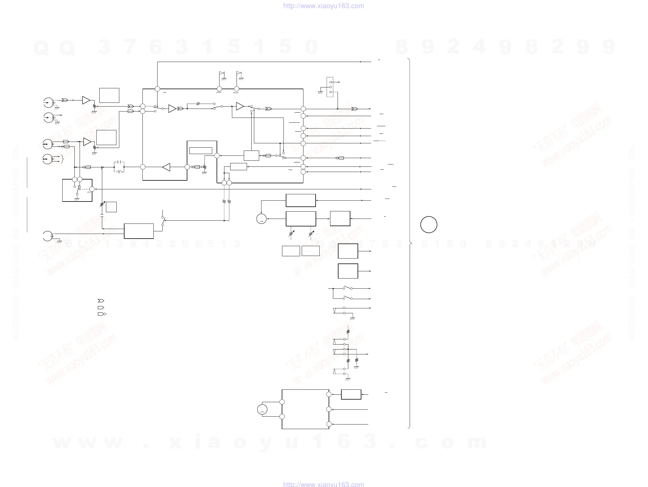
– DECK SECTION –
– 25 – – 26 –
HCD-D890AV/XB55AV/XB80AV/XB88AV
IC611
R CH
HP101
PB HEAD
(DECK A)
L
R
RV311
PLAYBACK
LEVEL
DECK A
IC601
R CH
L
R
RV301
PLAYBACK
LEVEL
DECK B
3
1
IC602
4
REC/PB
EQOUT
REC BIAS
BIAS OSC
T621, Q621, 622
ERASE HEAD
ERASE BIAS
4
2
B IN
A IN
12
PB-A/B
EQIN
10
11
RV301
REC LEVEL
10
RECOUT
BIAS SW
NORM
CROM
70
120
DOLBY
TYPE B
+7.5V
Q623, 901
RIN
6
PB
19
14
16
17
8
20
PB OUT
LM ON/
OFF
BIAS ON/OFF
RM ON/OFF
PB L
REC L
PB A/B
NORM/HIGH
REC/PB/PASS
BIAS ON/OFF
RM ON/OFF
RELAY REC/PB
09
B
MAIN
SECTION
LM ON/OFF
NORM/
HIGH
PAS
DOL
P
R
REC/PB HEAD
(DECK B)
X
DECK PROCESS
DOLBY NR
IC401
HRPE101
RV341
REC
BIAS
24 25
18
NR ON/
OFF
NR ON/OFF
13
S1004
A CrO
2
S1008
B CrO
2
15
A 120/70
B 120/70
M
CAP M SWITCH
Q405, 407
SPEED
CONTROL
Q651
SWITCH
Q406
RV652
HIGH
SPEED
RV651
NORMAL
SPEED
M1
CAPSTAN
MOTOR
CAP M ON/OFF
CAP M H / L
REEL
DETECT
Q1001
A SHUT
B SHUT
REEL
DETECT
Q1002
S1001 (A PLAY)
+5V
S1002 (B PLAY)
A PLAY
B PLAY
A HALF
S1003
(A HALF)
+5V
S1005
(REC A)
S1006
(B HALF)
S1009
(REC B)
SWITCH
Q408, 409
TRIG H / L
B TRIG
A TRIG
4
6
5
TRIGGER
MOTOR
DRIVE
IC402
VZ
IN2
IN1
OUT1
OUT2
2
10
M
M2
TRIGGER
MOTOR
BHALF
(Page 27)
• R CH : Same as L ch
• SIGNAL PATH
: PB (DECK A)
: PB (DECK B)
: REC (DECK B)
R CH
CN403
1
3
w
w
w
.
x
i
a
o
y
u
1
6
3
.
c
o
m
Q
Q
3
7
6
3
1
5
1
5
0
9
9
2
8
9
4
2
9
8
T
E
L
1
3
9
4
2
2
9
6
5
1
3
9
9
2
8
9
4
2
9
8
0
5
1
5
1
3
6
7
3
Q
Q
TEL 13942296513 QQ 376315150 892498299
TEL 13942296513 QQ 376315150 892498299
http://www.xiaoyu163.com
http://www.xiaoyu163.com

Table of Contents

Related product manuals