EasyManua.ls Logo

Sony HCD-D890AV - Schematic Diagram - Trans Section

Sony HCD-D890AV
99 pages
Print Icon
To Next Page IconTo Next Page
To Next Page IconTo Next Page
To Previous Page IconTo Previous Page
To Previous Page IconTo Previous Page
Loading...
– 81 –
– 82 –
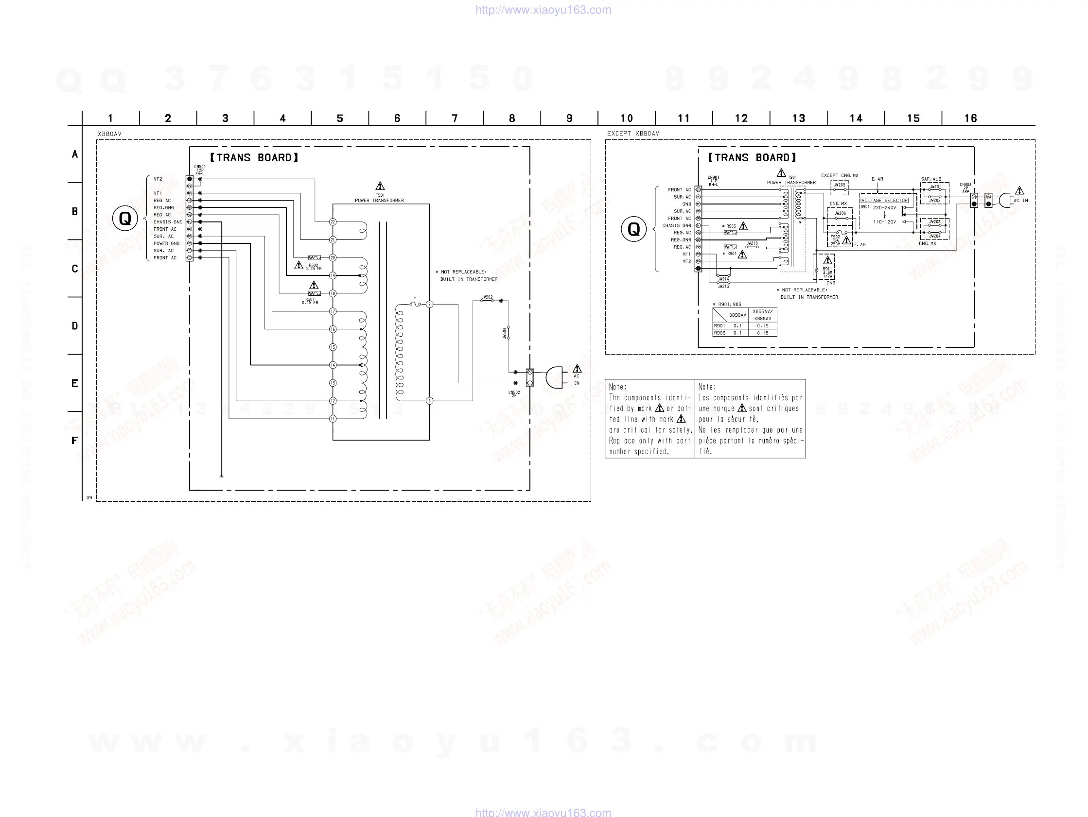
6-28. SCHEMATIC DIAGRAM – TRANS SECTION –
HCD-D890AV/XB55AV/XB80AV/XB88AV
(Page 62)
(Page 62)
w
w
w
.
x
i
a
o
y
u
1
6
3
.
c
o
m
Q
Q
3
7
6
3
1
5
1
5
0
9
9
2
8
9
4
2
9
8
T
E
L
1
3
9
4
2
2
9
6
5
1
3
9
9
2
8
9
4
2
9
8
0
5
1
5
1
3
6
7
3
Q
Q
TEL 13942296513 QQ 376315150 892498299
TEL 13942296513 QQ 376315150 892498299
http://www.xiaoyu163.com
http://www.xiaoyu163.com

Table of Contents

Related product manuals