EasyManua.ls Logo

Sony HCD-D890AV - Printed Wiring Board - Power Section

Sony HCD-D890AV
99 pages
Print Icon
To Next Page IconTo Next Page
To Next Page IconTo Next Page
To Previous Page IconTo Previous Page
To Previous Page IconTo Previous Page
Loading...
– 59 – – 60 –
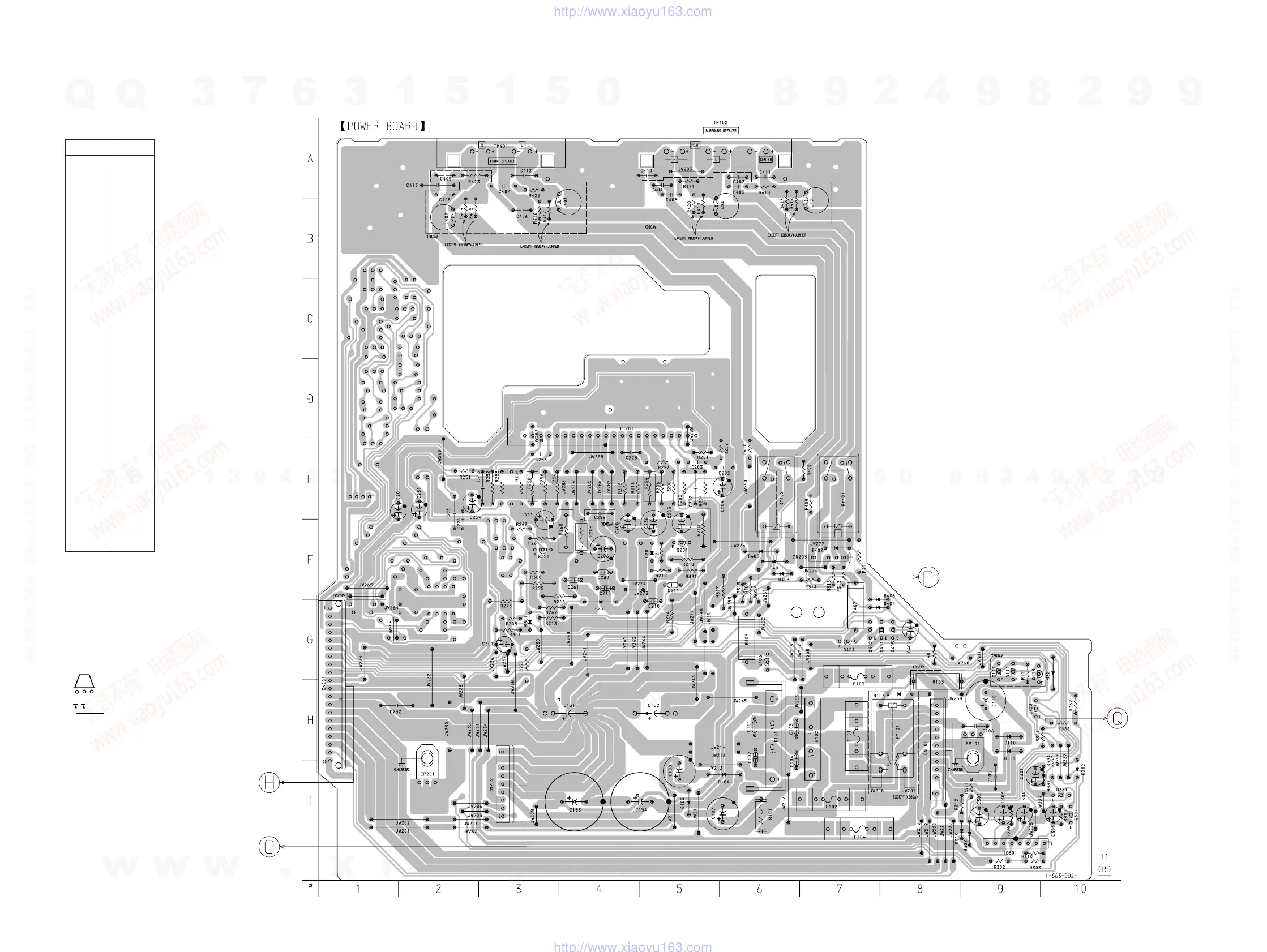
6-17. PRINTED WIRING BOARD – POWER SECTION –
• See page 18 for Circuit Boards Location.
Ref. No. Location
Semiconductor
Location
Indication of transistor
HCD-D890AV/XB55AV/XB80AV/XB88AV
D101 H-6
D102 H-7
D103 H-8
D104 I-6
D105 I-5
D110 H-9
D111 H-9
D201 F-5
D251 G-4
D301 G-3
D302 I-9
D303 I-9
D321 G-10
D331 I-10
D332 I-10
D401 F-6
D402 F-7
D403 F-6
D404 G-8
D405 F-6
D406 F-8
IC201 D-4
IC301 I-9
Q111 G-9
Q112 G-9
Q113 G-9
Q201 F-5
Q251 F-3
Q301 I-10
Q323 H-9
Q331 I-10
Q401 G-8
Q402 G-7
Q403 G-6
Q404 G-7
Q405 G-8
C
These are omitted
EB
(Page 43)
(Page 83)
(Page 79, 80)
(Page 83)
w
w
w
.
x
i
a
o
y
u
1
6
3
.
c
o
m
Q
Q
3
7
6
3
1
5
1
5
0
9
9
2
8
9
4
2
9
8
T
E
L
1
3
9
4
2
2
9
6
5
1
3
9
9
2
8
9
4
2
9
8
0
5
1
5
1
3
6
7
3
Q
Q
TEL 13942296513 QQ 376315150 892498299
TEL 13942296513 QQ 376315150 892498299
http://www.xiaoyu163.com
http://www.xiaoyu163.com

Table of Contents

Related product manuals