EasyManua.ls Logo

Sony HCD-D890AV - Front Panel Section 1

Sony HCD-D890AV
99 pages
Print Icon
To Next Page IconTo Next Page
To Next Page IconTo Next Page
To Previous Page IconTo Previous Page
To Previous Page IconTo Previous Page
Loading...
– 101 –
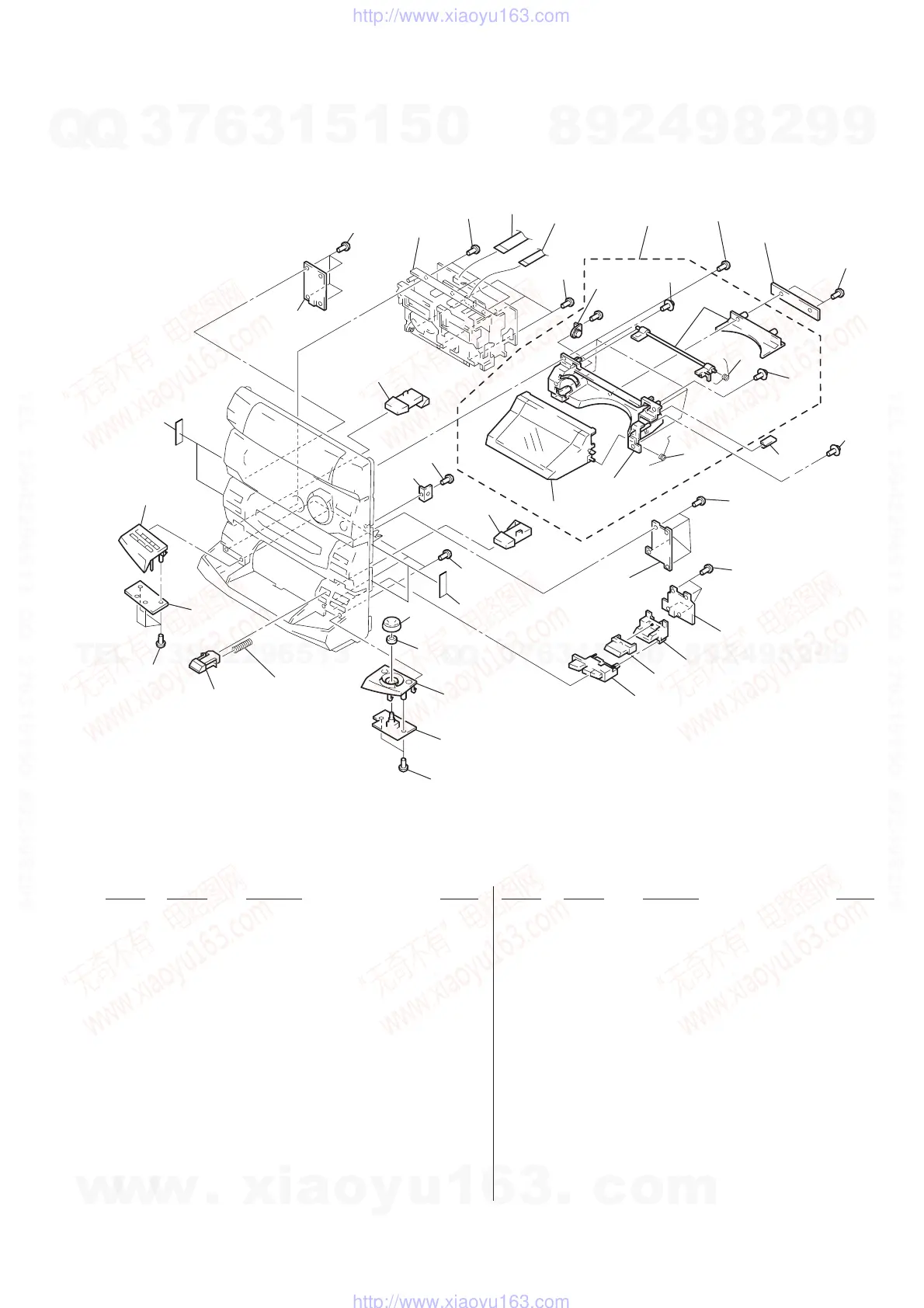
7-2. FRONT PANEL SECTION 1
Ref. No. Part No. Description Remark Ref. No. Part No. Description Remark
55
57
57
58
59
73
60
62
57
57
61
62
62
77
63
64
57
76
57
68
74
75
69
67
66
56
57
57
78
70
71
51
52
53
57
54
Supplied
with S711
TCM-220WR2
not supplied
not supplied
#8
72
57
78
65
57
51 4-987-995-01 SPRING (CD EJECT), COMPRESSION
52 4-987-001-11 BUTTON (EJECT CD)
* 53 1-664-019-11 CD-A SW BOARD
54 X-4949-273-1 PANEL (A) SUB ASSY (D890AV)
54 X-4949-282-1 PANEL (A) SUB ASSY (XB55AV/XB80AV/XB88AV)
* 55 1-664-012-11 TC-A SW BOARD
56 4-986-999-11 BUTTON (EJECT A)
57 4-951-620-01 SCREW (2.6X8), +BVTP
58 1-773-163-11 WIRE (FLAT TYPE) (21 CORE)
59 1-769-949-11 WIRE (FLAT TYPE) (11 CORE)
60 3-354-963-01 DAMPER
* 61 1-664-017-11 CD-LED SW BOARD
62 4-957-577-01 SCREW PTP WH (2.6X8) (DIA. 10)
* 63 1-664-016-11 DOOR SW BOARD
64 X-4949-684-1 LID ASSY, DISC (D890AV/XB80AV)
64 X-4949-685-1 LID ASSY, DISC (XB55AV/XB88AV)
* 65 4-987-933-01 BRACKET (TA)
66 4-987-000-11 BUTTON (EJECT B)
* 67 1-664-013-11 TC-B SW BOARD
* 68 1-664-020-11 CD-B1 SW BOARD
69 X-4949-279-1 BUTTON (CD STOP) ASSY
70 4-987-037-11 KNOB (JOG)
71 X-4949-274-1 PANEL (B) SUB ASSY
* 72 1-664-021-11 CD-B2 SW BOARD
73 A-4384-908-A LID ASSY, CD (D890AV/XB80AV)
73 A-4384-916-A LID ASSY, CD (XB55AV/XB88AV)
74 4-987-002-11 BUTTON (CD.PLAY)
75 4-987-014-01 INDICATOR (CD)
76 4-987-997-01 SPRING (CD.LID), TORSION
77 4-987-998-01 SPRING (LOCK SHAFT), TORSION
78 3-568-749-00 CUSHION, ECM
w
w
w
.
x
i
a
o
y
u
1
6
3
.
c
o
m
Q
Q
3
7
6
3
1
5
1
5
0
9
9
2
8
9
4
2
9
8
T
E
L
1
3
9
4
2
2
9
6
5
1
3
9
9
2
8
9
4
2
9
8
0
5
1
5
1
3
6
7
3
Q
Q
TEL 13942296513 QQ 376315150 892498299
TEL 13942296513 QQ 376315150 892498299
http://www.xiaoyu163.com
http://www.xiaoyu163.com

Table of Contents

Related product manuals