EasyManua.ls Logo

Sony HCD-D890AV - Page 59

Sony HCD-D890AV
99 pages
Print Icon
To Next Page IconTo Next Page
To Next Page IconTo Next Page
To Previous Page IconTo Previous Page
To Previous Page IconTo Previous Page
Loading...
– 90 –
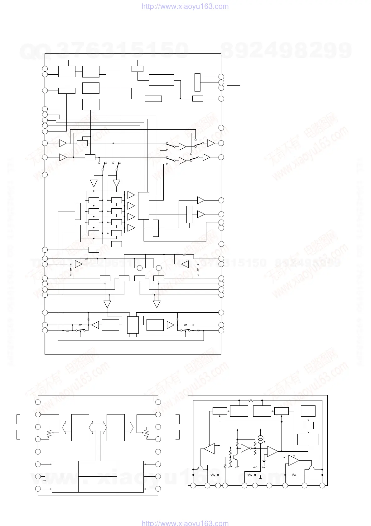
IC901 LA5617
IC604 TC9210P
IC601 LA2786
1
2
3
4
5
6
7
8
9
15
10
11
12
+
13
14
16
21
18
19
25
17
24
22
23
20
34
32
33
29
30
35
28
31
27
26
36
40
39
38
37
41
42
NOISE
FILTER
NOISE
CH
BALANCE
CONTROL
VR
CONTROL
LPF
V REF
VR
VR
NOISE
GENERATOR
VCAVCA
VCAVCA
VCAVCA
VCAVCA
LPF
LPF
RECT RECT RECT RECT
P. S.P. S.
CMODE
MUTE
DIVIDER
OSC
CONTROL
CTRIM
LOG
DIFF
LOG
DIFF
DUAL T
CONTROL
L-IN
R-IN
V
SS
CLK
DATA
V
CC
L-OUT
R-OUT
S-OUT
C-OUT
ENABLE
OSC1
CMODE-CAP.
C-TRIM DC CUT
R-BPF1
R-BPF2
R-BPF3
DC CUT
DC CUT
L-R RECT
L+R RECT
VCS-TH
VCS-1
VCS-2
BPF1
BPF2
VREF
S-CH DC OUT
C-CH DC OUT
L-CH DC OUT
R-CH DC OUT
VREF
L-BPF1
L-BPF2
L-BPF3
DC CUT
DC CUT
R RECT
L RECT
VLR-TH
VLR-1
VLR-2
+
L-CH
DATA
LATCH
CIRCUIT
R-CH
DATA
LATCH
CIRCUIT
2
3
4
5
6
7
8
1
15
14
13
12
11
10
9
16
SHIFT RESISTER
(13bit)
STROBE OSC
CIRCUIT
LEVEL
SHIFT
CIRCUIT
LEVEL
SHIFT
CIRCUIT
VSS
OUT
INL-CH
A-GND
NC
CS1
GND
CK
V
DD
OUT
IN
A-GND
NC
CS2
STB
DATA
R-CH
ON/OFF
CURRENT
LIMITER
START
CIRCUIT
VREF
OVER HEAT
PROTECT
ON/OFF
CURRENT
LIMITER
1
2 3
4
5 6 7 8 9
10
VCC
VMUTE VCC
VREF
ERROR
AMP
VREF
ERROR
AMP
VO1
VCC
CN1
EN
EN DISPLAY
GND
NC
CN2
VEE
VO2
~_
1.8V
~_
140uA
COMPARATER
w
w
w
.
x
i
a
o
y
u
1
6
3
.
c
o
m
Q
Q
3
7
6
3
1
5
1
5
0
9
9
2
8
9
4
2
9
8
T
E
L
1
3
9
4
2
2
9
6
5
1
3
9
9
2
8
9
4
2
9
8
0
5
1
5
1
3
6
7
3
Q
Q
TEL 13942296513 QQ 376315150 892498299
TEL 13942296513 QQ 376315150 892498299
http://www.xiaoyu163.com
http://www.xiaoyu163.com

Table of Contents

Related product manuals