EasyManua.ls Logo

Sony HCD-EX1 - Main Board Schematic (3;3)

Sony HCD-EX1
46 pages
Print Icon
To Next Page IconTo Next Page
To Next Page IconTo Next Page
To Previous Page IconTo Previous Page
To Previous Page IconTo Previous Page
Loading...
HCD-EX1
20 20
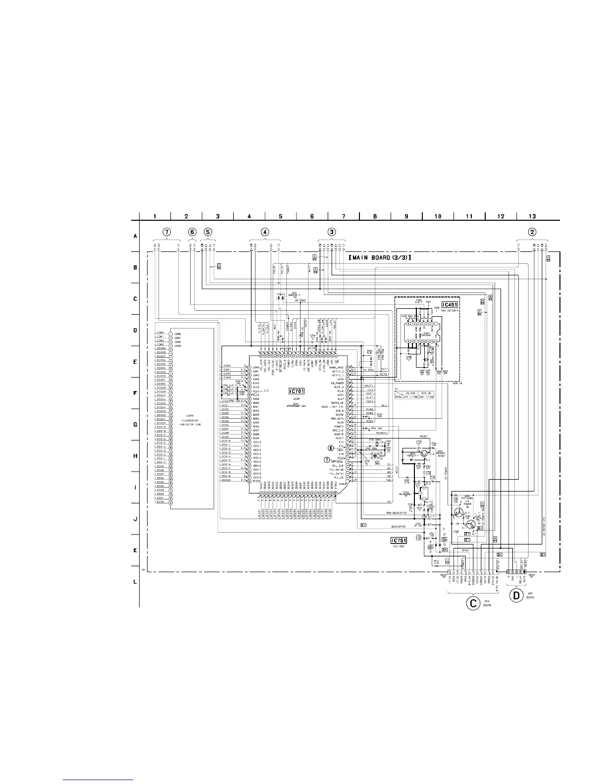
5-5. SCHEMATIC DIAGRAM – MAIN (3/3) SECTION –
• See page 15 for Waveforms.
• See page 16 for Printed Wiring Board.
• See page 34 for IC Pin Functions.
(Page 19)
(Page 19) (Page 19)
(Page 19) (Page 19)
(Page 18)
(Page 29)
(Page 23)

Related product manuals