EasyManua.ls Logo

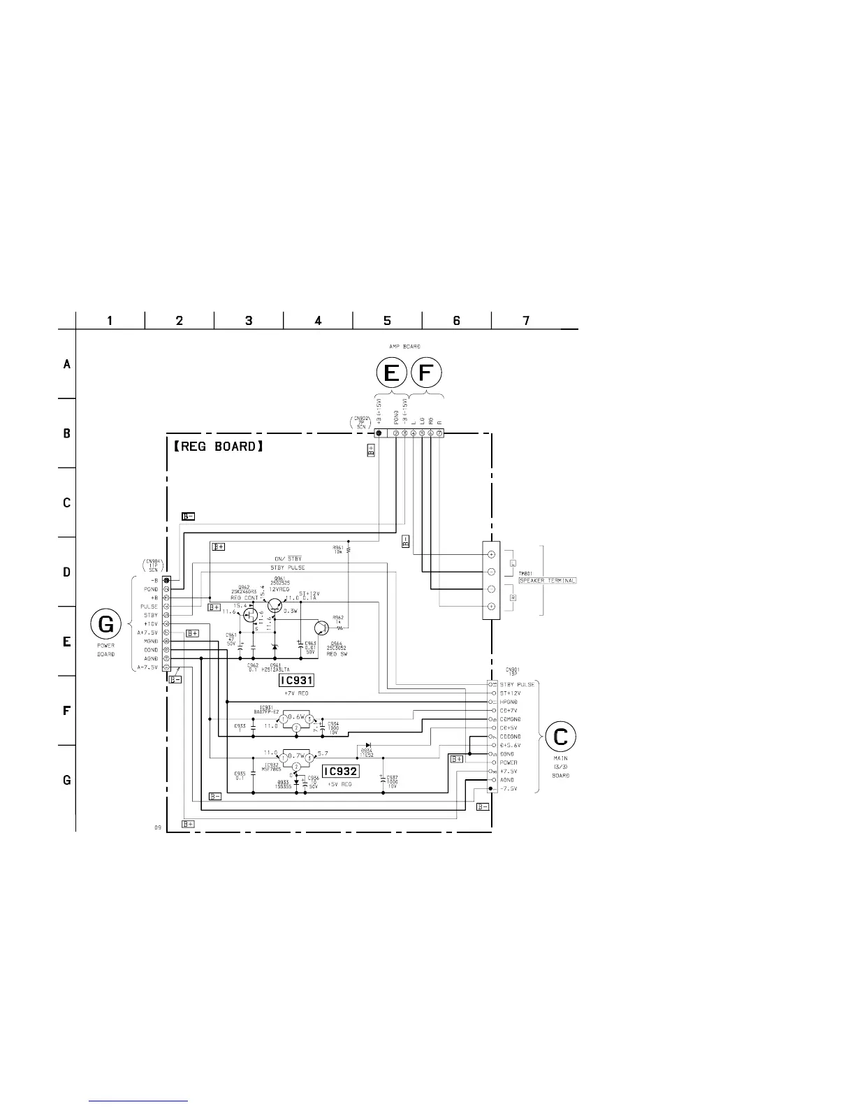
Sony HCD-EX1 - Regulator Section Schematic Diagram

Sony HCD-EX1
46 pages
Print Icon
To Next Page IconTo Next Page
To Next Page IconTo Next Page
To Previous Page IconTo Previous Page
To Previous Page IconTo Previous Page
Loading...
HCD-EX1
29 29
5-15. SCHEMATIC DIAGRAM – REG SECTION –
(Page 27)
(Page 23)
(Page 20)

Related product manuals