EasyManua.ls Logo

Sony HCD-EX200 - Schematic Diagram; Led;Loading;Sw;Amp Section Section

Sony HCD-EX200
46 pages
Print Icon
To Next Page IconTo Next Page
To Next Page IconTo Next Page
To Previous Page IconTo Previous Page
To Previous Page IconTo Previous Page
Loading...
HCD-EX200
23 23
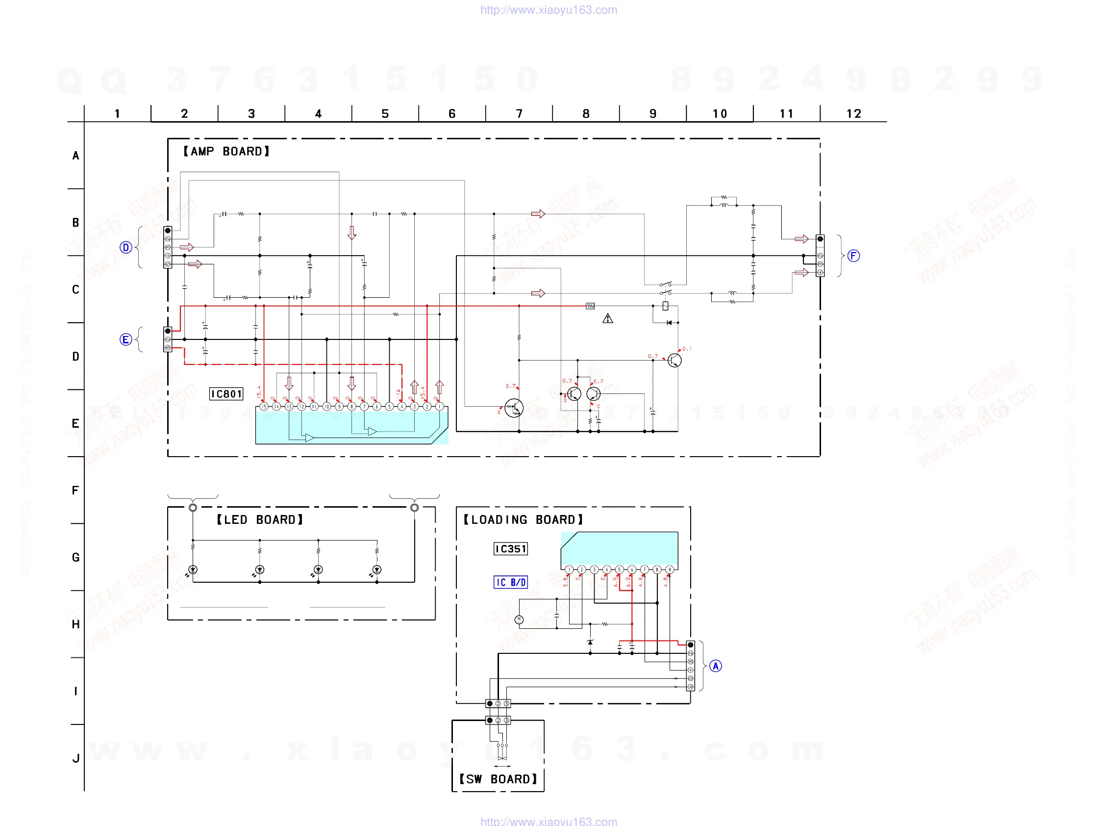
5-8. SCHEMATIC DIAGRAM – LED/LOADING/SW/AMP SECTION –
• See page 35 for IC Block Diagrams.
CN802
L851
1.9µH
1.9µH
R805
L801
R806
C806
C856
R856
C855
C805
R855
RY801
C822
C821
R822
D821
R823
R821
IC801
C811
C812
C813
C814
C851
R851
R852
C853
R853
C854
R802
R801
C801
C804
R803
C803
R804
R807
R857
CN801
CN810
R854
Q824
Q822
Q823
Q821
C807
D783
D781
D782
R782
R781
R783
S351
D784
R784
D351
C351
M351
CN352
IC351
TP782
TP781
CN354
C352
R351
C354
CN353
4P
10
1/2W
10
0.1
B
0.1
B
10
0.1
B
0.1
B
10
1/2W
12V
47
50V
100
16V
56k
1SS355TE-17
100
1/2W
33k
LM1876TF
1000
25V
1000
25V
0.1
B
0.1
B
4.7
50V
1k
43k
47
25V
1k
68p
SL
43k
1k
4.7
50V
68p
SL
1k
47
25V
39k
47k
56k
5P
DR
3P
39k
2SC1623-L5L6
2SC1623-L5L6
2SC1623-L5L6
DTC114EK
0.001
SELS5B20C-TP15
SELS5B20C-TP15
SELS5B20C-TP15
470
470
470
(LEAF SW)
SELS5B20C-TP15
470
UDZ-TE-17-4.3B
100
16V
RF-500TB
MABUCHI
6P
2MM PICH
BA6956AN
GND
LED
3P
0.01
4.7k
0.01
3P
BOARD IN
OUTB
VCCA
OUTA
VEE
GNDA
MUTEA
-INA
+INA
STANDBYA
GNDB
MUTEB
-INB
+INB
STANDBYB
VCCB
-
+
-
+
MUTE
L
GND
R
GND
RELAY
+15V
-15V
POWER AMP
RELAY DRIVE
DC OFFSET DET.
HP/STBY SW
R
RG
LG
L
Q822,823
OPEN
CLOSE
LOADING MOTOR
LOADING MOTOR
DRIVE
+
RIN
GND
FIN
VCC
VM
OUT1
RNF
OUT2
VREF
BACK LIGHT
BOARD
(1/3)
MAIN
BOARD
BOARD
(3/3)
MAIN
BOARD
REG
REG
(Page 21)
(Page 27)
(Page 27)
(Page 19)
(Page 20)
MAIN(2/3)BOARD
TP771
MAIN(2/3)BOARD
TP772
(Page 20)
w
w
w
.
x
i
a
o
y
u
1
6
3
.
c
o
m
Q
Q
3
7
6
3
1
5
1
5
0
9
9
2
8
9
4
2
9
8
T
E
L
1
3
9
4
2
2
9
6
5
1
3
9
9
2
8
9
4
2
9
8
0
5
1
5
1
3
6
7
3
Q
Q
TEL 13942296513 QQ 376315150 892498299
TEL 13942296513 QQ 376315150 892498299
http://www.xiaoyu163.com
http://www.xiaoyu163.com

Related product manuals