EasyManua.ls Logo

Sony HCD-EX200 - Schematic Diagram - REG Section

Sony HCD-EX200
46 pages
Print Icon
To Next Page IconTo Next Page
To Next Page IconTo Next Page
To Previous Page IconTo Previous Page
To Previous Page IconTo Previous Page
Loading...
HCD-EX200
27 27
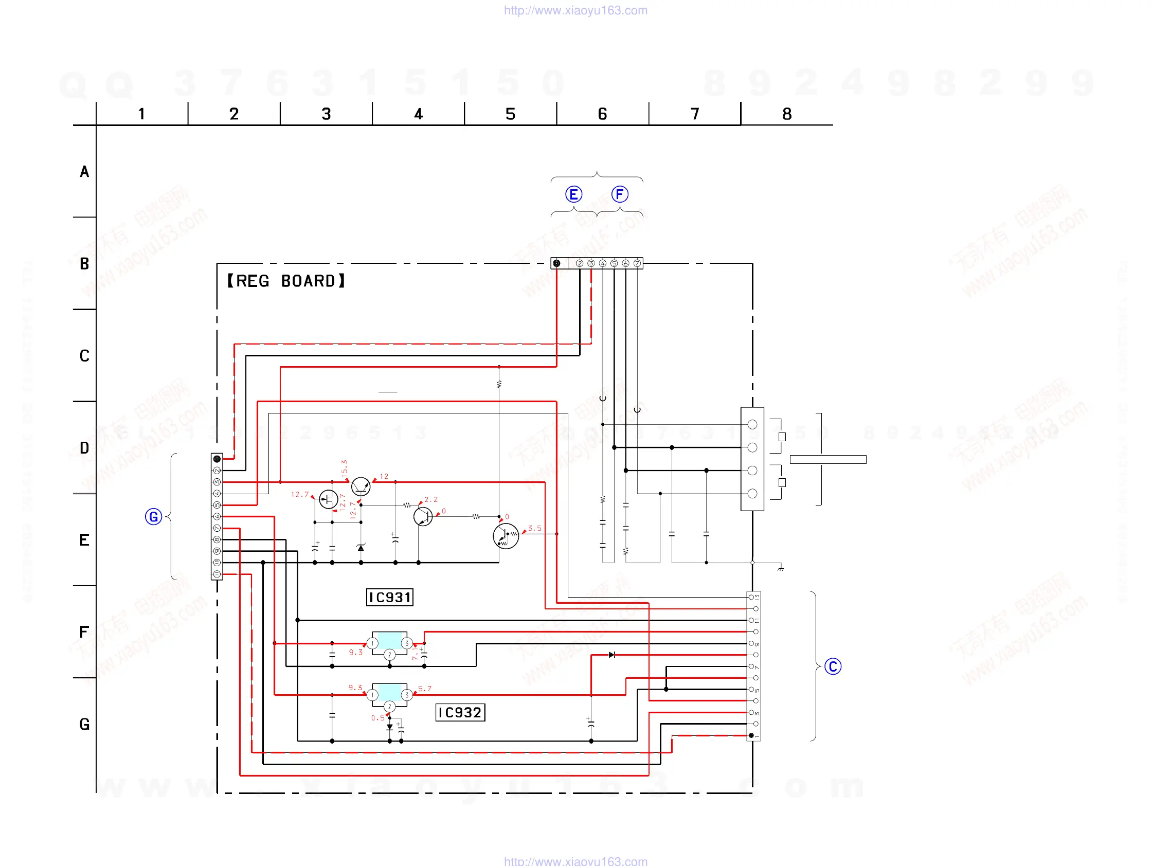
5-12. SCHEMATIC DIAGRAM REG SECTION
CN901
C937
D934
C936
D933
IC932
C935
C934
IC931
C933
D961
C962
C961
Q961
Q962
R961
R962
CN904
CN902
TM801
Q963
C963
R891
C891
C892
C893
C894
R892
C895
C896
FB981
FB982
Q964
R963
13P
1000
10V
11ES2
10
50V
1SS355
M5F7805
0.1
1000
10V
BA07FP-E2
1
HZS12A3LTA
0.1
47
50V
2SD2525
2SK246GR3
10k
1k
11P
SCN
7P
SCN
DTC114EK
REG SW
47
50V
10
0.1
0.1
0.1
0.1
10
0.1
0.1
2SC1623-L5L6
1k
S
ST+12V
-7.5V
+7.5V
AGND
CD+5V
CDDGND
CD+7V
CDMGND
D+5.6V
DGND
POWER
ON/
STBY
ST+12V
0.3W
0.1A
PGND
HPGND
STBY PULSE
0.7W
0.6W
STBY
PULSE
PGND
+10V
A+7.5V
MGND
DGND
AGND
A-7.5V
-B(-15V)
+B(+15V)
STBY PULSE
SPEAKER TERMINAL
+
-
-
+
POWER
BOARD
BOARD
MAIN
(3/3)
R
RG
LG
L
AMP BOARD
+5V REG
+7V REG
-B
+B
12VREG
REG SW
L
R
REG CONT
(CHASSIS)
(Page 23)
(Page 29)
(Page 21)
w
w
w
.
x
i
a
o
y
u
1
6
3
.
c
o
m
Q
Q
3
7
6
3
1
5
1
5
0
9
9
2
8
9
4
2
9
8
T
E
L
1
3
9
4
2
2
9
6
5
1
3
9
9
2
8
9
4
2
9
8
0
5
1
5
1
3
6
7
3
Q
Q
TEL 13942296513 QQ 376315150 892498299
TEL 13942296513 QQ 376315150 892498299
http://www.xiaoyu163.com
http://www.xiaoyu163.com

Related product manuals