EasyManua.ls Logo

Sony HCD-EX200 - Printed Wiring Board - Power Section

Sony HCD-EX200
46 pages
Print Icon
To Next Page IconTo Next Page
To Next Page IconTo Next Page
To Previous Page IconTo Previous Page
To Previous Page IconTo Previous Page
Loading...
HCD-EX200
29 29
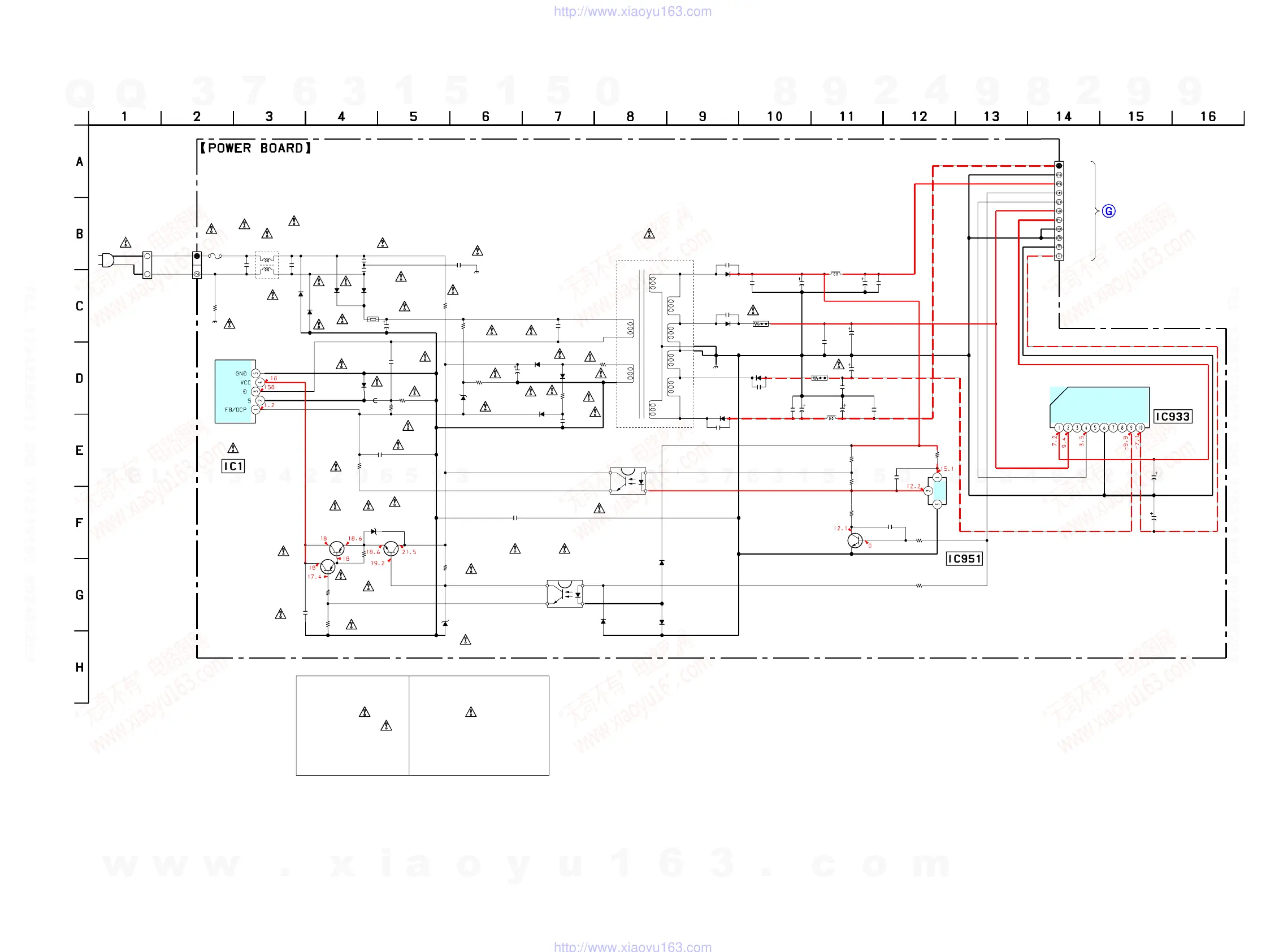
5-14. SCHEMATIC DIAGRAM POWER SECTION
C939
C949
IC933
CN903
L901
C932
C942
C913
R939
D941
C941
C912
C951
R954
C952
Q951
L911
10µH
10µH
D911
C911
PC1
PC2
C9
C3
D3
D2
C10
R10
C14
C12
C11
TH1
C7
L1
F1
C6
R1
C4
R5
FB1
C5
R2
Q22
D21
Q21
R23
Q23
C21
R24
D931
C931
R949
D901
C901
T901
R11
CN1
D4
R951
R952
R953
R955
R956
D953
C914
C915
C950
C940
C904
C905
C903
C902
D10
D11
D12
D13
C1
R9
D7
R4
D6
R3
C2
R8
R21
R22
D22
IC951
D951
D952
220
10V
220
10V
LA5617
11P
EH
2200
16V
470
16V
1500
25V
0.1
11EQS04
470p
1kV
1800
25V
0.01
47k
680p
2SC2603
F5KQ60
470p
1kV
PS2561-1-D
PS2561-1-D
0.0022
250V
0.0033
11EQS10
11EQS10
330p
2kV
470k
0.0022
250V
0.0022
250V
0.0022
250V
5
NTC
0.1
275V
0.1
275V
3.3M
0.0022
1kV
0.22
2W
470p
5.6k
2SB1116
MTZJ-10C
2SD1616
120k
2SA1115
0.1
68k
11EQS04
470p
1kV
0.1
F5KQ60
470p
1kV
22k
2P
UP
YEL
11EQS04
1.5k
47
1.8k
4.7k
680
1SS119-25
0.1
0.1
0.1
0.1
0.1
0.1
1500
25V
1800
25V
10E6
10E6
10E6
10E6
68k
2W
1SS119-25
680
RD6.8ESB2
2.2k
47
25V
10
4.7k
3.9k
RD20ESB2
SE015N
1SS119-25
1SS119-25
LIVE
CP901
(CHASSIS)
(CHASSIS)
EPT1
EPT901
VCC
+7.5
CN1
GND
CN2
-7.5
EN
DLY
NC
VEE
-10V
+10V
EPT2
NATURAL
STBY
PULSE
-B
PGND
+B
+10V
A+7.5V
MGND
DGND
AGND
A-7.5V
+15V
-15V
POWER CORD
REG
BOARD
Note:
fied by mark
or dot-
ted line with mark
The components identi-
Replace only with part
are critical for safety.
Note:
une marque
sont critiques
pour la securite.
fie.
piece portant le numero speci-
Ne les remplacer que par une
,
,
,
,
,
,
,
number specified.
Les composants identifies par
+15V REG
+7.5V
-7.5V
+7/-7V REG
POWER SW
ISOLATER
ISOLATER
CONT
POWER
POWER CONT
POWER CONT
3.15A
125V
POWER TRANSFORMER
OVER CURRENT DET
220
200V
IC1
STR-F6676-LF1352
(Page 27)
w
w
w
.
x
i
a
o
y
u
1
6
3
.
c
o
m
Q
Q
3
7
6
3
1
5
1
5
0
9
9
2
8
9
4
2
9
8
T
E
L
1
3
9
4
2
2
9
6
5
1
3
9
9
2
8
9
4
2
9
8
0
5
1
5
1
3
6
7
3
Q
Q
TEL 13942296513 QQ 376315150 892498299
TEL 13942296513 QQ 376315150 892498299
http://www.xiaoyu163.com
http://www.xiaoyu163.com

Related product manuals