EasyManua.ls Logo

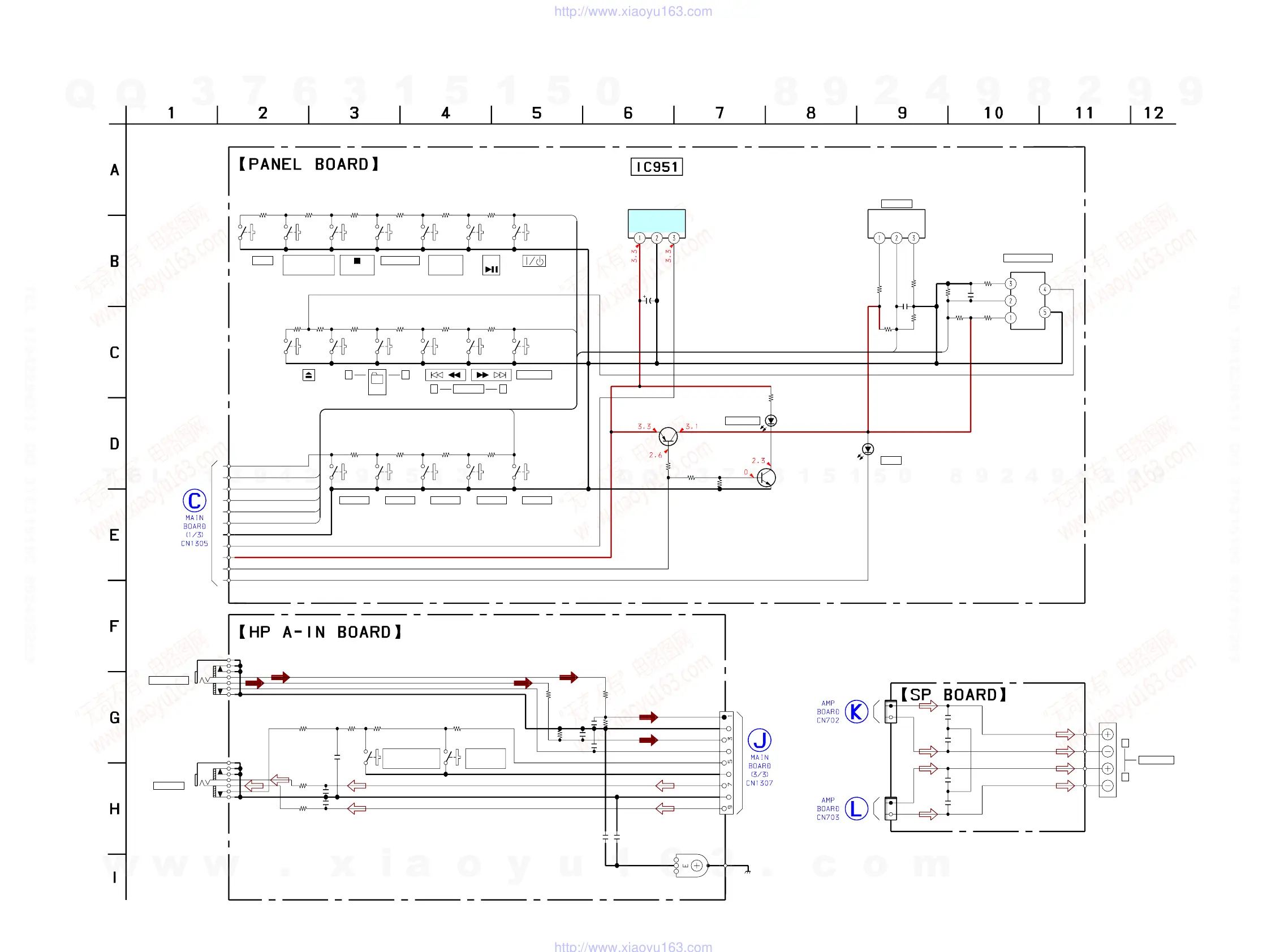
Sony HCD-HPR90 - Schematic Diagram - PANEL Section

Sony HCD-HPR90
68 pages
Print Icon
To Next Page IconTo Next Page
To Next Page IconTo Next Page
To Previous Page IconTo Previous Page
To Previous Page IconTo Previous Page
Loading...
HCD-HPR90/HPR99XM
3232
HCD-HPR90/HPR99XM
R950
R948
C960
R949
R991
C961
R992
R989
R947
R945
C955
R944 R946
C984C982
C987
C986
C997R942
R941
C989
C999
CN870
CN850
C851
C852
C853
C854
J860
CN981
S981
EP982
J982
J981
R951
IC951
RV952
Q952
D951
RV951
R990
S957 S955 S954 S953 S952 S951
S961S962S963S964S965S966
S971S972S973S974
R957 R956 R955 R954 R953 R952
S956
R962R963R967
R972
S975
R973R974R975
R932
S982
C990
R983
R931
Q951
R964R965R966
D952
R981R982
FB983
FB982
FB981
1k
2.2k
0.1
4.7k
1k
0.1
10k
2.2k
100
10k
47
10V
10k 10k
0.10.1
470p
0.022
470p100k
1k
0.022
0.022
2P
2P
470p
470p
470p
470p
9P
10k
NJL23H400A
2SA1235
SLR325VC
4.7k
22k 10k 4.7k 2.2k 2.2k 1k
1k2.2k22k
1k2.2k2.2k4.7k
100k
0.022
47k
1k
2SC3052
2.2k4.7k10k
SLR325DC
10k2.2k
0
0
0
VOLUME
JO
G
KEY1
KEY2
JOG
VOLUME
KEY1
KEY2
KEY3-1
KEY3-1
LED DSGX
LED STANDBY
EVER+3.3V
SIRCS
DGND
JOG
VOLUME
KEY1
KEY2
KEY3-1
AUDIO IN L
AUDIO IN GND
AUDIO IN R
AUDIO IN DET
KEY3-2
HP GND
HP L
DGND
HP R
L
R
SPEAKER
(CHASSIS)
PHONES
AUDIO IN
COM
A
B
A
B
COM
+3.3V
GND
OUT
ROTARY ENCODER
PUSH ENTER
ROTARY ENCODER
VOLUME
RECEIVER
REMOTE CONTROL
DSGX
STANDBY
LED DRIVE
DSGX
DISPLAY- +
(JOG)
1
4
TUNING +-
B+ SWITCH
CD
BAND
TUNER/
AUDIO IN
CANCEL
DISC SKIP/
EX-CHANGE
CAT
DISC 1
KEY3-2
REPEAT/
FM MODE
PLAY MODE/
TUNING MODE
DISC 2DISC 3DISC 4DISC 5
11
1
6-17. SCHEMATIC DIAGRAM – PANEL Section –
(Page
23)
(Page
25)
(Page 29)
(Page 29)
w
w
w
.
x
i
a
o
y
u
1
6
3
.
c
o
m
Q
Q
3
7
6
3
1
5
1
5
0
9
9
2
8
9
4
2
9
8
T
E
L
1
3
9
4
2
2
9
6
5
1
3
9
9
2
8
9
4
2
9
8
0
5
1
5
1
3
6
7
3
Q
Q
TEL 13942296513 QQ 376315150 892498299
TEL 13942296513 QQ 376315150 892498299
http://www.xiaoyu163.com
http://www.xiaoyu163.com

Table of Contents

Related product manuals