EasyManua.ls Logo

Sony HCD-HPR90 - Schematic Diagram - AMP Board

Sony HCD-HPR90
68 pages
Print Icon
To Next Page IconTo Next Page
To Next Page IconTo Next Page
To Previous Page IconTo Previous Page
To Previous Page IconTo Previous Page
Loading...
HCD-HPR90/HPR99XM
2929
HCD-HPR90/HPR99XM
R727
R777
R711
R712
R756
R746
L703
R761
R762
C797
C844
C845
C722
C723
R724
R725
C724
C725
R739
R740
R721
R718
C728
C720
L710
L711
R728
R726
C846
C847
C772
C773
R774
R775
C774
C775
R772
R773
R771
R768
C770
C777
L760
L761
R776
R778
C778R793
C713
D705
C718
C716 C717
R716 R715
C714 C715
D706
C712
C706
R738
R717
C767C766
C765C764
D755
D756
C768
C711
C756
C762C763
R704
R706
C708R708
C781
R709
C710R713R714
C709
C757R752R754
R765
C703
Q701
C794
R792
C719
C702
C769
C791
C758
R758
C782
R759
R764
C759
R800
R801
R794
IC709
X702 R781
C796
C704
C754
C752
D713
R783
C780C779C799
C795
R790
R789
R788
R787
R786
R785
R784
C788
C787
R742
R741
R743
R750
C806
R744
R747
C745
R749
C746
C747
IC704
C783
Q702
C726
Q752
R780
R733
C793
R722
C739
C736
R731
L702
C735
C741
C734
C732
R729
R723 C733
C743
C742
C749C748
C730
R730
C738
R701
R751D751
D701
C731
C701
C751
C761
R745
C798
L701
CN700
R737
R795
L704C786
C753
R734
R735
R736
EP701
EP702
IC705
IC708
IC707
C784
L705
C785
R782
EP703
IC703
CN703
CN702
CN704
CN705
C832
C831
L709
R720
R719
L708
L759
R770
R769
L758
IC702
R748
C740
IC701
Q703
Q753
C804
C737
C744
C831
100k
100k
100
100
100
100
100
100
0.01
0.1
0.1
0.0022
0.0022
4.7
4.7
0.0022
0.0022
10k
10k
10k
10k
1
1
220k
220k
0.1
0.1
0.0022
0.0022
4.7
4.7
0.0022
0.0022
10k
10k
10k
10k
1
1
220k
220k
2.247k
0.047
P6SMB39AT3
0.047
0.22 0.22
1k 1k
0.22 0.22
P6SMB39AT3
1
1
1k
1k
0.220.22
0.220.22
P6SMB39AT3
P6SMB39AT3
0.047
220
16V
1
10.047
470
100
0.1100
0.1
100
47p22k390
0.1
47p22k390
0
0.01
2SC3052
1
0
2200
35V
0.1
2200
35V
0.1
0.1
100
0.1
100
470
0.1
1k
1k
0
MC74VHC1GU04
49.152MHz 100
0.1
0.001
0.001
0.1
UDZW-TE17-2.4B
22
0.0010.010.01
10
50V
100
100
100
100
100
100
100
0.1
0.001
10k
100
100
47k
0.1
0
470
0.01
0
0.01
100 10V
NJM2871BF18
10p
2SA1235
2.2
2SA1235
22
470
10
50V
47k
0.01
0.01
470
10
50V
0.1
0.001
0.1
1k
1k 0.1
0.01
0.01
0.1
10
50V
0.1
100
10 50V
100
1001SS355WTE-17
1SS355WTE-17
100
10V
2.2
50V
2.2
50V
0.01
100
10
50V
19P
10
0
0.001
100
10V
10
10
10
CXD9788AR
CXD9774M
CXD9774M
0.001
10p
1M
MC74VHC74DTR2
2P
2P
4P
2P
0.1
0.01
3.3
3.3
3.3
3.3
NJM2871BF33
47k
220
10V
PCM1803DBR
2SA1235
2SA1235
0.001
0.0047
0.1
N
S
P
M
U
T
E
S
O
FT
M
U
T
E
P
G
M
U
TE
S
C
D
T
S
C
S
H
IFT
S
C
L
A
T
C
H
O
V
F
IN
IT
/O
T
W
SCLATCH
SCSHIFT
SCDT
PGMUTE
SOFTMUTE
NSPMUTE
/OTW
/SD
OVF
INIT
/S
D
/R
S
T
/RST
LRCK
LRCK
R-IN
R-IN
L-IN
L-IN
BCK
BCK
DOUT
DOUT
GND
+28V
GND
+28V
GND
+12V
AGND
SCDT
DGND
DGND
NSPMUTE
SOFTMUTE
PGMUTE
/OTW
SCSHIFT
SCLATCH
AGND
L-IN
R-IN
/RST
OVF
/SD
L+
L-
INIT
R-
R+
A+5V
D+3.3V
(CHASSIS)
(CHASSIS)
SFLAG
INIT
MCKSEL
LRCK
BCK
DATA
BFVDD
BFVSS
TEST
DVDD
XFSIIN
FSOCKO
FSOI
HPOUTR2
HPVSSR
HPOUTR1
HPVDDR
HPOUTL2
HPVSSL
HPOUTL1
HPVDDL
XVDD
XFSOIN
SCLATCH
SCSHIFT
SCDT
PGMUTE
SOFTMUTE
NSPM
UTE
DVSS
DVDD
XOVDD
XFSOOUT
XOVSS
VSSL
OUTL1
VDDL
VSSL
VSSR
OUTR1
VDDR
OUTR2
VSSR
VSUBC
XVSS
OUTL2
OVF
FLAGR
FLAGL
OVF
LRCK
FSYNC
BYPAS
AGND
VCC
VREF2
VREF1
RIN
LIN
BCL
DOUT
DGND
VDD
SCKI
TEST
FMT0
FMT1
MODE0
MODE1
PDWN VCC
D2
CK2
Q2
RD2
SD2
Q2
D1
CK1
Q1
GND
RD1
SD1
Q1
RGND
BP
BM
RGND
GREG
M3
DREG
DVSS
M1
M2
DVDD
RESV
AM
AP
RGND
/RST
/SD
/OTW
PVSS
BST_B
PVDD_B
PVDD_B
OUT_B
OUT_B
PVSS
PVSS
OUT_A
OUT_A
PVDD_A
PVDD_A
BST_A
PVSS
PVDD
GREG
RGND
BP
BM
RGND
GREG
M3
DREG
DVSS
M1
M2
DVDD
RESV
AM
AP
RGND
/RST
/SD
/OTW
PVSS
BST_B
PVDD_B
PVDD_B
OUT_B
OUT_B
PVSS
PVSS
OUT_A
OUT_A
PVDD_A
PVDD_A
BST_A
PVSS
PVDD
GREG
Q702,703
OVER LOAD DETECT
OVER LOAD DETECT
Q752,753
DIGITAL POWER AMP
PVDD
GREG
GREG
PVDD
DIGITAL POWER AMP
PROTECT DETECT
+3.3V REGULATOR
VCC
NC
GND
VIN
VOUT
CONT
GND
NOISE
CLOCK SHIFT
STREAM PROCESSOR
+1.8V REGULATOR
VOUT
NOISE
GND
CONT
VIN
A/D CONVERTER
CLOCK BUFFER
(HPR90)
(HPR99XM)
10µH
10µH
10µH
1µH
10µH
10µH
10µH
10µH
10µH
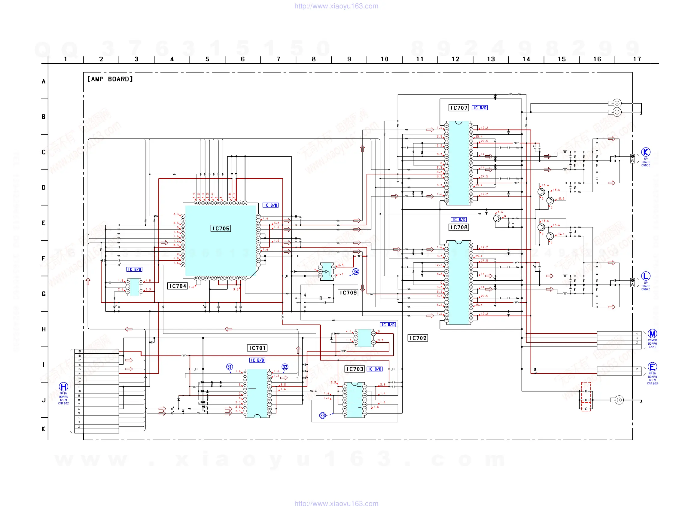
6-14. SCHEMATIC DIAGRAM – AMP Board –
See page 36 for Waveforms. See page 37 for IC Block Diagrams.
(Page
32)
(Page
32)
(Page
24)
(Page
35)
(Page
24)
w
w
w
.
x
i
a
o
y
u
1
6
3
.
c
o
m
Q
Q
3
7
6
3
1
5
1
5
0
9
9
2
8
9
4
2
9
8
T
E
L
1
3
9
4
2
2
9
6
5
1
3
9
9
2
8
9
4
2
9
8
0
5
1
5
1
3
6
7
3
Q
Q
TEL 13942296513 QQ 376315150 892498299
TEL 13942296513 QQ 376315150 892498299
http://www.xiaoyu163.com
http://www.xiaoyu163.com

Table of Contents