EasyManua.ls Logo

Sony HCD-SHAKEX3 - Page 57

Sony HCD-SHAKEX3
96 pages
Print Icon
To Next Page IconTo Next Page
To Next Page IconTo Next Page
To Previous Page IconTo Previous Page
To Previous Page IconTo Previous Page
Loading...
HCD-SHAKEX1/SHAKEX3/SHAKEX7
57
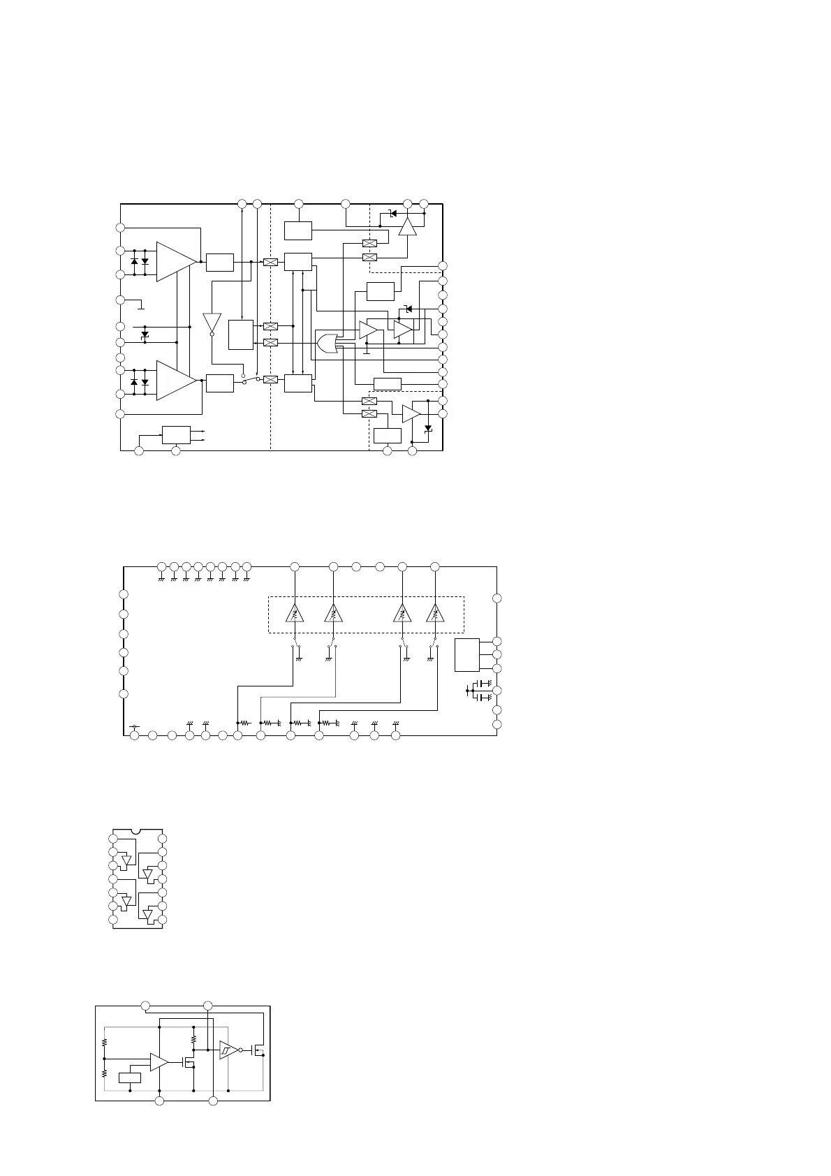
IC Block Diagrams
IC1008 CXD90038ER (4CH DAMP BOARD (1/2))
IC1010 CXD90038ER (4CH DAMP BOARD (2/2)) (SHAKEX7)
IC1009 BD34700FV-E2 (4CH DAMP BOARD (2/2))
IC102 TC74VHC126FT (EK) (MOTHERBOARD BOARD (7/8))
1G
1A
1Y
2G
2A
2Y
GND
VCC
4G
4A
4Y
3G
3A
3Y
1
2
3
4
5
6
7
14
13
12
11
10
9
8
CH1_CLK
CH2_CLK
CLK
GD
OCL1
GD
GD
GD
OCH1
DT1
+
OTA2
+
OTA1
PWM
1
PWM
2
PROT
CTRL
DT2
OCL2
OCH2
COMP1
10
IN-1
9
NC_6
6
VAA
5
VSS
4
IN+2
3
IN-2
2
NC_19
19
NC_21
21
DT
24
CSL1
17
LO1
18
COM
20
VCC
22
OTP
23
LO2
25
CSL2
26
VS2
27
HO2
28
30
CSH2
29
VB2
11
CSD
12
BTL
13
CSH1
14
VB1
15
HO1
16
VS1
IN+1
8
31
A/B
32
CLK
COMP2
1
GND
7
SD
2CH
BTL
DT
LOGIC
NC_35
35
NC_36
36
TEST_37
37
TEST_38
38
TEST_39
39
TEST_40
40
VEE
20
CL
19
DA
18
DGND
17
VCC
16
NC_15
15
CHIP
14
34
GND_34
33
GND_33
32
GND_32
31
GND_31
30
GND_30
29
GND_29
28
GND_28
27
GND_27
26
VOUTL1
25
VOUTR1
24
TEST_24
23
TEST_23
22
VOUTL2
21
VOUTR2
1
VEES
2
TEST_2
3
TEST_3
4
GND_4
5
GND_5
6
NC_6
7
VINL1
8
VINR1
9
VINL2
10
VINR2
11
GND_11
12
GND_12
13
GND_13
+32dB~95dB
0.5dB step
47μ
+
2200p
IC103 BU4229F-TR (MOTHERBOARD BOARD (7/8))
+
12
4
Vref
VOUT CT
GND VDD
3
Ver. 1.3

Table of Contents