EasyManua.ls Logo

Sony HCD-U1BT - Page 98

Sony HCD-U1BT
106 pages
Print Icon
To Next Page IconTo Next Page
To Next Page IconTo Next Page
To Previous Page IconTo Previous Page
To Previous Page IconTo Previous Page
Loading...
1010
HCD-U1BT
HCD-U1BT
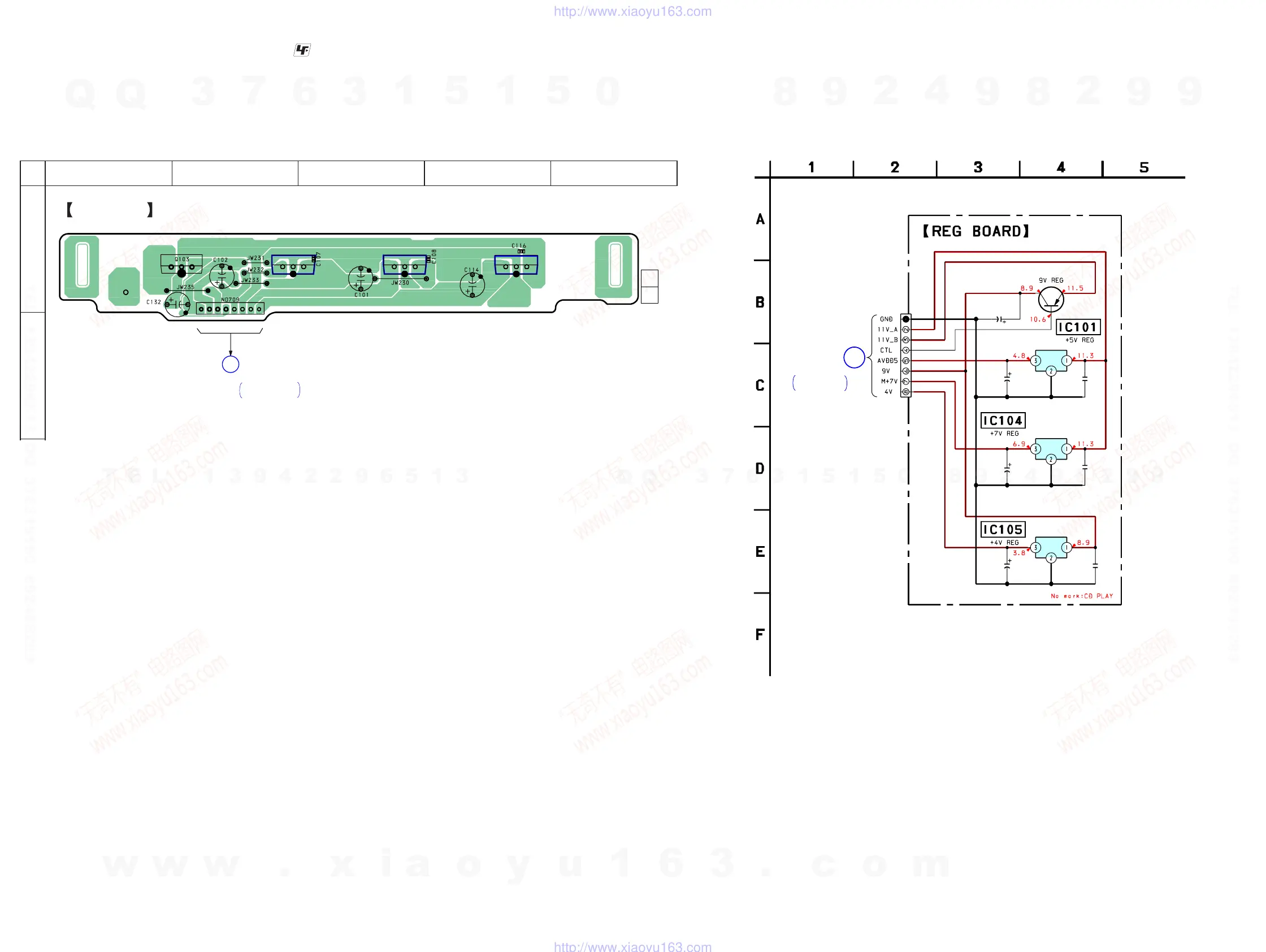
PRINTED WIRING BOARD — REG SECTION —
:Uses unleaded solder.
SCHEMATIC DIAGRAM — REG SECTION —
Q103
JW235
C108
C107
NO709
JW233
JW232
JW231
JW230
C101
C102
C116
C114
C132
IC101
IC104
IC105
REG BOARD
N
MAIN BOARD
CN116
11
1
8
1
3
3
3
E
13
(13)
1-870-573-
SUPPLEMENT-1
Page 3
12
A
B
345
SUPPLEMENT-1
Page 4
N
MAIN
BOARD
CN116
IC105
IC104
IC101
Q103
C107
C108
C116
NO709
C102
C132
C101
C114
TA7804LS
TA7807S
KIA7805API
2SB1565EF
0.1
0.1
0.1
8P
470
10V
470
10V
10
50V
470
10V
w
w
w
.
x
i
a
o
y
u
1
6
3
.
c
o
m
Q
Q
3
7
6
3
1
5
1
5
0
9
9
2
8
9
4
2
9
8
T
E
L
1
3
9
4
2
2
9
6
5
1
3
9
9
2
8
9
4
2
9
8
0
5
1
5
1
3
6
7
3
Q
Q
TEL 13942296513 QQ 376315150 892498299
TEL 13942296513 QQ 376315150 892498299
http://www.xiaoyu163.com
http://www.xiaoyu163.com

Table of Contents

Related product manuals