EasyManua.ls Logo

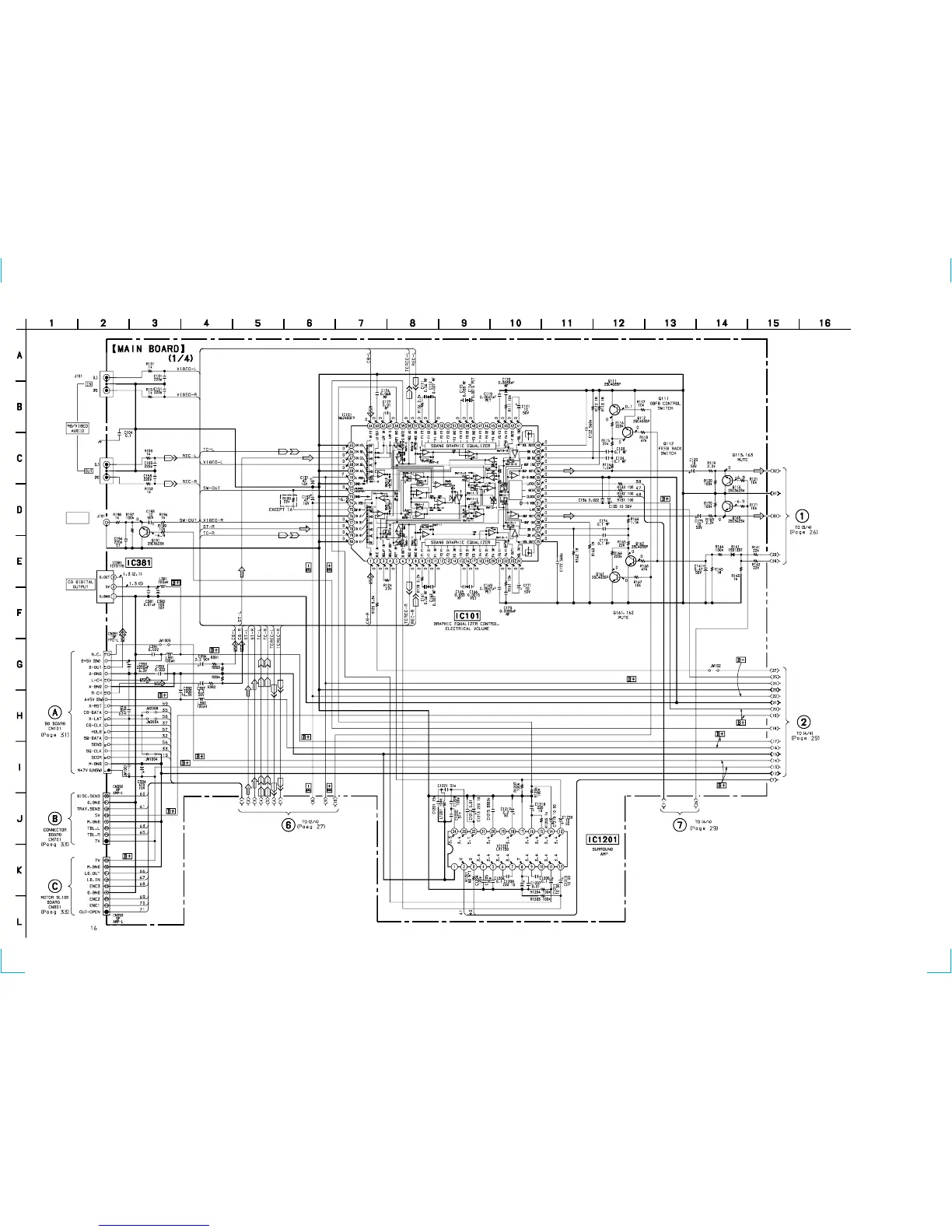
Sony HCD-VX3A - Schematic Diagram Main Section (1;4)

Sony HCD-VX3A
82 pages
Print Icon
To Next Page IconTo Next Page
To Next Page IconTo Next Page
To Previous Page IconTo Previous Page
To Previous Page IconTo Previous Page
Loading...
HCD-VX3A
26 26
7-4. SCHEMATIC DIAGRAM MAIN SECTION (1/4)
• Refer to page 25 for Printed Wiring Board.
SUPER
WOOFER
2.7k
5.6k
5.6k
2.7k
MICON
INTER
FACE
NOTE
• Voltages and waveforms are dc with respect
to ground under no-signal conditions.
no mark : FM

Table of Contents

Related product manuals