EasyManua.ls Logo

Sony HCD-VX3A - Schematic Diagram Video Section (2;3)

Sony HCD-VX3A
82 pages
Print Icon
To Next Page IconTo Next Page
To Next Page IconTo Next Page
To Previous Page IconTo Previous Page
To Previous Page IconTo Previous Page
Loading...
HCD-VX3A
45 45
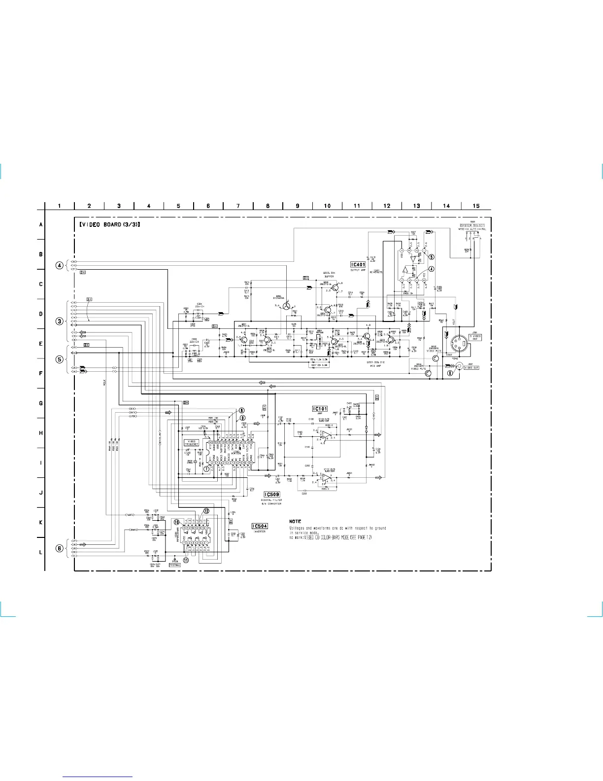
7-25. SCHEMATIC DIAGRAM VIDEO SECTION (3/3)
(Page 43)
(Page 43)
(Page 44)
(Page 44)
16
0.0047uF
0.0047uF
22uF
0.0012uF
0.0012uF
• Refer to page 48 for IC Block Diagrams.

Table of Contents

Related product manuals