EasyManua.ls Logo

Sony HCD-XGR80 - Page 52

Sony HCD-XGR80
76 pages
Print Icon
To Next Page IconTo Next Page
To Next Page IconTo Next Page
To Previous Page IconTo Previous Page
To Previous Page IconTo Previous Page
Loading...
52
HCD-XGR80
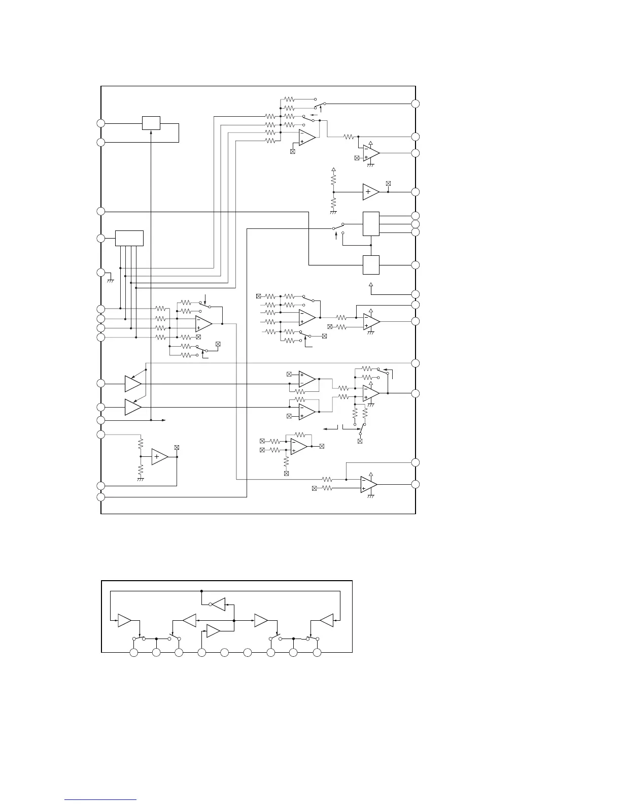
IC321 µPC1330HA (MAIN BOARD (3/3))
IC103 CXA2581N-T4 (BD BOARD)
1
2
3
4
5 6 7 8 9
INVERTER
COMPARATER
SW R1 GND SW P1
CONT GND VCC SW P2 GND
SW R2
27
29
30
4
3
EQ IN
9
D
10
F
E
8
C
7
B
6
A
AC SUM
DC_OFST
RFDCI
28
RFDCO
VC
24
BST
25
VFC
CEI
EQ
APC
5
GND
AC
SUM
26
RFC
AC
VCA
23
RFG
22
VCC
20
21
CE
19
TE_BAL
18
TE
17
FEI
16
FE
1LD
2
PD
11
SW
12
13
DVCC
14
DVC
15
RFAC
VC
EQ
ON/OFF
VC
VC
VC
VC
DVC
DVC
APC-OFF(Hi-Z)
RW/ROM
(H/L)
DVC
DVC
AVC
DVCC
VC
DVC
RW/ROM
RW/ROM
RW/ROM
RW/ROM
RW/ROM
RW/ROM
DVCC
VCC
VCC
VCC
VOFST
VOFST
VOFST
B
C
A
D
gm
gm
DVCC

Table of Contents

Related product manuals