EasyManua.ls Logo

Sony HD 3CCD - Operating Multiple BRC-H700 Cameras Using the RM-BR300 Remote Control Unit

Sony HD 3CCD
80 pages
Print Icon
To Next Page IconTo Next Page
To Next Page IconTo Next Page
To Previous Page IconTo Previous Page
To Previous Page IconTo Previous Page
Loading...
Overview
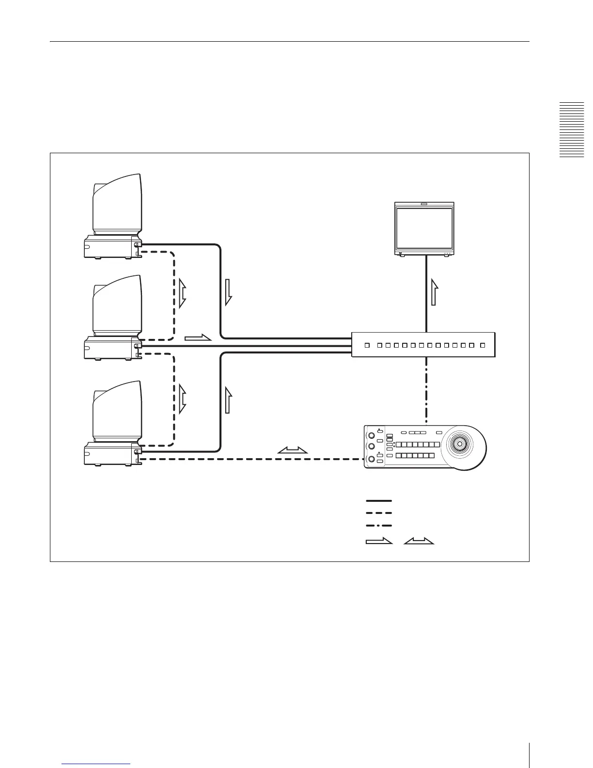
System Configuration
11
Operating Multiple BRC-H700 Cameras Using the RM-BR300 Remote
Control Unit
This system allows you:
To operate up to seven cameras remotely using a single Remote Control Unit
To perform pan/tilt and zoom operations comfortably using the joystick
System configuration
,
Video signal
Remote control (VISCA) signal
Tally/contact signal
Signal flow
BRC-H700
BRC-H700
BRC-H700
HD video monitor, VTR, etc.
Video switcher
RM-BR300 Remote Control Unit

Table of Contents

Related product manuals