EasyManua.ls Logo

Sony HD 3CCD - Ceiling Bracket (B); Dimensions

Sony HD 3CCD
80 pages
Print Icon
To Next Page IconTo Next Page
To Next Page IconTo Next Page
To Previous Page IconTo Previous Page
To Previous Page IconTo Previous Page
Loading...
Appendix
Specifications
73
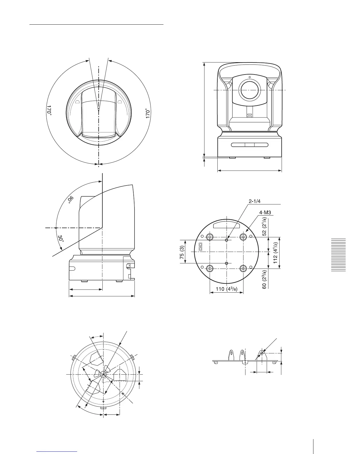
Dimensions
BRC-H700 Video Camera
310.8
(12
1
/
4
)5
(
7
/
32
)
ø207
(8
1
/
4
)
205 (8
1
/8)
90 (3
5
/8)
ø195
(7
3
/
4
)
30˚
30
˚
50
(2)
50(2)
50(2)
20
(
13
/16)
23.1
(
15
/
16
)
ø8.2
(
11
/
32
)
30
(1
3
/
16
)
Unit: mm (inches)
Front
Bottom
Side
Top
Ceiling Bracket (B)
Side
Top
Tripod screw hole
h
ol
e

Table of Contents

Related product manuals