EasyManua.ls Logo

Sony KLV-32L400A - Block Diagram

Sony KLV-32L400A
77 pages
Print Icon
To Next Page IconTo Next Page
To Next Page IconTo Next Page
To Previous Page IconTo Previous Page
To Previous Page IconTo Previous Page
Loading...
23
KLV-32L400A/37L400A
KLV-32L400A/37L400A
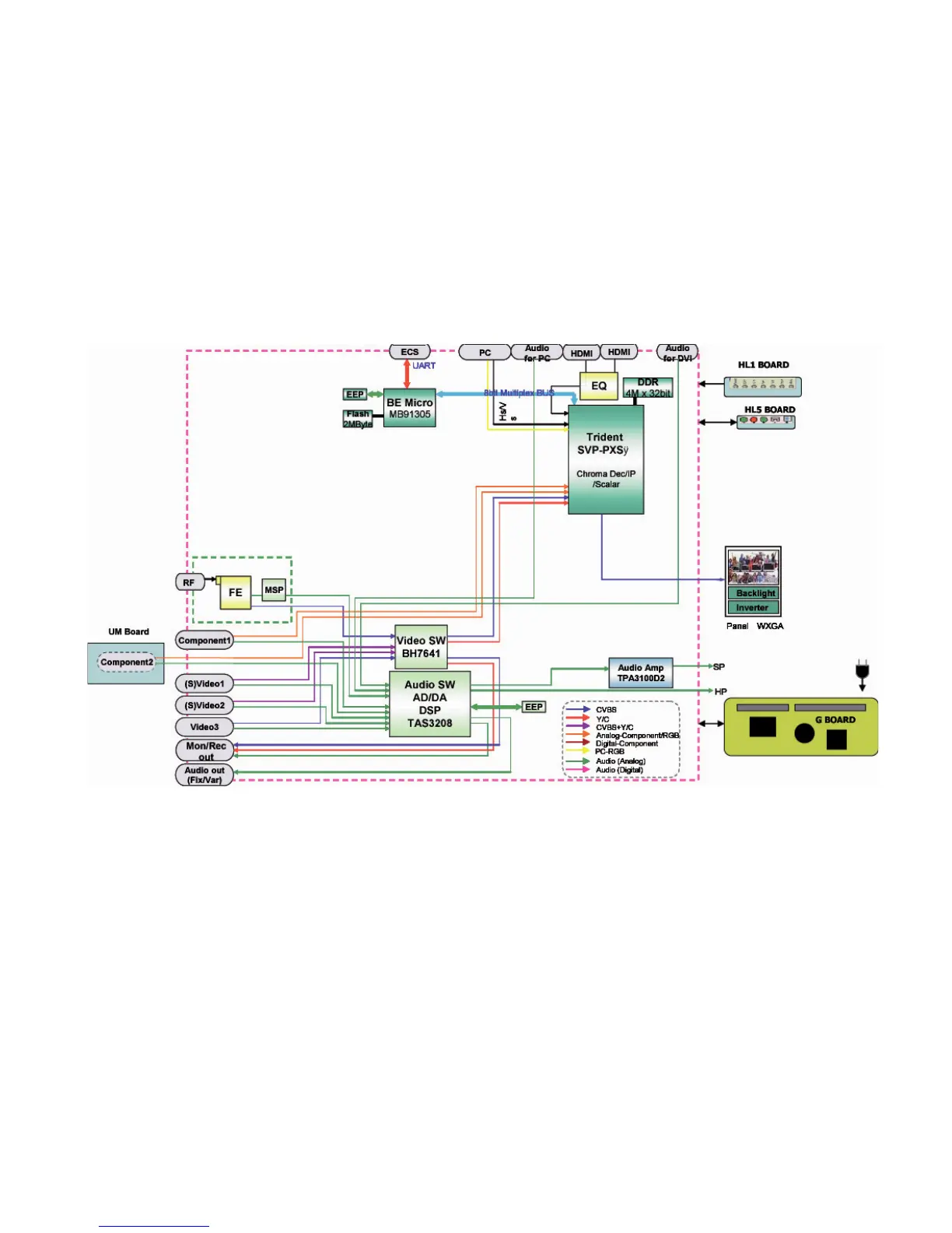
3-3. BLOCK DIAGRAM

Table of Contents

Related product manuals