EasyManua.ls Logo

Sony KLV-32L400A - HL1 Board Schematic Diagram

Sony KLV-32L400A
77 pages
Print Icon
To Next Page IconTo Next Page
To Next Page IconTo Next Page
To Previous Page IconTo Previous Page
To Previous Page IconTo Previous Page
Loading...
40
KLV-32L400A/37L400A
KLV-32L400A/37L400A
1 | 2 | 3 | 4 | 5 | 6 | 7 |
A
B
C
D
E
F
G
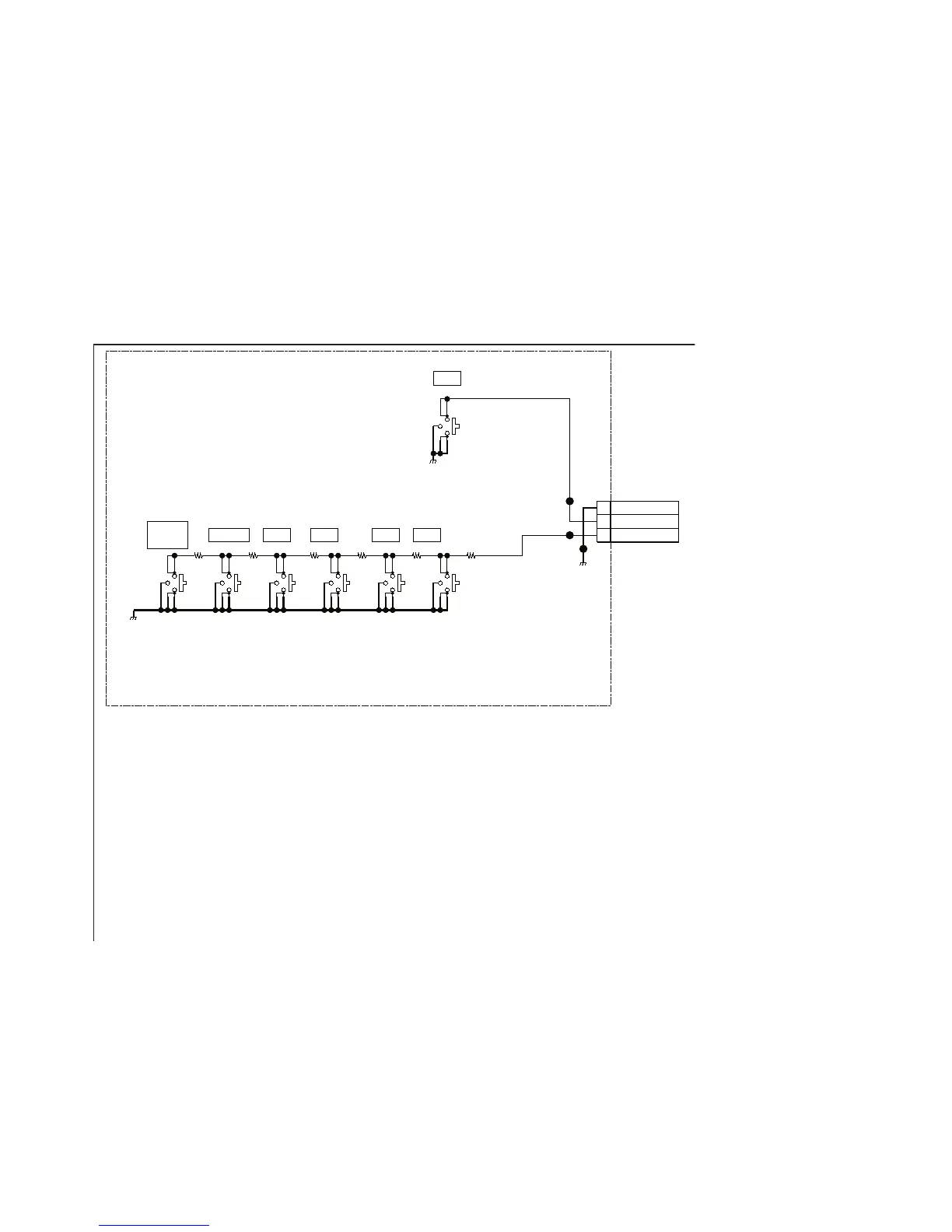
HL1 BOARD SCHEMATIC DIAGRAM
JL102
JL101
JL103
S101
12
3
45
S107
12
3
45
S106
12
3
45
S105
12
3
45
S104
12
3
45
S103
12
3
45
S102
12
3
45
R102
220
1/10W
RN-CP
330
R103
0.5%
1/10W
RN-CP
1.1k
R105
0.5%
1/10W
RN-CP
560
R104
0.5%
1/10W
RN-CP
150
R101
0.5%
0
R107
1
2
3
3P
CN101
WHT
GND
POWER INT
KEY1
POWER
CH-CH+
HOME
MENU
WEGAGATE
VOL-VOL+INPUT SEL
HL1
KEYBOARD
A-1540-623-A <WAX3B> HL1

Table of Contents

Related product manuals