EasyManua.ls Logo

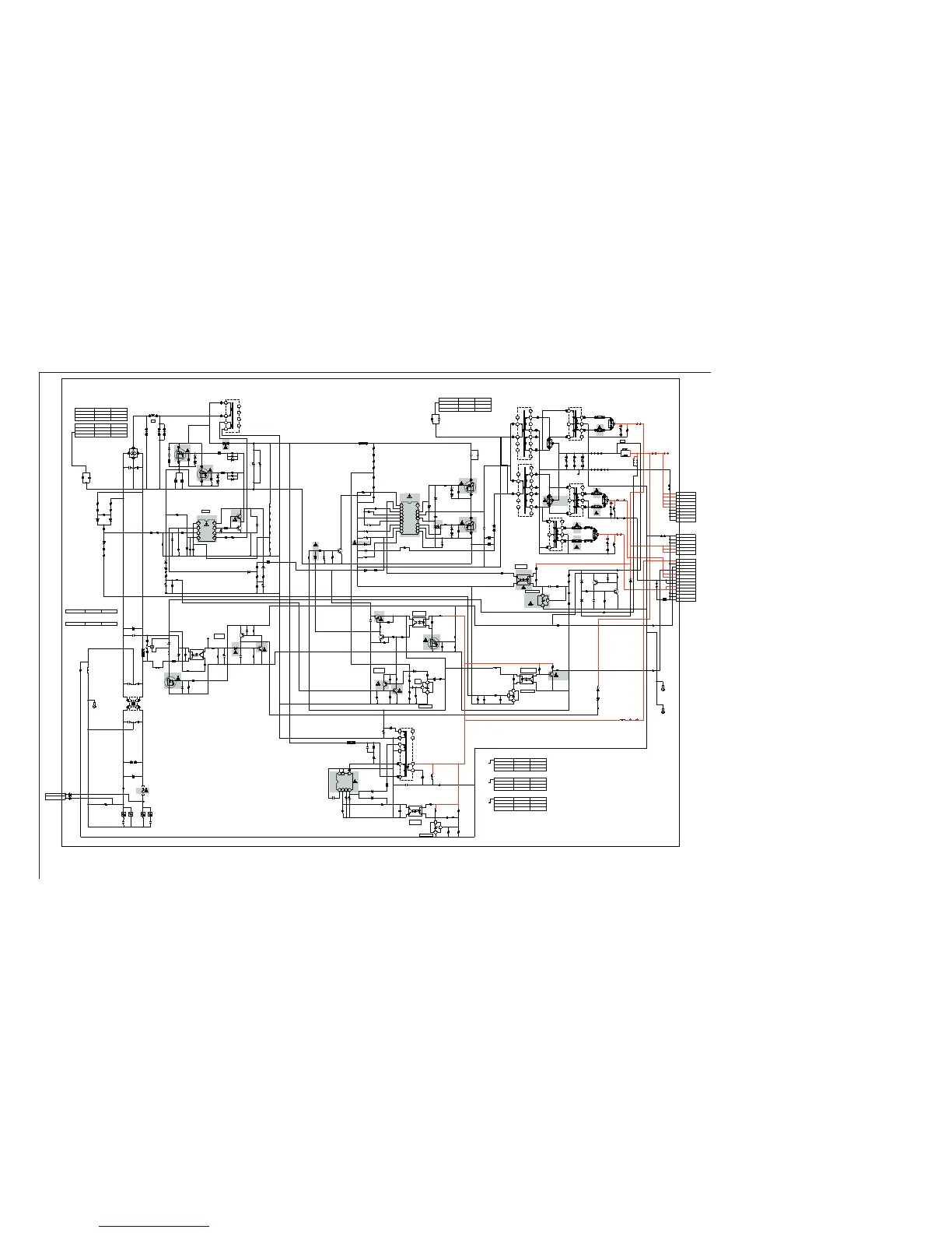
Sony KLV-32L400A - G5 M Board Schematic Diagram (KLV-37 L400 A ONLY)

Sony KLV-32L400A
77 pages
Print Icon
To Next Page IconTo Next Page
To Next Page IconTo Next Page
To Previous Page IconTo Previous Page
To Previous Page IconTo Previous Page
Loading...
KLV-32L400A/37L400A
KLV-32L400A/37L400A 37
G5M BOARD SCHEMATIC DIAGRAM (KLV-37L400A ONLY)
1 | 2 | 3 | 4 | 5 | 6 | 7 | 8 | 9 | 10 | 11 | 12 | 13 | 14 | 15 | 16 | 17 | 18 | 19 | 20 | 21 |
A
B
C
D
E
F
G
H
I
J
K
L
M
N
O
P
50V
4.7
C6049
CA6000
3.2mm
M1FM3
D6034
VD6001
CA6003
3.2mm
CA6001
6.2mm
PC123Y22JOOF
PH6004
1
23
4
MA2J1130GLS0
D6024
JL6020
JL6029
JL6014
JL6008
GND_1
JL6001
JL6024
JL6000
JL6003
M1FM3
D6023
1/4W
FPRD
100
R6047
50V
10
C6052
180
C6038
450V
8765
4321
FA5501AN-D1-TE1
IC6000
FB
COMP
MUL
IS ZCD
GND
OUT
VCC
C6029
16V
100
PC123Y22JOOF
PH6000
1
23
4
2SB1122-ST-TD-E
Q6004
1/2W
RF
0.1
R6074
25V
47
C6066
VD6000
FH6000
JL6011
JL6009
EP05FA20
D6016
JL6002
1/4W
FPRD
4.7
R6045
35V
100
C6050
PC123Y22JOOF
PH6002
1
23
4
R6062
10
1/4W
FPRD
JL6023
FH6001
JL6026
GND_1
JL6007
2SD1621ST-TD-E
Q6003
JL6022
CA6002
6.2mm
JL6013
2SB1122-ST-TD-E
Q6008
R6079
2.2
1/4W
FPRD
R6034
5W
RB
0.33
R6028
1/2W
FPRD
1k
S
2SK3568(LBS2SONY1Q)
Q6013
S
2SK3568(LBS2SONY1Q)
Q6014
2W
RS
R6027
22
BAT54HT1
D6014
50V
10
C6041
BAT54HT1
D6033
250V
6.3A
F6000
2W
RS
0.22
R6120
UF4005PKG23
D6035
Mount Mecha
404240802
A6000
1/10W
RN-CP
560k
R6063
1608
25V
6800p
B
C6022
1/10W
RN-CP
4.7k
R6090
1/10W
RN-CP
1k
R6107
1/10W
RN-CP
330
R6035
1/10W
RN-CP
4.7k
R6098
1608
25V
0.01
B
C6026
1/10W
RN-CP
3.3k
R6100
1/10W
RN-CP
100k
R6060
C6009
1
275V
PP
1/10W
RN-CP
1k
R6128
1/10W
RN-CP
22k
R6042
1/10W
RN-CP
470k
R6066
1/10W
RN-CP
10k
R6037
1/10W
RN-CP
39k
R6101
1/10W
RN-CP
22k
R6048
1/10W
RN-CP
1M
R6104
1/10W
RN-CP
220k
R6099
1/10W
RN-CP
1M
R6080
50V
1000p
B
C6062
1608
1/10W
RN-CP
1M
R6081
1608
25V
0.01
B
C6042
0.018
C6073
800V
PP
1/10W
RN-CP
5.6k
R6137
1/10W
RN-CP
12k
R6077
1/10W
RN-CP
47k
R6075
1/10W
RN-CP
47
R6096
1/10W
RN-CP
10k
R6089
2012
50V
0.01
B
C6065
1/10W
RN-CP
22k
R6024
250V
E
C6003
1000p
1/10W
RN-CP
1k
R6105
1/10W
RN-CP
22k
R6114
1/10W
RN-CP
100
R6032
250V
4700p
C6006
F
1/10W
RN-CP
1k
R6138
250V
4700p
C6010
F
1/10W
RN-CP
22k
R6059
1/10W
RN-CP
330k
R6058
2012
50V
B
C6001
0.01
1/10W
RN-CP
22k
R6044
50V
1000p
C6053
CH
1608
1/10W
RN-CP
1k
R6125
1/10W
RN-CP
390k
R6067
250V
1000p
E
C6002
1/10W
RN-CP
10k
R6056
2012
16V
0.47
B
C6023
1/10W
RN-CP
100
R6076
CHIP
0
R6033
C6032
2012
16V
B
1
1608
25V
0.01
B
C6054
1/10W
RN-CP
10k
R6091
1608
25V
0.01
B
C6047
1/10W
RN-CP
1M
R6083
25V
0.22
C6064
B
2012
1/10W
RN-CP
4.7k
R6134
1/10W
RN-CP
1k
R6127
1/10W
RN-CP
4.7k
R6132
1/10W
RN-CP
10k
R6057
1608
25V
0.022
B
C6076
47k
R6094
1/10W
RN-CP
1/10W
RN-CP
10k
R6139
1/10W
RN-CP
R6001
1M
1/10W
RN-CP
22k
R6071
1/10W
RN-CP
1.5k
R6069
1/10W
RN-CP
15k
R6068
1608
50V
1000p
B
C6025
2012
50V
0.1
B
C6039
1/10W
RN-CP
240k
R6084
250V
1000p
E
C6011
1/10W
RN-CP
560k
R6064
1/10W
RN-CP
560k
R6065
1/10W
RN-CP
1k
R6113
2012
50V
0.1
B
C6051
1/10W
RN-CP
100
R6061
R6115
1/10W
RN-CP
10k
R6116
1/10W
RN-CP
10k
1/10W
CHIP
22
R6109
1/10W
RN-CP
200
R6050
1/10W
RN-CP
27k
R6085
1/10W
RN-CP
10k
R6072
1/10W
CHIP
22
R6110
1608
16V
0.1
B
C6035
1/10W
RN-CP
1M
R6082
450V
1
C6016
PT
450V
1
C6017
PT
25V
C6018
47
1/10W
RN-CP
R6026
100
GND_1
250V
B
C6004
680p
250V
B
C6012
680p
16V
470
C6063
D1NS4-TR2
D6031
1608
50V
100p
CH
C6044
630V
0.001
C6048
PP
50V
3.3
C6046
250V
C6061
330p
50V
100
C6058
10ERB20-TB3
D6027
10ERB20-TB3
D6028
10ERB20-TB3
D6026
PC123Y22JOOF
PH6001
1
23
4
1W
RS
100k
R6086
50V
1000p
C6060
B
1608
1/4W
FPRD
2.2
R6092
1/10W
RN-CP
5.6k
R6088
EY6049
EY6050
EY6051
EY6052
EY6053
EY6054
EY6045
EY6046
EY6034
EY6035
EY6041EY6040
EY6027
EY6026
EY6031
EY6030
EY6019
EY6018
EY6048
EY6047
EY6044EY6042
EY6043
EY6028
EY6021
EY6020
EY6017
EY6016
EY6011EY6001
EY6000 EY6010
EY6004
EY6007
EY6009
EY6006
D15XB60
D6003
180
C6040
450V
R6031
5W
RB
0.33
1/10W
RN-CP
10k
R6043
EP05FA20
D6017
1/10W
RN-CP
200
R6052
1/4W
FPRD
4.7
R6046
EY6036
EY6037
1uH
L6005
LHL08
1uH
L6004
LHL08
EY6055
EY6056 EY6062
EY6064
EY6072
EY6071
EY6075
EY6057
EY6058
EY6065
EY6067
EY6073
EY6074
EY6076
EY6084
EY6085
EY6086
EY6077
EY6079
EY6078
EY6080
EY6081
EY6082
EY6083
EY6059
EY6061
EY6068
EY6070
87 5
4321
MIP2H2
IC6001
VDD
FB
OLP
VCC DRAIN
SOURCE
SOURCE
2012
1/10W
RN-CP
R6003
220k
2012
1/10W
RN-CP
R6002
220k
2012
1/10W
RN-CP
R6009
220k
2012
1/10W
RN-CP
R6008
220k
2012
1/10W
RN-CP
R6005
470k
1/10W
RN-CP
R6006
470k
1608
16V
B
C6059
0.1
1/10W
RN-CP
R6095
10k
1/10W
RN-CP
R6093
10k
C6024
1608
25V
B
0.01
1/10W
RN-CP
R6038
22k
1/10W
RN-CP
R6039
1k
5
JW6000
RN-CP
R6007
47k
1/10W
CHIP
0
R6023
RN-CP
10k
R6102
1/10W
250V
E
C6015
1000p
1/10W
RN-CP
R6108
10k
JL6004
JL6031JL6028
3
1
2
MM1530ATT
IC6004
1608
10V
0.47
B
C6067
S
Q6012
2SK2158-T2B
S
Q6000
2SK2158-T2B
EY6005 EY6008
2012
1/10W
RN-CP
R6004
100k
1/10W
RN-CP
560k
R6021
1/10W
RN-CP
R6036
68
10
JW6015
2W
RS
0.22
R6121
1/2W
RF
10
R6073
E
ET6002
E
ET6003
100uH
L6002
JW6001
7.5
1/10W
RN-CP
33k
R6055
1
2
610
8
14
9
3
4
15
T6000
1/10W
RN-CP
200
R6049
1/10W
RN-CP
200
R6051
L6009
4.7uH
L6008
4.7uH
Mount Mecha
234990031
A6005
Q6013,Q6014
R6030
0
CHIP
C6055
2.2
10V
B
2012
S
Q6001
2SK3797(LBS1SONY,Q)
S
2SK3797(LBS1SONY,Q)
Q6002
18 16 15 14 12 11 10
987654321
CXD9841P
IC6002
VSEN
FB
CT
RT
GND
PROT
SS
VC1
OCP VC2
PGND
VGL
VB
VS
VGH
VD
MM3Z4V3ST1
D6005
1/10W
10k
R6029
RN-CP
10
JW6014
1/10W
RN-CP
R6129
47k
2SC2412K-T-146-QR
Q6015
1/10W
RN-CP
R6133
1k
PC123Y22JOOF
PH6003
1
23
4
1/10W
RN-CP
R6126
1k
RN-CP
R6124
1/10W
47k
1/10W
RN-CP
R6119
220k
1608
10V
B
C6072
0.47
1608
50V
B
C6074
1000p
JL6030
2kV
470p
C6071
2kV
C6019
470p
2kV
C6020
470p
C6007
275V
PP
0.22
0uH
FB6001
0uH
FB6002
10uH
L6007
MA2J1110GLS0
D6007
MA2J1110GLS0
D6008
MA2J1110GLS0
D6022
MA2J1110GLS0
D6019
MA2J1110GLS0
D6046
MA2J1110GLS0
D6036
MA2J1110GLS0
D6030
MA2J1110GLS0
D6006
MA2J1110GLS0
D6020
MA2J1110GLS0
D6021
MA2J1110GLS0
D6000
MA2J1110GLS0
D6002
MA2J1110GLS0
D6001
2SC3052EF-T1-LEF
Q6009
2SC3052EF-T1-LEF
Q6006
2SC3052EF-T1-LEF
Q6007
2SC3052EF-T1-LEF
Q6011
3
1
2
MM1431ATT
IC6003
25V
1500
C6083
1
23
4
L6000
1608
16V
0.1
B
C6068
1608
16V
0.1
B
C6043
1/10W
RN-CP
1k
R6103
1/10W
RN-CP
10k
R6117
1/10W
RN-CP
R6111
47k
1/10W
RN-CP
6.8k
R6118
1/10W
RN-CP
47
R6112
1/10W
RN-CP
3.3k
R6106
EY6025EY6022
R6016
10W
RB
6.8
1/10W
RN-CP
100k
R6070
1
2
3
4
5
6
7
8
9
10
11
12
13
13P
CN6201
GND
GND
GND
UNREG_6.5V
UNREG_6.5V
AU_GND
AU_GND
UNREG_AU_13V
UNREG_AU_13V
ACOFF DET
POWERON
GND
STBY_3.3V
7
1
5
8
9
3
6
T6004
7
1
5
8
9
3
10
T6003
RY6000
7
1
5
8
9
3
10
T6005
EY6089
EY6087
EY6088
JL6012
JL6010JL6006
25V
1500
C6084
1/4W
FPRD
2.2
R6144
1/10W
CHIP
10k
R6140
12
JL6027
1/10W
RN-CP
2.2k
R6141
12
JL6019
10V
1500
C6082
1
2
JL6025
JL6017
JL6018
JL6021
JL6032
JL6033
JL6034
JL6036
JL6038
JL6039
JL6035 JL6037
JL6015
JL6016
JL6005
1/10W
CHIP
10k
R6143
1
2
3
4
5
6
6P
CN6202
GND
GND
GND
UNREG_12V
UNREG_12V
UNREG_12V
RN-CP
3.3k
R6136
1/10W
1/10W
RN-CP
R6122
4.7k
MM3Z27VT1
D6045
3
1
2
MM1431ATT(CN)
IC6006
3
1
2
MM1431ATT(CN)
IC6005
MM3Z16VT1
D6037
MM3Z16VT1
D6038
MM3Z16VT1
D6039
MM3Z16VT1
D6040
MM3Z16VT1
D6010
MM3Z16VT1
D6011
MM3Z16VT1
D6012
MM3Z16VT1
D6013
1
2
3
4
5
6
7
8
9
9P
CN6203
REG_24V
REG_24V
REG_24V
REG_24V
REG_24V
GND
GND
GND
GND
SG10SC6-F5
D6048
SG10SC6-F5
D6047
SG10SC6-F5
D6044
EY6092
EY6093
Mount Mecha
214976661
A6003
D6003
Mount Mecha
234990061
A6004
Q6001,Q6002,D6015
Mount Mecha
234990081
A6007
D6043,D6047
SF5L60
D6015
SG10SC9F5-5009F23
D6042
SG10SC9F5-5009F23
D6043
EY6094 EY6095
EY6096 EY6097
EY6098 EY6099
EY6100
EY6101
EY6102 EY6103
EY6104 EY6105
Mount Mecha
234990081
A6006
D6042,D6048
Mount Mecha
234990021
A6008
D6044
GND_1
450V
1
C6014
MPS
TA26
D6025
ISA1235AC1TP-1EF
Q6005
ISA1235AC1TP-1EF
Q6010
50V
2.2
C6045
PS6000
5A
PS6001
5A
PS6002
5A
PS6003
5A
PS6004
5A
PS6005
5A
EY6106
EY6107
EY6108
EY6109
EY6110
EY6111
EY6112
EY6113
EY6114
EY6115
EY6116
EY6117
EY6118
EY6119
EY6120
EY6121
EY6122
EY6123
EY6124
EY6125
EY6126
EY6127
EY6128
EY6129
35V
1000
C6078
35V
1000
C6079
35V
1000
C6080
1/10W
RN-CP
R6130
10k
Mount Mecha
404240802
A6009
JL6040
JL6041
JL6042
JL6043
JL6044
JL6045
2012
CHIP
JR6021
0
2012
CHIP
0
JR6020
1
2
2P
CN6102
AC-L
AC-N
1W
RN
8.2M
R6146
L6010
5
2
10
7
1
12
8
6
T6001
2
5
14
12
11
9
13
7
10
8
6
15
3
T6002
2
5
14
12
11
9
13
7
10
8
6
15
3
E
ET6005
EY6029
ISA1235AC1TP-1EF
Q6016
2SC3052EF-T1-LEF
Q6017
MM3Z27VT1
D6050
MM3Z15VT1
D6051
MMDL914T1
D6052
1/10W
RN-CP
5%
10k
R6147
1/10W
RN-CP
5%
10k
R6148
1/10W
RN-CP
5%
22k
R6149
1608
25V
0.1
B
C6093
2012
16V
1
B
C6094
1/10W
RN-CP
5%
150k
R6151
400
400
400400 400
400 400
400
400
SIGN784
GND_1
PROTECT
POWER ON
STBY FB
OVP
MAIN FB
PROTECT
MM1530ATT(NEW)
MM1431ATT(NEW)
MM1431ATT(NEW)
FA5501AN
OH8
SBC8
AC OFF DET
MM1431ATT(NEW)
G5M
POWER SUPPLY
A-1358-825-A<WAX3B> G5M
TOBG2A
TOBALANCER

Table of Contents

Related product manuals