EasyManua.ls Logo

Sony MDS-E10 - Block Diagram

Sony MDS-E10
94 pages
Print Icon
To Next Page IconTo Next Page
To Next Page IconTo Next Page
To Previous Page IconTo Previous Page
To Previous Page IconTo Previous Page
Loading...
60
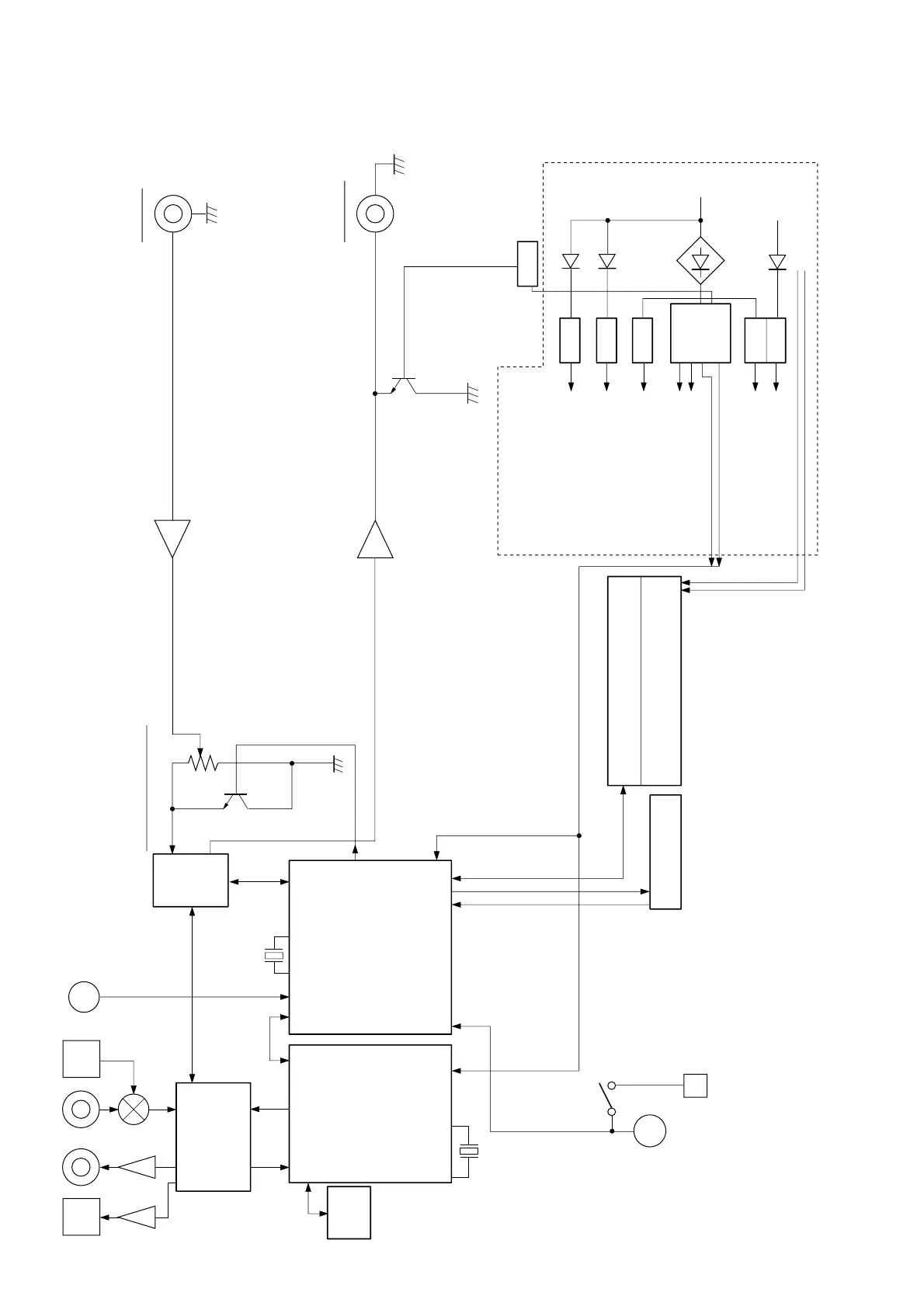
5-2. BLOCK DIAGRAM
COAX.OUT CONX.IN PC KEYBOARD
MDM-7
MECHANISM
CONTROL
SYSTEM
CONTROL
FLASH
KEY BLOCK
S-CONTROL
TERMINAL
REMOTE CONTROL
LIGHT RECEPTOR
DRIVER
FL TUBE
REC VOLUME (
to +15dB)
AD/DA
AK4524
REG
REG
REG
REG
REG
+3.3V
+3.3V
+5V
+5V
+8V
MUTE
POWER
RESET
P.DOWN
FLAC
-8V
32V
Analog Output
Analog Input
OPT INOPT OUT
Buffer
MUTE
Buffer

Other manuals for Sony MDS-E10

Related product manuals