EasyManua.ls Logo

Sony MDS-E10 - Schematic Diagram - Main Section (1;4)

Sony MDS-E10
94 pages
Print Icon
To Next Page IconTo Next Page
To Next Page IconTo Next Page
To Previous Page IconTo Previous Page
To Previous Page IconTo Previous Page
Loading...
MDS-E10
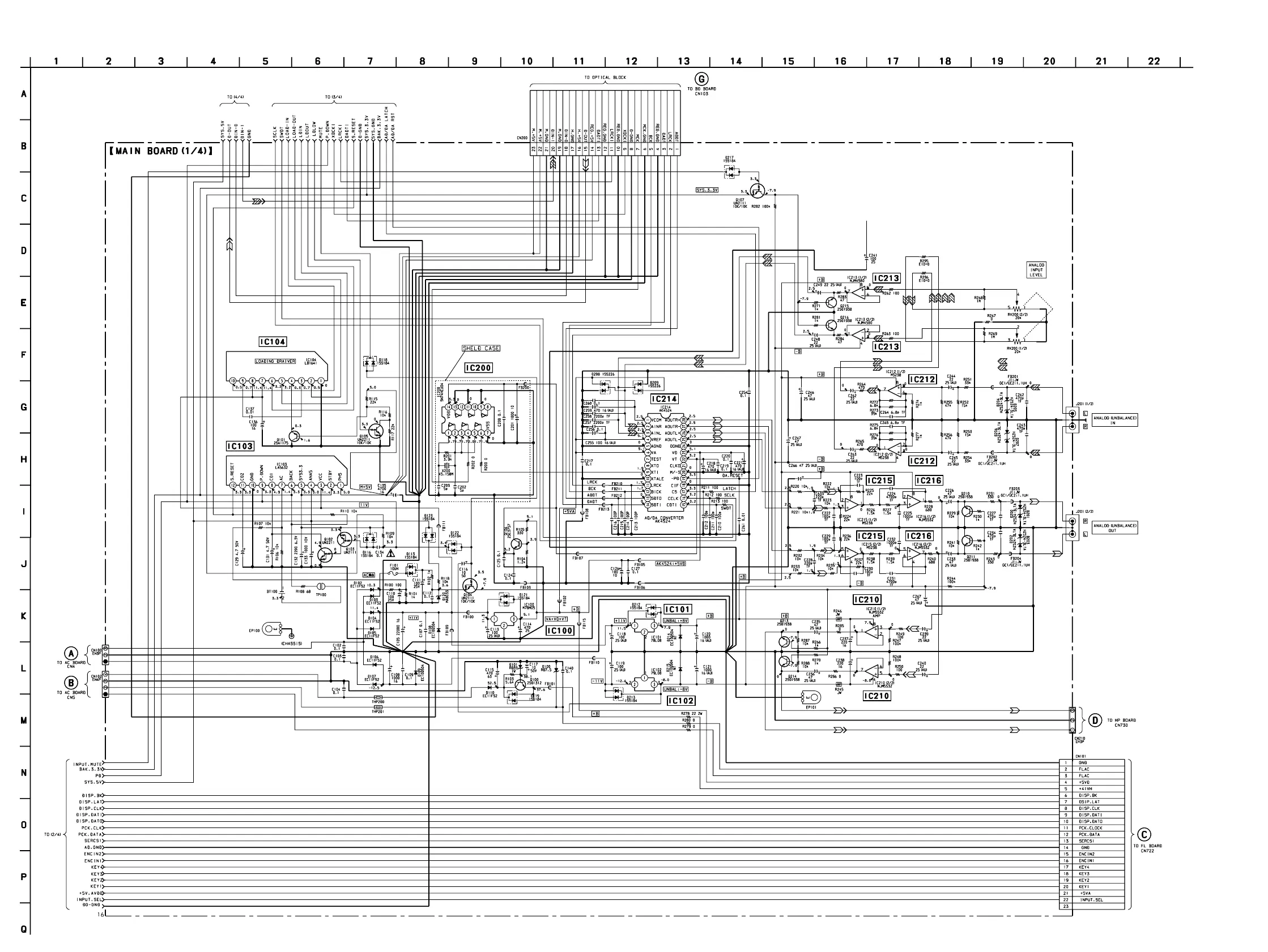
5-5. SCHEMATIC DIAGRAM MAIN SECTION (1/4)  Refer to page 59 for Note on Schematic Diagrams.
67 68
(Page 86)
(Page 78)
(Page 78)
(Page 80)
(Page 80)

Other manuals for Sony MDS-E10

Related product manuals