EasyManua.ls Logo

Sony MDS-E10 - Schematic Diagram - AC;PSW Section

Sony MDS-E10
94 pages
Print Icon
To Next Page IconTo Next Page
To Next Page IconTo Next Page
To Previous Page IconTo Previous Page
To Previous Page IconTo Previous Page
Loading...
MDS-E10
79 80
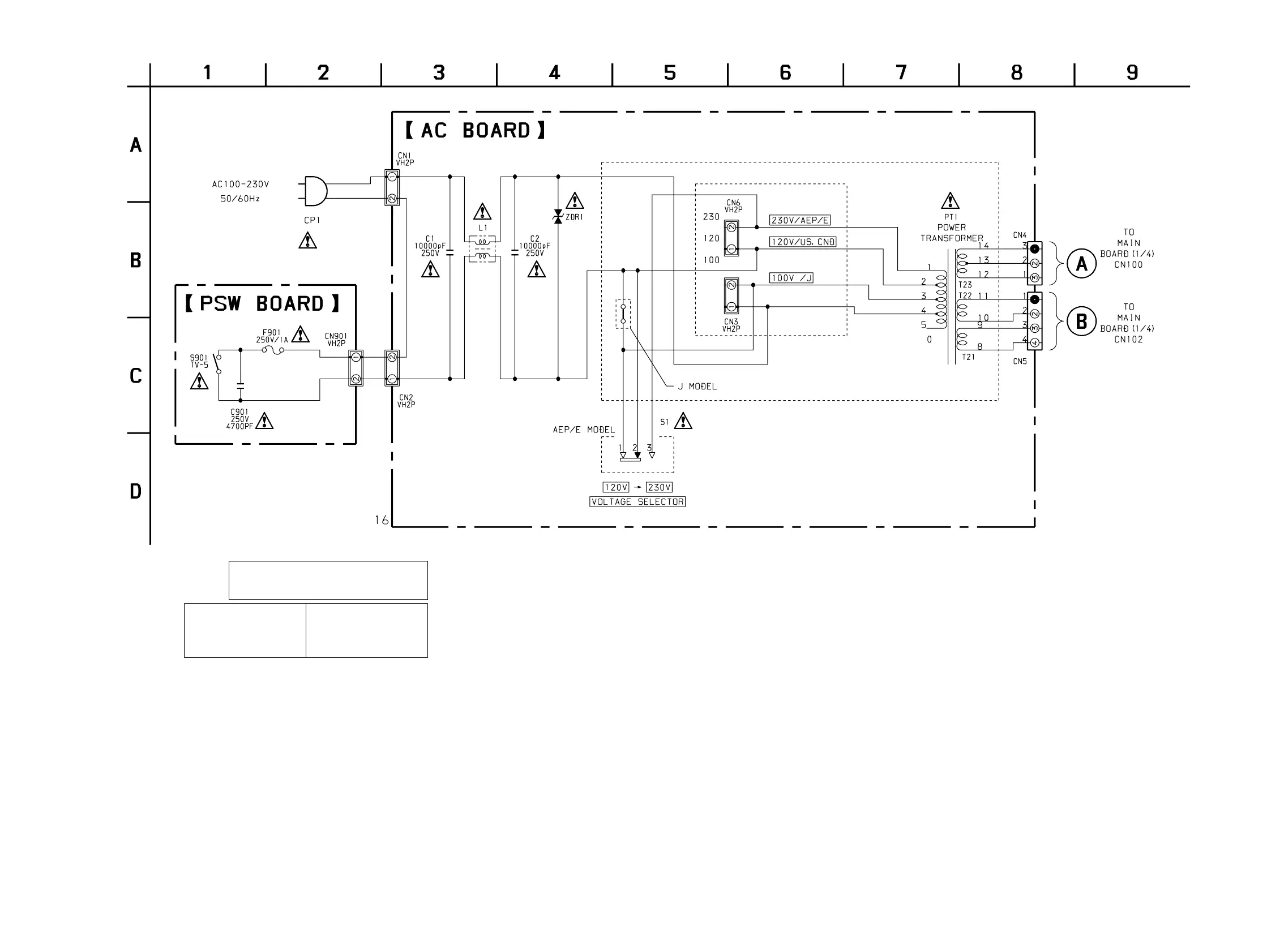
5-11. SCHEMATIC DIAGRAM AC/PSW SECTION  Refer to page 59 for Note on Schematic Diagrams.
The components identified by
mark 0 or dotted line with mark
0 are critical for safety.
Replace only with part number
specified.
Les composants identifiés par
une marque 0 sont critiques
pour la sécurité.
Ne les remplacer que par une
pièce portant le numéro spécifié.
0印の部品,または0印付きの点線で囲まれた部品は,
安全性を維持するために重要な部品です。
従って交換時は,必ず指定の部品を使用して下さい。
(Page 67)
(Page 67)

Other manuals for Sony MDS-E10

Related product manuals