EasyManua.ls Logo

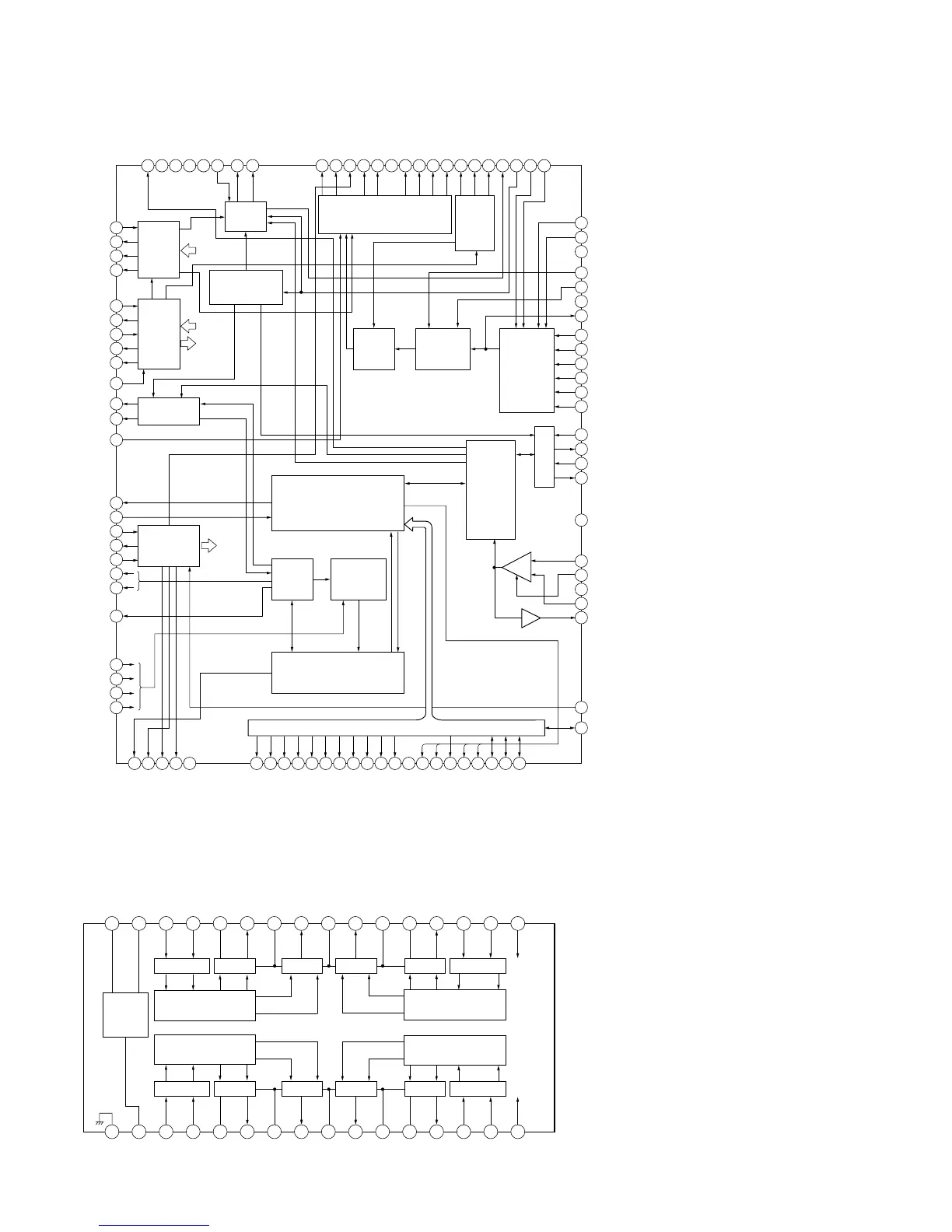
Sony MDS-JB930 - IC Block Diagrams (Main Board); IC121 CXD2656 R Block Diagram; IC152 BH6511 FS-E2 Block Diagram

Sony MDS-JB930
74 pages
Print Icon
To Next Page IconTo Next Page
To Next Page IconTo Next Page
To Previous Page IconTo Previous Page
To Previous Page IconTo Previous Page
Loading...
50
IC121 CXD2656R
IC152 BH6511FS-E2
100
99 98 97 96 95 94 93
EFMO
DVSS
TEST3
TEST2
TEST1
FGIN
SPFD
SPRD
92
SFDR
91
SRDR
90
FS4
89
FRDR
88
FFDR
87
DVDD
86
TFDR
85
TRDR
84
LDDR
83
APCREF
82
DTRF
81
CKRF
80
XLRF
79
F0CNT
78
ADFG
77
APC
76
DCHG
75
TE
74
SE
73
AVSS
72
ADRB
71
ADRT
70
AVDD
69
ADIO
62
CLTV
61
FILO
60
FILI
59
PCO
57
RFI
58
AVSS
56
BIAS
55
AVDD
54
ASYI
53
ASYO
52
MVCI
51
D3
68
VC
67
AUX1
66
FE
65
ABCD
64
BOTM
63
PEAK
50
D2
49
D0
48
D1
47
XWE
46
XRAS
45
A09
44
XCAS
43
XOE
42
DVSS
41
A11
40
A08
39
A07
38
A06
37
A05
36
A04
35
A10
34
A00
33
A01
32
A02
31
A03
30
DVDD
28
XBCK
29
FS256
26
DADT
27
LRCK
24
XBCKI
25
ADDT
23
LRCKI
22
DATAI
21
DOUT
20
DIN1
19
DIN0
18
XTSL
17
OSCO
16
OSCI
15
TX
14
XINT
13
RECP
12
DQSY
11
SQSY
10
XRST
9
SENS
8
SRDT
7
XLAT
6
SCLK
5
SWDT
4
MNT3
3
MNT2
2
MNT1
1
MNT0
PWM
GENERATOR
AUTO
SEQUENCER
SERVO
DSP
CPU I/F
MONITOR
CONTROL
SPINDLE
SERVO
EACH
BLOCK
EACH
BLOCK
DIGITAL
AUDIO
I/F
SAMPLING
RATE
CONVERTER
CLOCK
GENERATOR
SUBCODE
PROCESSOR
EACH
BLOCK
A/D
CONVERTER
ANALOG
MUX
EFM/ACIRC
ENCODER/
DECODER
PLL
SHOCK RESISTANT
MEMORY CONTROLLER
ATRAC
ENCODER/DECODER
ADIP
DECODER
COMP
ADDRESS/DATA BUS A00 - A11, D0 - D3
32 31 30 29 28 27 26 25 24 23 22 21 20 19 18 17
1 2 3 4 5 6 7 8 9 10 11 12 13 14 15 16
GND
VG
IN4R
IN4F
VM4
OUT4F
PGND4
OUT4R
VM34
OUT3R
PGND3
OUT3F
VM3
IN3F
IN3R
PSB
CAPA–
CAPA+
IN2R
IN2F
VM2
OUT2F
PGND2
OUT2R
VM12
OUT1R
PGND1
OUT1F
VM1
IN1F
IN1R
V
DD
CHARGE
PUMP.
OSC
INTERFACE
AMP
INTERFACE
AMP
AMP
INTERFACE
PREDRIVEPREDRIVE
PREDRIVEPREDRIVE
AMP
INTERFACE
AMPAMPAMP
V
DD
PSB
AMP

Other manuals for Sony MDS-JB930

Related product manuals