EasyManua.ls Logo

Sony MHC-V50D - Loading Panel Assy

Sony MHC-V50D
70 pages
Print Icon
To Next Page IconTo Next Page
To Next Page IconTo Next Page
To Previous Page IconTo Previous Page
To Previous Page IconTo Previous Page
Loading...
MHC-V50/V50D
13
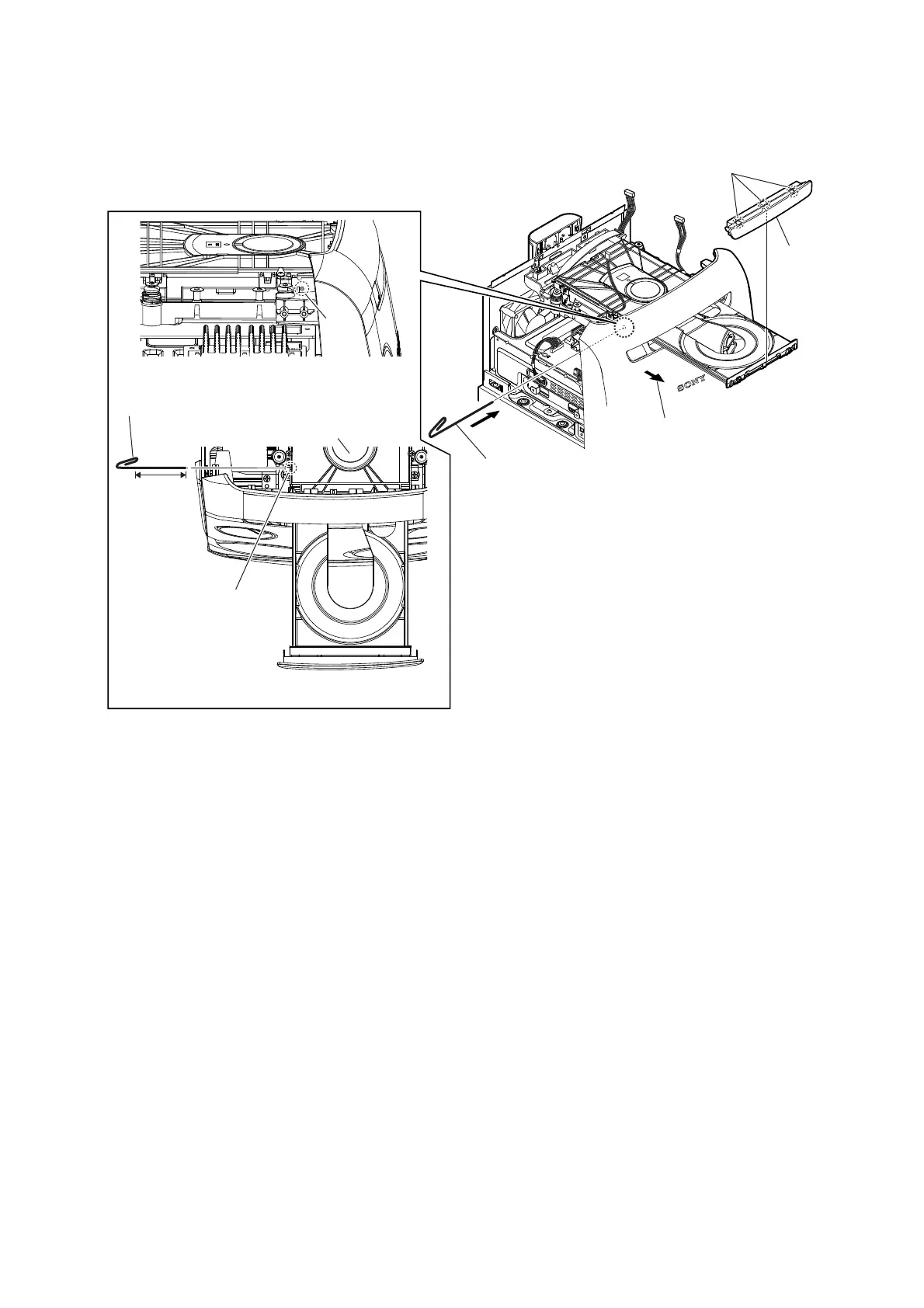
2-4. LOADING PANEL ASSY
3 three claws
– Front view –
1 Insert the clip etc.
2 Draw out the tray.
4 panel, loading
assy
3
8 cm or more
– Top view –
CD/DVD mechanism deck
tray
Insert the clip etc. processed to the
length of 8 cm or more in the hole
on the side of the CDM and push.
Note: Push after it inserts it
in this hole well.
– Left view –
hole

Table of Contents

Other manuals for Sony MHC-V50D

Related product manuals