EasyManua.ls Logo

Sony PMW-300 - Page 71

Sony PMW-300
134 pages
Print Icon
To Next Page IconTo Next Page
To Next Page IconTo Next Page
To Previous Page IconTo Previous Page
To Previous Page IconTo Previous Page
Loading...
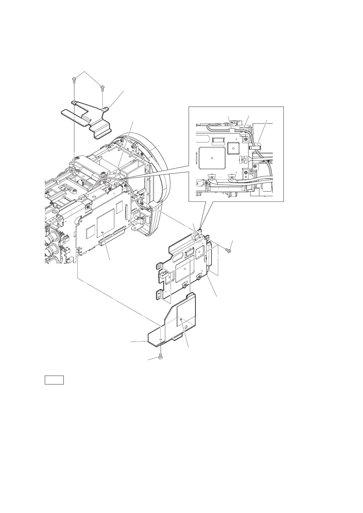
5. Remove the four screws to detach the VPR spreader assembly.
Harness
Precision screws
(P2 x 4)
Out side radiation plate
VPR spreader assembly
TOP radiation sheet metal
Precision screws
(P2 x 4)
(a)
(b)
Precision screws
(P2 x 4)
Claw
Boss
Hole
Harness
Clamp
Claw
Note
When installing the VPR spreader assembly, arrange the harness as shown in the figure.
When installing the outside radiation plate, fit the boss with the hole.
When installing the top radiation sheet metal, tighten the screws (a) to (b) in this order.
6. Disconnect the three coaxial cables from the three connectors on the VPR-124 board.
PMW-300
2-43

Table of Contents

Related product manuals