EasyManua.ls Logo

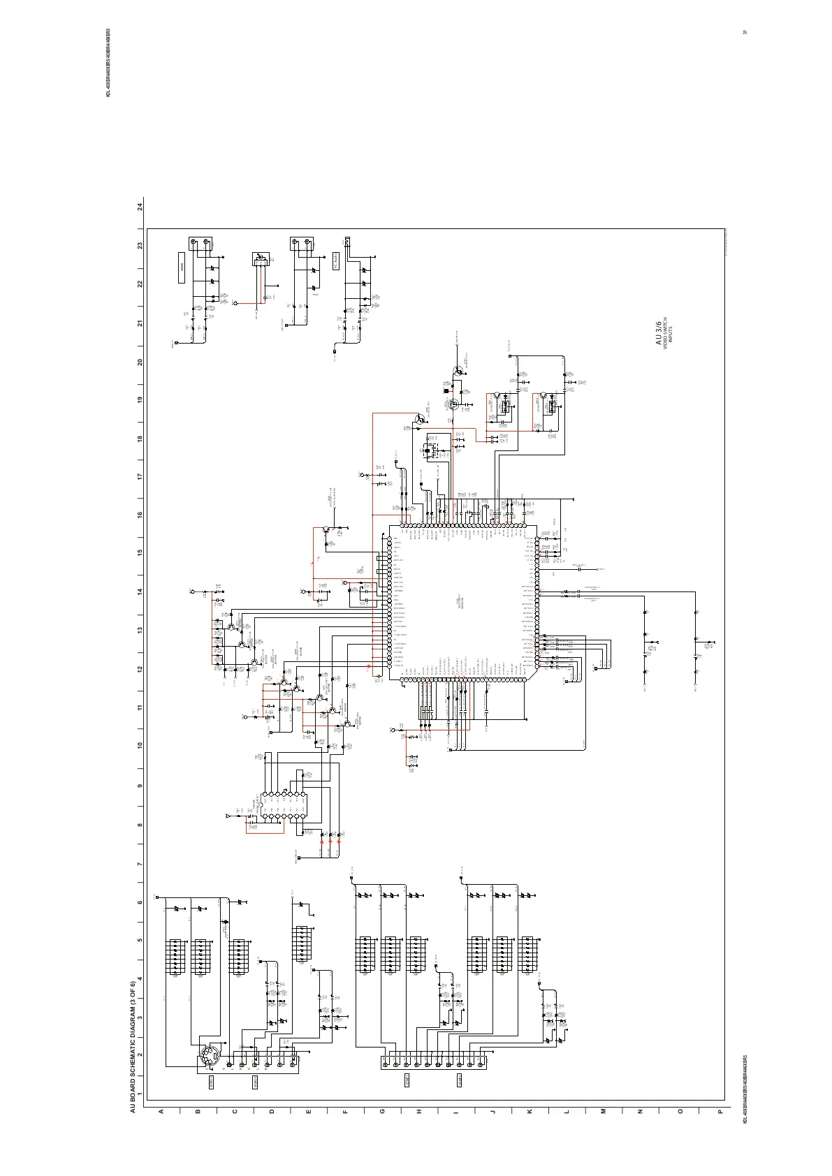
Sony RM-YD017 - AU Board Schematic Diagram (3 of 6)

Sony RM-YD017
149 pages
Print Icon
To Next Page IconTo Next Page
To Next Page IconTo Next Page
To Previous Page IconTo Previous Page
To Previous Page IconTo Previous Page
Loading...
KDL-40XBR4/40XBR5/46XBR4/46XBR5
KDL-40XBR4/40XBR5/46XBR4/46XBR5 31
1 | 2 | 3 | 4 | 5 | 6 | 7 | 8 | 9 | 10 | 11 | 12 | 13 | 14 | 15 | 16 | 17 | 18 | 19 | 20 | 21 | 22 | 23 | 24
A
B
C
D
E
F
G
H
I
J
K
L
M
N
O
P
AU BOARD SCHEMATIC DIAGRAM (3 OF 6)
1/16W
100R522
1/16W
CHIP
5%
68k
R552
1/16W10 0
R494
1/16W
100
R530
1/16W
100
R492
S
SI2 301 BDS -T1
Q420
1/16W
R509
100
VSW_PW_CTRL
1/16W
CHIP
5%
47
R578
1/16W
100
R531
1/16W
CHIP
5%
10k
R594
FE_ I2C _2
1/16W
CHIP
5%
68k
R553
PC_SYNC _INT
1/16W
CHIP
5%
47
R579
1/16W10 0
R495
1/16W
100R498
1/16W
100
R493
1/16W
100
R508
PC_SYNC_OUT
1/16W
100
R507
D1_V_I N
V1_ IN
D2_V_I N
MAIN_V_OUT
1/16W
CHIP
22
R481
1/10W
RN-CP
330
R486
5%
1/10W
RN-CP
330
R478
5%
1/16W
CHIP
22
R475
1/10W
RN-CP
330
R474
5%
1/16W
CHIP
22
R512
1/16W
CHIP
22
R516
1/10W
RN-CP
330
R511
5%
1/10W
RN-CP
330
R515
5%
1/16W
CHIP
22
R517
1/16W
CHIP
5%
22
R546
1/16W
CHIP
5%
22
R548
MAIN_COMP_OUT
2SA1 226- T1E3 E4
Q407
2SA1 226- T1E3 E4
Q403
2SA1 226- T1E3 E4
Q406
V2_V _IN
1/16W100R541
CHIP
0
R453
CHIP
0
R510
1005
16V
0. 1
C504
14 13 1 2 11 10 9
8
7
654321
ADA48 61-3YR Z-RL7
IC4 01
PD1
PD2
PD3
VCC
IN+1
IN -1
OUT1 OUT3
IN -3
IN+3
VEE
IN+2
IN -2
OUT2
RN-CP
R461
470
1/10W
0.5%
RN-CP
R455
470
1/10W
0.5%
RN-CP
R451
470
1/10W
0.5%
R572
0
R573
0
1/16W330k
R471
1/16W330k
R472
1/16W330k
R473
1005
CHIP
R589
0
4MHz
X401
V3_V
V3_V
D2_LR _IN
V1_L R_I N
CHIP
0
R416
CHIP
0
R415
D1_V_I N
D2_V_I N
V3_L R_I N
D1_LR _IN
V1_ IN
L
R
J40 3
CHIP
0
R597
PC_L R_IN
J40 4
CHIP
0
R598
OPT_OUT
LINE_ LR_OUT
REC5V
HDMI_LR
L
R
J40 2
CHIP
0
R600
CHIP
0
R599
REC5V
REC5V
STBY5V
REC5V
REC5V
1/10W
RN-CP
0.5%
10
R476
1/10W
RN-CP
0.5%
10
R477
1/10W
RN-CP
0.5%
10
R465
1/10W
RN-CP
0.5%
10
R466
1/10W
RN-CP
0.5%
10
R467
S_C
S_Y/ CV
S_CR
1/16W
CHIP
5%
22
R543
CHIP
0
R583
CHIP
0
R584
REC9V
SET9V
2012
25V
1
C450
X7R
2012
25V
1
C426
X7R
2012
25V
1
C464
X7R
1005
16V
0. 1
C453
1005
16V
0. 1
C471
1005
16V
0. 1
C474
1005
16V
0. 1
C499
1005
16V
0. 1
C502
1608
10V
1
X7R
C508
1005
16V
0. 1
C514
1608
10V1 X7RC4 85
1608
10V
1
X7R
C487
1005
25V
0. 01
X7R
C486
1005
25V0. 01
X7RC48 8
1005
16V
0. 1
C495
10051 6V
C494
0. 1
16V
10
C404
16V
10
C405
16V
10
C412
16V
10
C413
16V
10
C406
16V
10
C407
16V
10
C408
16V
10
C409
16V
C517
10
16V
C518
10
16V
C515
10
16V
C516
10
16V
47
C419
16V
47
C470
16V
47
C500
RT1N 141C -TP- 1
Q423
1005
50V
47p
CH
C512
1005
16V
0. 1
C503
1/16W
CHIP
5%
470
R595
Q421
2SC 305 2EF -T1 -LE F
1005
25V
0. 01
X7R
C505
1005
50V
47p
CH
C511
C506
0. 01
25V
X7R
1005
1/16W
CHIP
5%
470
R596
Q422
2SC 305 2EF -T1 -LE F
C507
0. 01
25V
X7R
1005
3216
10V
10
X7R
C509
3216
10V
10
X7R
C510
RT1N 141C -TP- 1
Q419
1/16W
CHIP
5%
10k
R591
PC_SYNC _IN
10V
10
X7R
C489
10V X7R
C490 10
1/16WR613 10 0
1/16WR614 10 0
2SC 305 2EF -T1 -LE F
Q424
1/16W
CHIP
5%
100
R615
1/16W
RN-CP
0.5%
1k
R616
DATA_SLI CER_MAIN
V_DET
1608
25V
0. 1
C418
X7R
160810V1 X7RC43 2
160810V1 X7RC433
160810V1 X7RC 434
201216V2.2 X7RC439
201216V2.2 X7RC440
201216V2.2 X7RC443
2012
16V2. 2 X7R
C447
201216V2 .2 X7R
C448
201216V2 .2 X7R
C449
201216V2 . 2 X 7R
C454
201216V2 . 2 X7R
C455
201216V2 . 2 X 7R
C456
201216V2 .2 X7R
C472
201216V2 .2 X7R
C475
1608
25V
0. 1
X7R
C473
1/16W
RN-CP
10kR574
0.5%
D422
MC28 38-T1 12-1
D421
MC28 38-T1 12-1
REC_Y
REC_C
201216V2. 2 X7RC437
1/16W
CHIP100
R575
1/16W
CHIP
5%
1M
R424
1/16W
CHIP
5%
1M
R425
1/16W
CHIP
5%
1M
R439
1/16W
CHIP
5%
1M
R440
1/16W
CHIP
5%
1M
R427
1/16W
CHIP
5%
1M
R428
1/16W
CHIP
5%
1M
R429
1/16W
CHIP
5%
1M
R430
1/16W
CHIP
5%
1M
R602
1/16W
CHIP
5%
1M
R604
1/16W
CHIP
5%
1M
R601
1/16W
CHIP
5%
1M
R603
CHIP
0
R618
CHIP
0
R617
10uH
L403
10uH
L405
10uH
L407
MAZ8100G0LS0
D402
VIN
VCC
GND
BLK
3P
TB404
1/10W
RN-CP
0.5%
75
R627
1/10W
RN-CP
0.5%
75
R628
0
R629
0
R630
0
R631
0
R632
0
R633
0
R634
1/10W
RN-CP
270
R537
5%
1/10W
RN-CP
270
R542
5%
1/10W
RN-CP
270
R532
5%
1/10W
RN-CP
0.5%
39
R529
1/10W
RN-CP
0.5%
39
R527
1/10W
RN-CP
0.5%
39
R528
VD440
VD445
VD450
VD455
VD460
VD465
VD441
VD446
VD451VD456VD461
VD466
VD442
VD447
VD452VD457
VD462
VD467
VD443
VD448VD453VD458
VD463
VD468
VD444
VD449
VD454
VD459
VD464
VD469
MA2J1110GLS0
D423
MA2J1110GLS0
D424
ISA 1235 AC1T P-1E F
Q408
ISA 1235 AC1T P-1E F
Q414
ISA 1235 AC1T P-1E F
Q415
ISA 1235 AC1T P-1E F
Q409
ISA 1235 AC1T P-1E F
Q416
R590
10k
1/16W
CHIP
5%
R592
10k
1/16W
CHIP
5%
10uH
L406
1/10W
RN-CP
5%
270
R637
1/10W
RN-CP
5%
270
R638
1/10W
RN-CP
5%
270
R639
1608
25V0 . 1C438
X7R
1/10W
RN-CP
0.5%
2. 2k
R431
1/10W
RN-CP
0.5%
2. 2k
R432
1/10W
RN-CP
0.5%
2. 2k
R433
1/10W
RN-CP
0.5%
2. 2k
R435
1/10W
RN-CP
0.5%
2. 2k
R436
1/10W
RN-CP
0.5%
2. 2k
R437
1/10W
RN-CP
0.5%
2. 2k
R441
1/10W
RN-CP
0.5%
2. 2k
R442
1/10W
RN-CP
0.5%
2. 2k
R443
1/10W
RN-CP
0.5%
2. 2k
R444
1/10W
RN-CP
0.5%
2. 2k
R445
1/10W
RN-CP
0.5%
2. 2k
R446
1/16W
CHIP
5%
3. 3k
R593
160816V1 B
C478
RB401
600
RB402
600
RB403
600
RB404
600
RB405
600
RB406
600
RB407
600
RB408
600
RB409
600
RB410
600
3
4
1 2
L1
R1
V1
L2
R2
V2
TB401
1 2
3 4
5
6
7
8
9
10
11
12
14
15
16
17
13
18
19
20
GRN
BLU
RED
WHT
RED
GRN
BLU
RED
WHT
RED
J40 5
10V
100
C524
10V
100
C525
6. 3V
220
C498
6. 3V
220
C466
REC5V
10uH
L404
10V
100
C458
6. 3V
1000
C425
6. 3V
220
C526
1608
16V
0. 06 8
B
C527
1 2 3 4 5 6 7 8 9 10 11 12 13 14 15 16 17 18 19 20 21 22 23 24 25 26 27 28 29 30
31
32
33
34
35
36
37
38
39
40
41
42
43
44
45
46
47
48
49
50
51
52
53
54
55
56
57
58
59
60
616263646566676869707172737475767778798081828384858 687888 990
91
92
93
94
95
96
97
98
99
100
101
102
103
104
105
106
107
108
109
110
111
112
113
114
115
116
117
118
119
120
CXA224 0AR-TL
IC4 02
C/CB/ B_IN 8
Y/Y/ G_IN8
CV/CR /R_IN8
MD3/S2-3
C/CB/ B_IN 7
Y/Y/ G_IN7
CV/CR /R_IN7
S1- 3
C/CB/ B_IN 6
Y/Y/ G_IN6
CV/CR /R_IN6
MD2/S2-2
C/CB/ B_IN 5
Y/Y/ G_IN5
CV/CR /R_IN5
S1- 2
C/CB/ B_IN 4
Y/Y/ G_IN4
CV/CR /R_IN4
S2- 1
CV3
CV2
CV1
S1- 1
IN1_ L3
IN1_ V/L2
IN1_H /L1
IN1_SW
IN2_ L3
IN2_ V/L2
IN2_H /L1
IN2_SW
IN3_L 3
IN3_ V/L2
IN3_H /L1
IN3_SW
IN4_V
IN4_H
GND_DEF
SYNC_OUT1
SYNC_IN1
H_PH1
V_PH1
SYNC_OUT2
SYNC_IN2
H_PH2
V_PH2
VCC_DEF
EXT _C LK/ Xt al
PS_HVCS
IRE F
GND5H_OUT
SELH_OUT1
SELV_OUT1
PC_ID
SELH_OUT2
SELV_OUT2
VCC5H_OUT
SDA
SCL
ADR
DC_OUT
C_OUT5
NC
Y_SAG
CV/Y_OUT5
NC
CV_SAG
CV_OUT5
VCC_9OUT
CV/Y_OUT4
CV/Y_OUT3
GND9_OUT
Y_PH2
Y_PH1
GND5_OUT
C/CB/B_OUT2
CV/Y/G_OUT2
C/CR/R_OUT2
VCC5_OUT
C/CB/B_OUT1_1
NC
CV/Y/G_OUT1_1
NC
C/CR/R_OUT1_1
VCC5_OUT1
FBLK_OUT
VCCFB_OUT
C_OUT1_2
CV_OUT1_2
NC
B_IN14
G_IN14
R_IN14
NC
CLP_CR2
CLP_CR1_1
CLP_CR1_2
FBLK_I N3
SC_B/ C/CB/ B_IN13
SC_G/Y /Y/G_I N13
SC_R/C V/CR/ R_IN13
FBLK_I N2
SC_B/ C/CB/ B_IN12
SC_G/Y/Y G_IN12
SC_R/C V/CR/ R_IN12
VCC_IN
FBLK_I N1
SC_B/ C/CB/ B_IN11
SC_G/Y /Y/G_I N11
SC_R/C V/CR/ R_IN11
MD4/S2-4
C/CB/ B_IN1 0
Y/Y/G _IN1 0
CV/CR/ R_IN1 0
S1- 4
C/CB //B _IN9
Y/Y/ G_IN9
CV/CR /R_IN9
GND_IN
68
R448
1/10W
68
R449
1/10W
68
R447
1/10W
1608
16V X7R
C492 0 .4 7
1608
16V
X7R
C522
0. 47
1005
1/16W
CHIP
5%
R581
100
160816V
X7RC49 1
0. 47
1005
1/16W
CHIP
5%
R582
100
1005
1/16W
CHIP
5%
R586
100
1608
16V
X7R
C519
0. 47
1005
1/16W
CHIP
5%
R558
100
1608
16V
X7R
C520
0. 47
1005
1/16W
CHIP
5%
R587
100
1005
1/16W
CHIP
5%
R557
100
1608
16V
X7R
C521
0. 47
D2_CB
SIGN1 5050
M_C
M_Y/CV
V1_SSW
D2_Y
D2_CR
V1_C
V1_Y
V1_V
D1_R
D2_R
D2_L
D1_L
PC_AU_L
PC_AU_R
HDMI_L
HDMI_R
M_CB/B
M_CR/R
FE_S CL2
FE_SDA2
PC_V_OUT
PC_H_OUT
PC_H_I N
PC_V_ IN
D1_Y
D1_CR
D1_CB
V1_L
V1_R
V3_R
V3_L
M_Y/G
LIN E_R
LIN E_ L
V1_YV1_Y
V1_CV1_C
V1_V V1_V
D2_CRD2_CR
D2_CB D2_CB
D2_Y D2_Y
D1_Y
D1_Y
D1_CB
D1_CB
D1_CR
D1_CR
V1_SSW
V
R
S
V
VIDEO1
L
L
R
PC Aud io
HDMI
VIDEO3
COMP1
COMP2
INPUTS
VIDEO SWITCH
A - 13 1 3- 9 96 - A
AU 3/6
VIDEO SW
3. 6
3. 6
3. 6
3. 6
3. 6
3. 6
3. 6
3. 6
1. 0
1. 0
1. 0
3. 6
3. 6
3. 6
3. 6
3. 6
3. 6
3. 6
3. 6
OP-AMP
CV/Y
BUFFER
2. 4
1. 7
BUFFER
2. 4
1. 7
BUFFER
BUFFER
BUFFER
BUFFER
BUFFER
BUFFER
1. 7
2. 4
1. 7
2. 4
4. 7
4. 0
1. 0
1. 0
1. 0
2. 9
1. 0
3. 3
1. 0
0. 0
4. 7
4. 0
4. 7
1. 0
4. 7
< FI X 2 >P 3
All manuals and user guides at all-guides.com

Table of Contents

Related product manuals