EasyManua.ls Logo

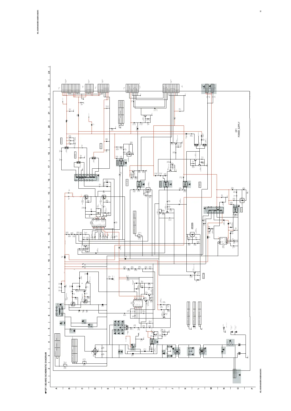
Sony RM-YD017 - GF1 Board Schematic Diagram

Sony RM-YD017
149 pages
Print Icon
To Next Page IconTo Next Page
To Next Page IconTo Next Page
To Previous Page IconTo Previous Page
To Previous Page IconTo Previous Page
Loading...
KDL-40XBR4/40XBR5/46XBR4/46XBR5
KDL-40XBR4/40XBR5/46XBR4/46XBR5 63
1 | 2 | 3 | 4 | 5 | 6 | 7 | 8 | 9 | 10 | 11 | 12 | 13 | 14 | 15 | 16 | 17 | 18 | 19 | 20 | 21 | 22 | 23 | 24 |
A
B
C
D
E
F
G
H
I
J
K
L
M
N
O
P
GF1 BOARD SCHEMATIC DIAGRAM
1/10W
RN-CP
10k
R6429
5%
2012
1/10W
RN-CP
220k
R6533
1/10W
RN-CP
330k
R6539
5%
1/10W
RN-CP
0.5%
6. 8k
R6535
2W
RS
R6524
6. 8
1/10W
RN-CP
1. 5k
R6517
5%
2012
1/10W
RN-CP
150k
R6534
1/10W
RN-CP
1k
R6428
5%
1/10W
RN-CP
10k
R6310
5%
GND_1
1/10W
RN-CP
0.5%
100
R6536
2012
1/10W
RN-CP
220k
R6531
1/10W
RN-CP
100k
R6514
5%
GND_1
S
2SK39 34(LB S1SON Y.Q
Q6503
*F60 00
6.3 A
1/10W
RN-CP
5. 6k
R6309
0.5%
GND_1
EY602 5
1/10W
RN-CP
5%
33k
R6413
1/10W
RN-CP
R6015
5%
1M
2W
RS
R6512
22
1/10W
RN-CP
0.5%
220k
R6302
1/10W
RN-CP
220k
R6540
5%
1/10W
RN-CP
100
R6541
5%
10ER B20- TB3
D6204
PC123Y22JOOF
PH6300
1
23
4
1W
RS
100k
R6202
1/10W
RN-CP
1k
R6408
5%
1/10W
RN-CP
R6317
5%
4. 7k
1/10W
RN-CP
47k
R6518
5%
EY602 4
1/10W
RN-CP
10k
R6520
5%
1/4W
FPRD
2. 2
R6203
1/2W
RF
0. 1
R6110
GND_1
1/10W
RN-CP
1k
R6319
5%
1/10W
10k
R6516
5%
1/10W
RN-CP
4. 7k
R6311
5%
10ER B20- TB3
D6203
1/10W
RN-CP
5%
10k
R6416
EY602 6
S
2SK39 34(LB S1SON Y.Q
Q6502
1/10W
RN-CP
10k
R6521
5%
8 7 5
4321
MIP2H2
IC6 200
VDD
FB
OLP
VCC DRAIN
SOURCE
SOURCE
1/10W
RN-CP
470
R6511
5%
1/10W
RN-CP
5%
R6014
1M
2012
1/10W
RN-CP
270k
R6530
50V
1
C6510
50V
100
C6205
PC123Y22JOOF
PH6301
1
2 3
4
1/10W
RN-CP
5%
1k
R6433
2SB 112 2-S T-T D-E
Q6303
1/10W
RN-CP
0.5%
39k
R6303
1
3
*CN6000
3P
AC IN<N>
AC IN<L >
GND_1
1/10W
RN-CP
0.5%
5. 6k
R6201
1/10W
RN-CP
0.5%
4. 7k
R6304
50V
C6518
10
1/10W
RN-CP
10k
R6430
5%
47k
R6312
1/10W
RN-CP
5%
EY602 7
50V
10
C6521
PC123Y22JOOF
PH6200
1
23
4
1/10W
RN-CP
22k
R6538
5%
2012
1/10W
RN-CP
220k
R6532
450V
180
C6016
450V
180
C6017
1/10W
47k
R6510
5%
1/10W
RN-CP
5%
33k
R6415
E
ET600 1
DIP A [ X [ q ´
E
ET600 2
DIP A [ X [ q ´
3
1
2
MM1431ATT(CN)
IC6 301
3
1
2
MM1431ATT(CN)
IC6 300
TH6301
1/10W
RN-CP
R6308
5%
220k
*VD6000
250V
4700p
C6014
F
50V
1000p
C6206
B
1608
1608
50V
4700p
B
C6505
1608
50V
1000p
B
C6506
16V
0. 1
B
C6410
50V
1000p
B
C6302
250V
4700p
C6015
F
2012
50V
B
C6019
0. 01
50V
1000p
B
C6305
50V
100p
CH
C6201
25V
0. 1
B
C6508
C6512
50V
CH
330p
450V
1. 5
C6503
PT
2012
50V
B
C6020
0. 01
50V
2200p
B
C6507
16V
0. 1
B
C6200
25V
B
C6402
0. 01
C6511
50V
CH
470p
BAT54HT1
D6502
E
ET600 0
DIP A [ X [ q ´
8 7 6 5
4321
L656 2
IC6 500
INV
COMP
MULT
CS ZCD
GND
GD
VCC
260uH
L650 0
250V
B
C6006
680p
250V
680p
B
C6010
*FH60 00
*FH60 01
16V
470
C6250
1/10W
RN-CP
0.5%
10k
R6255
GND_1
50V
1
C6202
50V
2. 2
C6204
16V
0. 1
B
C6251
2. 2k
R6251
1/10W
RN-CP
5%
1/10W
RN-CP
5%
1k
R6250
1/10W
RN-CP
0.5%
10k
R6254
1/10W
RN-CP
5%
47
R6252
GND_1
25V
0. 01
B
C6522
1/4W
FPRD
1k
R6525
2SB 112 2-S T-T D-E
Q6505
2012
1/10W
RN-CP
R6504
220k
1/10W
RN-CP
270k
R6543
2012
1/10W
RN-CP
R6505
220k
2012
1/10W
RN-CP
R6501
220k
2012
1/10W
RN-CP
R6542
470k
2012
1/10W
RN-CP
R6500
220k
2012
1/10W
RN-CP
R6503
100k
1/10W
RN-CP
0.5%
18k
R6546
RN-CP
3. 9k
R6545
1/10W
0.5%
1/10W
RN-CP
5%
470
R6515
M1FM3
D6100
1/10W
RN-CP
0.5%
R6102
4. 7k
1/10W
RN-CP
1k
R6150
5%
2W
RS
R6121
0. 47
1/10W
RN-CP
0.5%
4. 7k
R6156
BAT54HT1
D6101
25V
0. 01
B
C6100
GND_1
1/10W
CHIP
22
R6117
5%
1608
25V
0. 01
B
C6106
UF4005PKG23
D6104
1/10W
CHIP
22
R6116
2012
5%
50V
4. 7
C6103
M1FM3
D6105
1/10W
RN-CP
0.5%
18k
R6112
2012
50V
0. 01
B
C6112
2012
1/10W
RN-CP
1M
R6106
1/10W
RN-CP
1k
R6151
5%
1/10W
RN-CP
0.5%
12k
R6154
1/10W
RN-CP
1M
R6107
2012
1/10W
0.5%
39k
R6100
25V
47
C6107
18 1 6 1 5 14 12 11 10
987654321
CXD9841P
IC6 100
VSEN
FB
CT
RT
GND
PROT
SS
VC1
OCP VC2
PGND
VGL
VB
VS
VGH
VD
2012
1/10W
RN-CP
220k
R6111
1/10W
RN-CP
1M
R6109
2012
1/10W
RN-CP
0.5%
100
R6115
50V
1000p
C6101
CH
1/10W
RN-CP
1k
R6123
0.5%
50V1 0
C6102
2012
1/10W
RN-CP
1M
R6108
R6118
1/10W
RN-CP
10k
5%
35V
100
C6104
1/10W
0.5%
100
R6103
25V
0. 22
C6108
B
2012
1/10W 0.5%18k
R6104
PC123Y22JOOF
PH6100
1
23
4
1/10W
RN-CP
1k
R6152
5%
1/10W
RN-CP
1M
R6122
50V
0. 04 7
B
C6150
3
1
2
MM1431ATT(CN)
IC6 150
R6119
1/10W
RN-CP
5%
10k
GND_1
R6332
2. 2
1/4W
FPRD
RN-CP
6. 8k
R6153
1/10W
0.5%
2SC 305 2EF -T1 -LE F
Q6500
2SC 305 2EF -T1 -LE F
Q6304
2SC 305 2EF -T1 -LE F
Q6406
2SC 305 2EF -T1 -LE F
Q6403
10uH
L625 0
C6408
10V
B
1
1608
25V
0. 1
B
C6304
1608
25V
0. 1
B
C6517
1kV
470p
D
C6110
1kV
C6513
470p
D
1kV
C6514
470p
D
1kV
C6515
D
470p
1kV
C6516
D
470p
05NU42-TP A2
D6201
FB610 0
0uH
FB610 1
0uH
10V
B
C6303
1
D15XB60
D6000
1
2
3
4
Mount Me cha
41031 4301
A6010
2SC 305 2EF -T1 -LE F
Q6407
2012
50V
B
C6167
0. 1
25V
B
C6162
0. 01
1/10W
RN-CP
47k
R6164
1/10W
RN-CP
4. 7
R6165
1
2
3
4
5
6
7
8
9
10
11
12
13
13P
CN6150
GND
GND
GND
6V
6V
NC
GND
GND
GND
12V
12V
12V
12V
GND_1
GND_1
GND_1
4.7 uH
L615 2
1
2
GND_1
GND_1
10uH
L615 0
25V
B
C6155
0. 01
GND_1
GND_1
1
2
3
4
5
6
7
8
9
10
11
12
12P
CN6154
18V
GND
GND
STBY5V
PS_ERR
PFC_DET
AC_RLY
GND
DIMMER
BACK_LIGHT
INV_ERR
BALANCER_ERR
1/10W
RN-CP
5%
470
R6414
1/10W
RN-CP
10k
R6439
5%
16V
0. 1
B
C6405
1/10W
RN-CP
33k
R6440
5%
1/10W
RN-CP
10k
R6441
5%
1/10W
RN-CP
22k
R6442
5%
CHIP
0
R6412
25V
B
C6209
0. 01
2SC 305 2EF -T1 -LE F
Q6307
PC123Y22JOOF
PH6302
1
2 3
4
1/10W
RN-CP
5%
4. 7k
R6307
1/10W
RN-CP
5%
1k
R6315
1/10W
RN-CP
4. 7k
R6434
5%
4. 7k
R6571
1/10W
RN-CP
5%
GND_1
GND_1
D1NS6-T R2
D6250
2012
1/10W
RN-CP
R6502
100k
2012
1/10W
RN-CP
R6506
100k
1/10W
RN-CP
270k
R6544
2SC 305 2EF -T1 -LE F
Q6301
1/10W
RN-CP
5%
R6321
10k
1/10W
RN-CP
5%
R6320
22k
1/10W
RN-CP
5%
R6305
100k
25V
B
C6306
0. 01
EY603 0
EY603 1
Mount Me cha
41031 4301
A6011
450V
1
C6500
PT
450V
1. 5
C6501
PT
SG10 SC6-F 5
D6150
1
2
3
SG10 SC6-F 5
D6151
CHIP
0
R6410
RLY_VCC
PROTEC T-1
1/10W
RN-CP
R6405
5%
100k
R6009
10W
RB
6. 8
GND_1
PC123Y22JOOF
PH6303
1
2 3
4
1/10W
RN-CP
R6404
5%
1k
RY6000
1
2
3
4
1/10W
RN-CP
R6324
5%
33k
CHIP
0
R6402
REG_12V
GND_1
PROTEC T-2
C6012
275V
PT
0. 68
VD6001
PROTEC T-2
1
2
3
4
5
6
7
8
9
9P
CN6153
GND
DIMMER
BACK_LIGHT
INV_ERR
GND
REG12V
BALANCER_ERR
NC
NC
10k
R6406
1/10W
RN-CP
5%
2SC 305 2EF -T1 -LE F
Q6402
GND_1
1/10W
RN-CP
10k
R6411
5%
1/10W
RN-CP
1k
R6438
5%
10k
R6407
1/10W
RN-CP
5%
1/10W
RN-CP
10k
R6437
5%
1/10W
RN-CP
10k
R6436
5%
Mount Me cha
41031 4301
A6005
16V
1500
C6152
16V
1500
C6153
16V
2200
C6160
1/10W
RN-CP
5%
47k
R6157
GND_1
EP05FA2 0
D6509
0. 02 2
C6111
1kV
PP
1608
CHIP
R6328
0
C6307
1608
50V
1000p
B
25V
C6165
3300
1
2
3
4
5
6
6P
CN6151
6V
GND
GND
GMD
12V
12V
3
1
2
MM1431ATT(CN)
IC6 250
FB615 0
0uH
FB615 2
0uH
FB615 1
0uH
FB615 3
0uH
1
2
3
4
5
6
7
8
8P
CN6152
AUDIO_VCC
AUDIO_VCC
AUDIO_GND
AUDIO_GND
GND
GND
12V
12V
RLY_VCC
REG_12V
R6522
0UH
R6523
1/4W
FPRD
47
R6526
1/4W
FPRD
47
R6527
S
2SK3 561( LBS2 SONY ,Q)
Q6100
S
2SK3 561( LBS2 SONY ,Q)
Q6101
GND_1
GND_1
GND_1
250V
E
C6024
1000p
E
ET600 3
DIP A [ X [ q ´
GND_1
CA6002
4.0mm
CA6001
4.0mm
ISA1 235A C1T P-1E F
Q6501
ISA1 235A C1T P-1E F
Q6405
ISA1 235A C1T P-1E F
Q6404
ISA1 235A C1T P-1E F
Q6506
SG10 SC6-F 5
D6153
MC283 8-T11 2-1
D6500
MC283 8-T11 2-1
D6401
2W
RS
R6126
0. 47
10W
RB
0. 11
R6513
1
2
5
6
12
10
8
7
L650 2
300uH
250V
B
C6007
470p
250V
B
C6011
470p
1
2 3
4
L600 2
9mH
1
2 3
4
*L6 000
9mH
TMP
MAZ8150G0LS0
D6102
MA2J1110GLS0
D6202
MA2J1110GLS0
D6305
MA2J1110GLS0
D6306
MA2J1110GLS0
D6307
MA2J1110GLS0
D6402
MA2J1110GLS0
D6503
MA2J1110GLS0
D6512
MA2J1130GLS0
D6308
SF5L 60
D6506
MC28 38-T11 2-1
D6405
1/10W
RN-CP
5%
1k
R6418
MAZ8100G0LS0
D6406
MAZ8150G0LS0
D6400
1608
50V
1000p
B
C6310
0
R6318
0.45 uH
FB600 1
0.45 uH
FB600 2
Mount Me cha
26340 6632
A6004
D6000
Mount Me cha
26340 6632
A6003
D615 0,D61 51,D 6153
1/10W
RN-CP
5%
1k
R6419
1/10W
RN-CP
5%
100k
R6420
2SC 305 2EF -T1 -LE F
Q6408
GND_1
T6200
1
3
2
10
114
6
8
15
16
T6100
1
3
8
9
10
11
12
15
13
14
4
5
7
6
2
R6323
2W
RS
47k
C6407
10V
1000
630V
0. 00 1
C6203
PP
Mount Me cha
26340 6611
A6001
Q650 2,Q6 503,D 6506 ,TH6 301
Mount Me cha
23498 9221
A6002
Q6100, Q6101
1/2W
RF
10
R6200
1
3
3P
CN6501
WHT
3P
PFC_OUT
PRI_GND
1
3
3P
CN6502
WHT
3P
PFC_OUT
PRI_GND
FB650 1
0uH
FB650 2
0uH
1608
400
400
400
400 400
POWER ON
ST BY F B
PFC @OVP
PFC_ DET
POWER_SUPPLY
GF1
PFC | OTP
MAIN FB
TO D1 o r D 2
AUDIO @2A
12V @ 4.5 A
6V @ 4A
PROTECT
TO U B-b oar d
D10xL20
SWITCH
SWITCH
4. 9
4. 9
10 2. 9
POWERCONTROL
16 .9
2. 5
1. 4
0. 0
5. 2
4. 5
4. 2
FEEDFORWARD
SOFT ST ART
FEEDFORWARD
DRIV ER
SWITCH
SWITCH
3. 9
1. 8
16 .4
0. 0
2. 6
2. 6
2. 3
0. 0
25 9. 7
26 8. 8
27 6. 1
4. 8
10 .6
39 4. 5
SWITCHING
6. 0
39 3. 0
1. 8
0. 0
11 .9
A-1 361 -28 0-C <F IX2 >GF 1
TO AU BOARD
CN001
TO AU BOARD
CN002
TO FB1 BOARD
CN5600
TO DF 1 OR DF2 BOARD
CN6706
CN6600
TO DF 1 OR DF2 BOARD
CN6800
TO DF3 BOARD
CHIP
R6507
0
CHIP
R6508
0
CHIP
R6551
10
CHIP
R6550
10
0UH
CN72 01
All manuals and user guides at all-guides.com

Table of Contents

Related product manuals