EasyManua.ls Logo

Sony RMT-144A - Page 73

Sony RMT-144A
127 pages
Print Icon
To Next Page IconTo Next Page
To Next Page IconTo Next Page
To Previous Page IconTo Previous Page
To Previous Page IconTo Previous Page
Loading...
DVP-NC615/NC655P
4-54
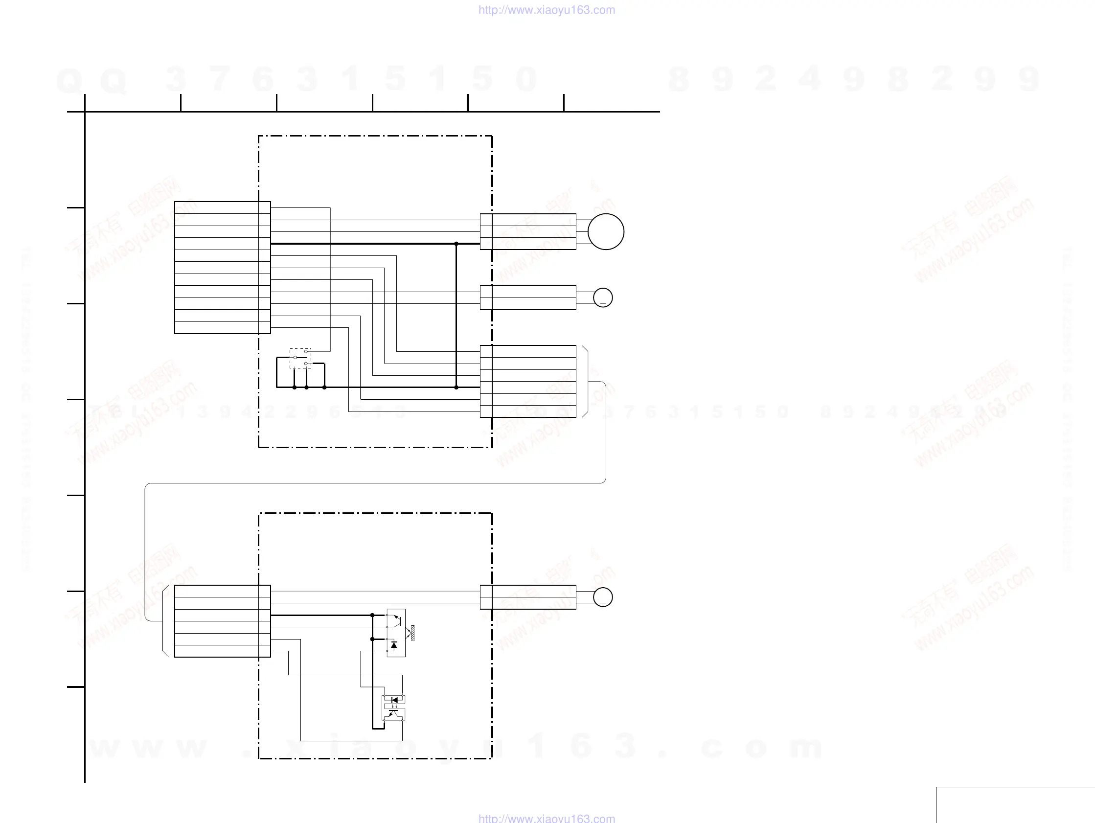
SENSOR
SE-130
4-53
MD INTERFACE
MD-94
/
11PCN001
1
2
3
4
5
6
7
8
9
10
11
6PCN002
1
2
3
4
5
6
3PCN003
1
2
3
2P
CN004
1
2
MXS01070ML
S001
4
NC1
5
NC2
1
COM
2
A
3
C
1
A
6P
CN101
1
2
3
4
5
6
RPR-220C1N
PH101
1
2
3
4
RPI-1391-2
PH102
1
2
4
3
2P
CN102
1
2
OCSW2
OCSW1
CKSW1
SGND
SENSOR LED
TSENS
DSENS
LM-
LM+
TM+
TM-
OCSW1
CKSW1
SGND
LM-
LM+
SENSORLED
TSENS
DSENS
SGND
TM+
TM-
XX MARK:NO MOUNT
-REF.NO.:1000 SERIES-
MD INTERFACE
MD-94 BOARD
TO
CN-158 BOARD
CN305
(SEE PAGE 4-50)
M
ROTARY
ENCODER
M001
LOADING
MOTOR
D
63
B
54
C
2
16
SGND
TM-
TM+
TM-
SENSOR LED
TM+
TSENS
DSENS
XX MARK:NO MOUNT
SENSOR
SE-130 BOARD
-REF.NO.:1000 SERIES-
M
TURN TABLE
MOTOR
E
F
G
w
w
w
.
x
i
a
o
y
u
1
6
3
.
c
o
m
Q
Q
3
7
6
3
1
5
1
5
0
9
9
2
8
9
4
2
9
8
T
E
L
1
3
9
4
2
2
9
6
5
1
3
9
9
2
8
9
4
2
9
8
0
5
1
5
1
3
6
7
3
Q
Q
TEL 13942296513 QQ 376315150 892498299
TEL 13942296513 QQ 376315150 892498299
http://www.xiaoyu163.com
http://www.xiaoyu163.com

Table of Contents