EasyManua.ls Logo

Sony RMT-D249P - AV-134 Block Diagram

Sony RMT-D249P
123 pages
Print Icon
To Next Page IconTo Next Page
To Next Page IconTo Next Page
To Previous Page IconTo Previous Page
To Previous Page IconTo Previous Page
Loading...
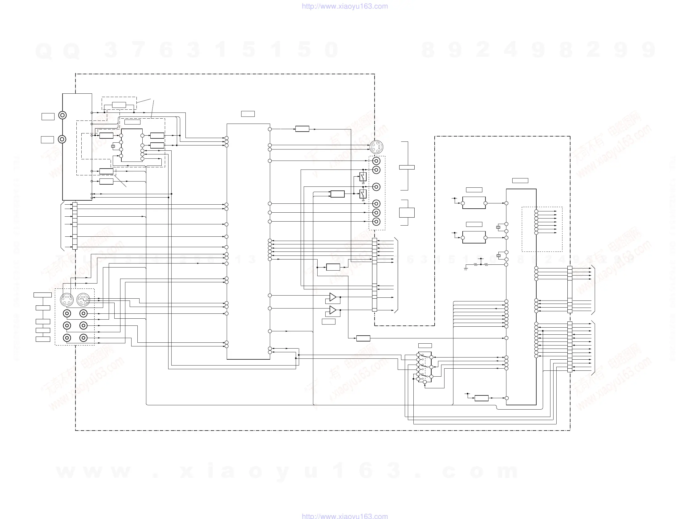
RDR-HX680/HX780/HX785/HX980/HX1080
AV-134 BOARD
IC401
(3/5)
VIDEO/AUDIO SELECTOR
V1 IN
V3_IN
L3_IN
R3_IN
L_IN
R_IN
VIDEO L3 IN
BS IN
A TUNER IN(L)
A TUNER IN(R)
12
A L3 IN(L)
A L3 IN(R)
90
89
VIDEO L1 IN
16
A L1 IN(L)
A L1 IN(R)
94
93
Y3 IN
C3 IN
3
5
Y1 IN
C1 IN
100
1
18
87
86
DACMR
26
SDA
SCL
13
12
DC01
8
IC601
(5/5)
EURO MSP
EXCEPT HX780: Canadian, E
HX780: Canadian, E
AIN1+
XIN
XOUT
2
RESETQ
22
5
6
UHF/VHF
IN
UHF/VHF
OUT
U601
TUNER
AMP
Q606
AMP
Q603
AFT
X601
18.432MHz
SIF OUT
R OUT
BUFFER
Q601
Y2 IN
C2 IN
TU_VIN
VIDEO OUT
L OUT
SDA
SCL
BUFFER
Q410
AFT OUT
Q406
Q407
CN101 (1/2)
TEXTVIN
JA402
JA401
S VIDEO
VIDEO
AUDIO R
AUDIO L
Y
CB
CR
LINE2 OUT
COMPONENT
VIDEO
OUT
21
24
17
15
23
19
SDET2
2VIN
L2_LIN
L2_RIN
2Y
2C
SDET2
2V
2L
2R
SEP Y2 IN
SEP C2 IN
7
9
Y2 OUT
C2 OUT
36
34
DVD C OUT
59
V2 OUT
32
VIDEO L2 IN
14
A L2 IN(L)
A L2 IN(R)
40
38
39
PY(Y) OUT
Pb(Cb) OUT
Pr(Cr) OUT
51
52
53
55
57
61
F DVD PY (G)
F DVD PR (R)
F DVD PB (B)
F DVD Y
F DVD C
DVD VorY OUT
SDA
SCL
80
TO DVD (L)
79
TO DVD (R)
CN105(1/2)
JA403
DACML
27
TU_LIN
TU_LIN
TU_RIN
P_CONT2
MRST
XRST
DAM_TO_T
HSM_TO_T
DAT_TO_M
ASCK
HST_TO_M
DDC_SW1
HOTPLUG
RFTHRU
FANCTL
TUON
SWVION9V
P_CONT
SWVION5V
TU_DCCON
P_CONT2
MRST
XRST1
DAM_TO_T
HSM_TO_T
DAT_TO_M
ASCK
HST_TO_M
DDC_SW1
HPD
DSDA
DSCL
CEC
AMUTE1
RFTHRU
FANCTL
TUON
SWVION9V
P_CONT
SWVION5V
TU_DCCON
57
65
29
99
6
98
100
79
37
73
FLON
FLDATA
FLCLK
FLSTB
KEY1
KEY2
KEY3
IR
63
49
51
50
17
18
19
7
52
54
60
61
62
64
74
IC101
(1/5)
IT CONTROLLER
TX1
TX2
SDA
SCL
CEC0
DDC_SW2
27
28
69
38
SDET3
SDET2
XAMUTE2
SDET1
CSYNCIN
MSPSTAT
AGC
AFT
SDET3
SDET2
XAMUTE2
SDET1
CSYNCIN
MSPSTAT
AGC
AFT
9
10
X102
32.768kHz
ACDET
MODEL1
OUT
IN
512
IC102
(1/5)
POWER FAIL DET
V+5V
V+5V
CAPACITOR
OUT
IN
4312
IC103
(1/5)
IC101 VDD DET
DDC SW
BUFFER
IC101 VDD
28
29
30
31
32
33
34
35
39
40
36
38
37
23
TO/FROM
FR-291 BOARD
(CN202)
(SEE PAGE 3-7)
TO/FROM
RD-066 BOARD
(CN2301)
(SEE PAGE 3-5)
(SEE
"POWER BLOCK
DIAGRAM")
CF1
CF2
12
13
X101
15MHz
SDA0
SCL0
CVBSIN
81
XRST1
MSPSTAT
CN101 (2/2)
BUFFER
Q604
TU_LIN
BUFFER
Q605
92
91
Y
C
AMUTE1
XAMUTE2
MUTE
Q404
YP_OUT
CR_OUT
CB_OUT
Y_OUT
C_OUT
Y_IN
C_IN
2
4
6
8
10
12
14
L_OUT
R_OUT
20
22
L_IN
26
R_IN
24
IC402
(3/5)
1
3
2
+
_
7
5
6
+
_
42
43
SYNC
CSYNCIN
41
TO/FROM
RD-066 BOARD
(CN2301)
(SEE PAGE 3-5)
BUFFER
Q403
FLPON
FLDATA
FLCLK
FLSTB
KEY1
KEY2
KEY3
IR
13
9
7
5
2
3
6
4
CN105(2/2)
RESET
8
RESET
Q101
V+5R8E
IC104
(1/5)
9
7
1
11
10
5
6
12
14
13
FROM
FR-291 BOARD
(CN202)
(SEE PAGE 3-7)
BUFFER
Q602
AGC
AGC OUT
Q405
BUFFER
15
23
24
33
25
67
71
20
31
LINE1/LINE3
S VIDEO
VIDEO
AUDIO L
AUDIO R
SDET1
Y1
C1
V1
Y3
L1
R1
C3
V3
L3
R3
SDET3
JA403
6P RDR-HX780: CND, E model
3P RDR-HX780: AUS, TH, SP/HX980: AUS, TH, SP model
*
*
3-4. AV-134 BLOCK DIAGRAM (HX780: AUS, TH, SP, CND, E/HX980: AUS, TH, SP)
3-7 3-8
Abbreviation
AUS : Australian model
CND : Canadian model
SP : Singapore model
TH : Thailand model
w
w
w
.
x
i
a
o
y
u
1
6
3
.
c
o
m
Q
Q
3
7
6
3
1
5
1
5
0
9
9
2
8
9
4
2
9
8
T
E
L
1
3
9
4
2
2
9
6
5
1
3
9
9
2
8
9
4
2
9
8
0
5
1
5
1
3
6
7
3
Q
Q
TEL 13942296513 QQ 376315150 892498299
TEL 13942296513 QQ 376315150 892498299
http://www.xiaoyu163.com
http://www.xiaoyu163.com

Table of Contents

Related product manuals