EasyManua.ls Logo

Sony RMT-D249P - Block Diagram

Sony RMT-D249P
123 pages
Print Icon
To Next Page IconTo Next Page
To Next Page IconTo Next Page
To Previous Page IconTo Previous Page
To Previous Page IconTo Previous Page
Loading...
RDR-HX680/HX780/HX785/HX980/HX1080
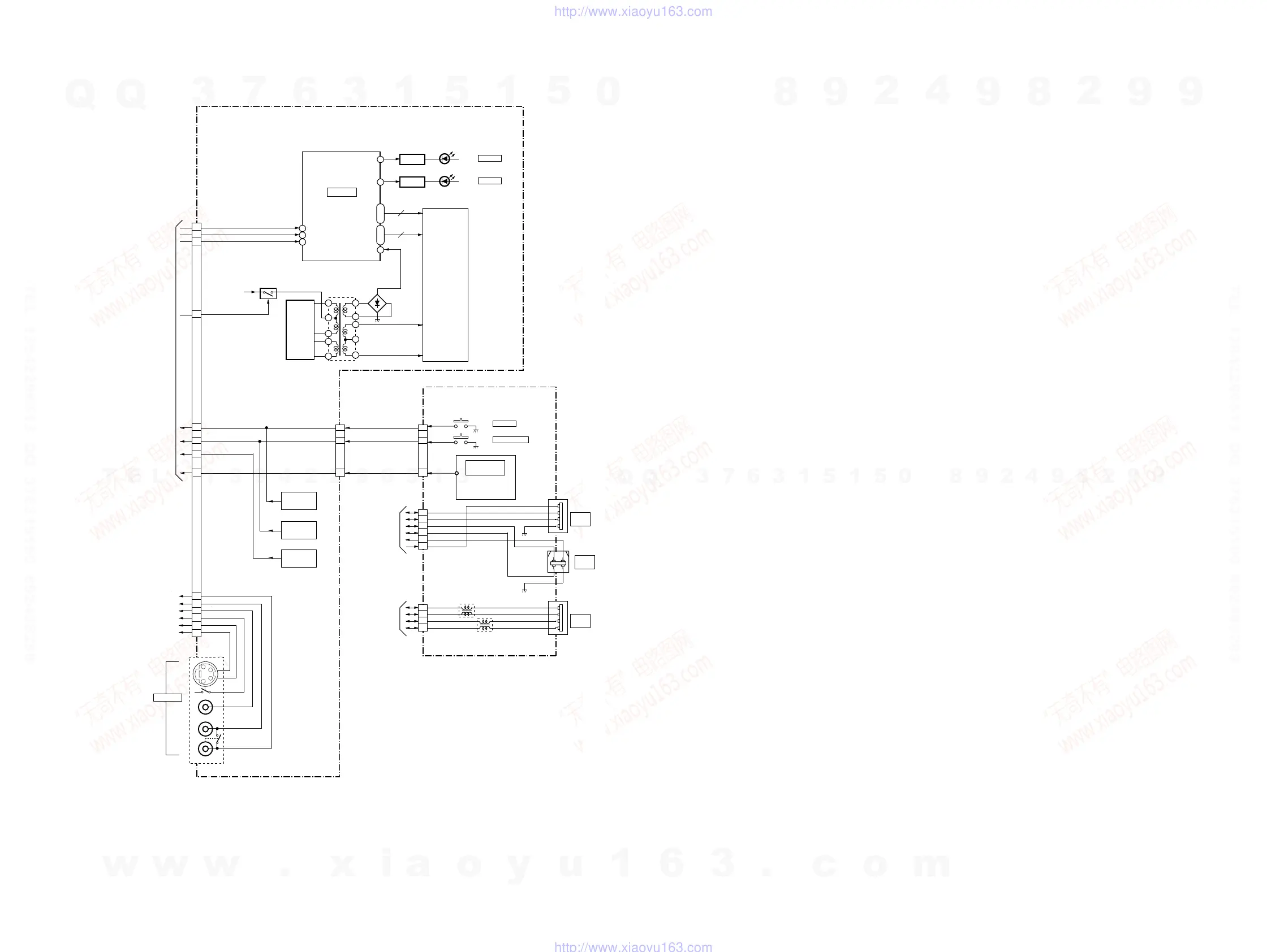
3-6. FR-291, FL-184, VDC-001 BLOCK DIAGRAM
3-11 3-12
ND201
FLUORESCENT
DISPLAY
D208-211
SG1
|
SG16
SEG1
|
SEG16
3
2
4
6
5
8
7
9
1
10
DC/AC
CONVERTER
T201
DC/AC CONVERTER
TRASFORMER
Q201,202
Q203,204
14
|
29
16
GR1
|
GR12
VEE
GRD1
|
GRD12
F2
F1
42
|
31
30
DIN
CLK
STB
FLDATA
FLCLK
FLSTB
FLPON
V+12RIE
7
8
9
LED2
2
LED3
3
12
LED DRIVE
Q206
LED DRIVE
Q205
D214
DVD
S101
KEY3
USBDM2
USBDP2
USBDM1
USBDP1
USBVFB
V+5USB
POWER
D212
HDD
IC201
FL DRIVER
REMOTE CONTROL
RECEIVER
IC101
1
2
3
7
9
3
1
6
5
S102
KEY1
IR
CN106
KEY3
KEY1
KEY2
IR
CN201
CN104
CN105
CN102
CN101
ONE TOCH DUB
FL-184 BOARD
FR-291 BOARD
USB
B TYPE
USB
A TYPE
1
2
3
4
DV
IN
4
3
2
1
TPAP
TPAN
TPBP
TPBN
TPA+
TPA-
TPB+
TPB-
2
1
5
6
2 1
3 4
CN103
3
4
5
7
9
11
J201
CN202
S VIDEO
VIDEO
AUDIO R
AUDIO L
(MONO)
LINE2 IN
5
4
3
19
12
16
18
20
23
22
21
FL101
FL102
TO/FROM
RD-066 BOARD
(CN5201)
(SEE PAGE 3-6)
TO/FROM
RD-066 BOARD
(CN5101)
(SEE PAGE 3-6)
S209,210,208
OPEN/CLOSE,
HDD,
DVD
S201-203
REC STOP,
INPUT SELECT,
REC
S204-207
CH+, CH-,
PLAY,
STOP
TO/FROM
AV-133/AV-134
BOARD
(CN105)
(SEE PAGE 3-4)
2R
2L
2V
2Y
SDET2
2C
1
4
10
8
6
2
w
w
w
.
x
i
a
o
y
u
1
6
3
.
c
o
m
Q
Q
3
7
6
3
1
5
1
5
0
9
9
2
8
9
4
2
9
8
T
E
L
1
3
9
4
2
2
9
6
5
1
3
9
9
2
8
9
4
2
9
8
0
5
1
5
1
3
6
7
3
Q
Q
TEL 13942296513 QQ 376315150 892498299
TEL 13942296513 QQ 376315150 892498299
http://www.xiaoyu163.com
http://www.xiaoyu163.com

Table of Contents

Related product manuals