EasyManua.ls Logo

Sony SLV-SE85 - Audio Block Diagram

Sony SLV-SE85
118 pages
Print Icon
To Next Page IconTo Next Page
To Next Page IconTo Next Page
To Previous Page IconTo Previous Page
To Previous Page IconTo Previous Page
Loading...
SLV-SE85/SF90/SF99
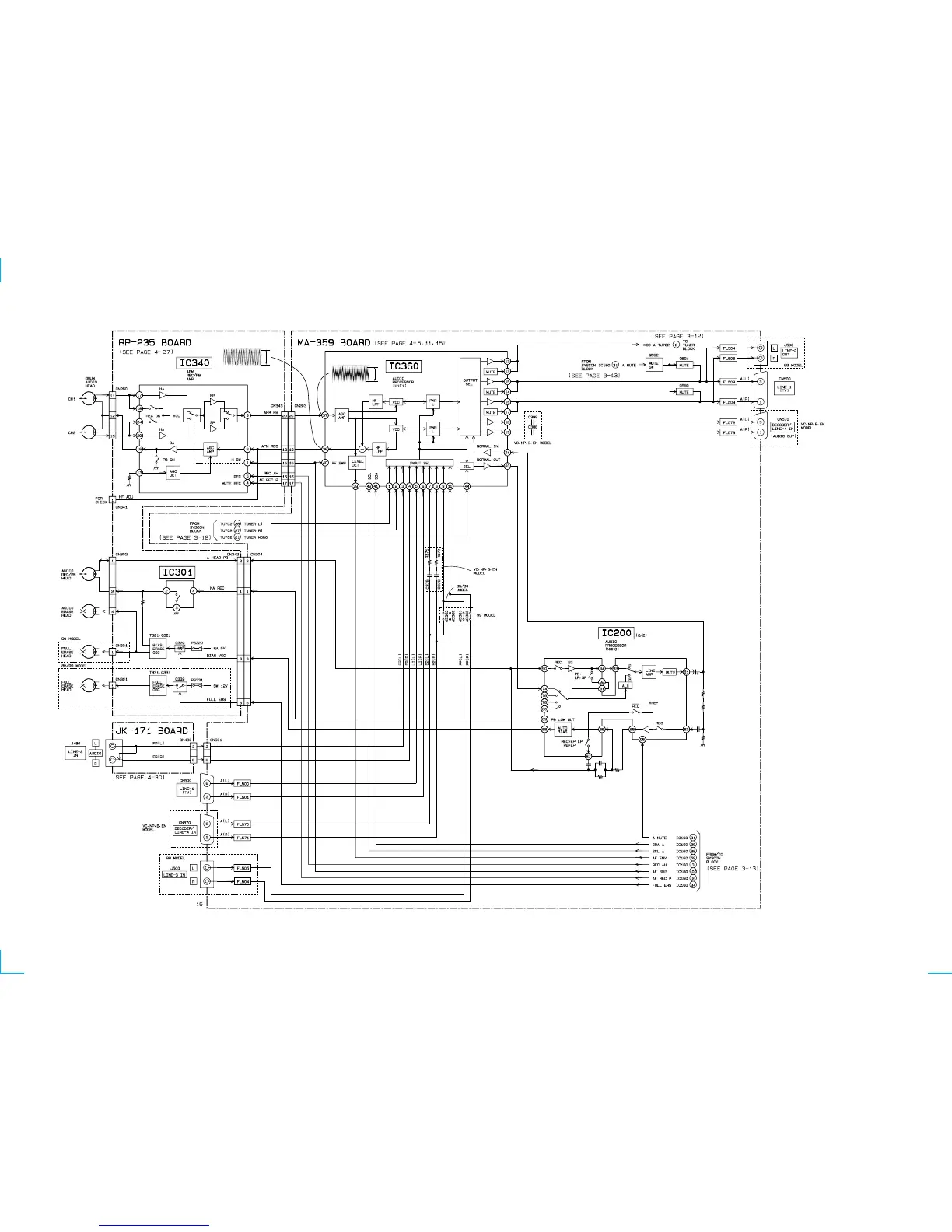
3-5. AUDIO BLOCK DIAGRAM
3-17 3-18
IC360 REC
650mVp-p
1µsec/div
1µsec/div
IC360 PB
80mVp-p

Table of Contents

Related product manuals